工业充电器拓扑结构选型基础知识:隔离式DC-DC功率级的选择
电子产品世界
碳化硅(SiC)功率开关器件正成为工业电池领域一种广受欢迎的选择,因其能够实现更快的开关速度和更优异的低损耗工作,从而在不妥协性能的前提下提高功率密度。此外,SiC还支持 IGBT技术无法实现的新型功率因数拓扑结构。本文将介绍隔离式DC-DC功率级选择。
隔离式DC-DC功率级的选择
对于隔离式DC-DC转换,可以根据应用的功率等级来选择多种不同的拓扑结构。
■ 半桥LLC拓扑
采用次级端全桥同步整流的半桥LLC拓扑结构非常适合600W至3.0kW的充电器应用。iGaN功率开关适用于600W至1.0kW的充电器,而SiC MOSFET则适用于1.2kW至3.0kW的应用。
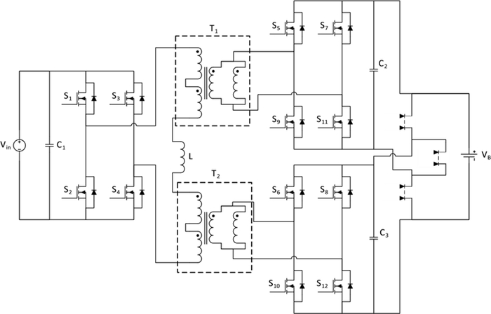
对于4.0kW至6.6kW的应用,可选用全桥LLC拓扑或交错式LLC拓扑;双有源桥则适用于6.0kW至30.0kW的应用。通过并联多个6.0kW充电器,可实现12.0kW至30kW的功率输出。
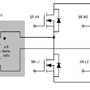
图1 半桥LLC隔离型LLC拓扑
NTH4L045N065SC1 或 NTBL032N065M3S 650 V EliteSiC MOSFET 适用于初级端半桥电路,80 − 150 V 的 Si MOSFET 则适用于次级端同步整流应用。NTBLS0D8N08X 和 NTBLS4D0N15MC 是适用于 48 V 及 80 V − 120 V 电池充电器应用的Si MOSFET。
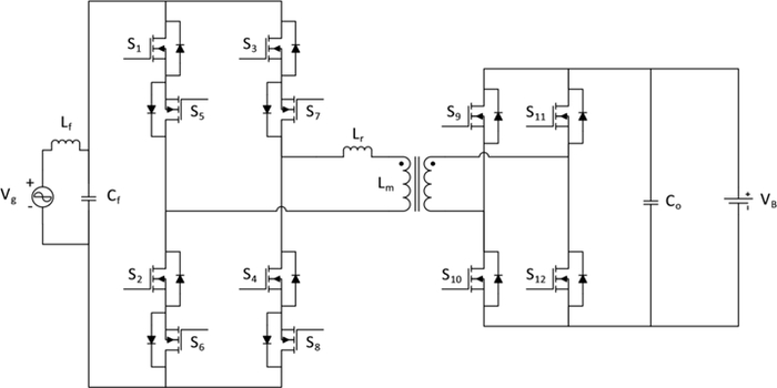
■ 全桥LLC拓扑
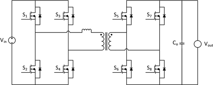
全桥LLC拓扑由两个半桥(S1−S2 和 S3−S4)组成,包含变压器初级绕组Lm和谐振LC网络。
全桥电路中对角线布局的SiC MOSFET由相同的栅极驱动信号驱动。次级端全桥LLC拓扑由两个半桥(S5−S6 和 S7−S8)组成,使用的是同步整流Si MOSFET。双向Si MOSFET开关S9−S10提供了电压倍增功能,可实现40 V至120 V的宽电压输出。对于40 V − 120 V的宽电压范围电池充电器应用,初级端采用全桥LLC拓扑、次级端采用带双向开关电压倍增器同步全桥电路拓扑是合适的方案(如图 2所示)。
图2 带次级电压倍增器电路的全桥LLC拓扑
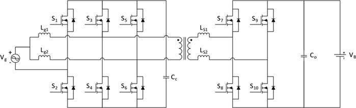
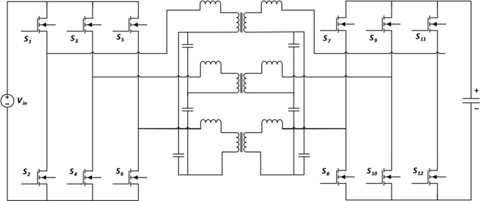
图 3 所示,带有 2个变压器及2个次级全桥同步整流电路的全桥 LLC 拓扑,适用于 4.0 kW 至 6.6 kW 的应用。
图3 带有2个变压器和2个全桥同步整流器的全桥LLC拓扑
■ 交错式三相LLC拓扑
对于 6.6 kW - 12.0 kW 的大功率应用,建议采用交错式 LLC 拓扑,将功率损耗分散到多个开关和变压器中。
三相交错式 LLC 由 3 个半桥(S1-S2、S3-S4 和 S5-S6)、3 个谐振 LC 电路、3 个带励磁电感的变压器组成,次级端采用3 个带谐振 LC 网络的半桥(S7-S8、S9-S10 和 S11-S12)组成,以实现双向操作。初级端3组半桥电路以谐振开关频率工作,彼此保持120度相位差。此三相交错式LLC拓扑可产生三倍开关频率的输出纹波,并显著减小滤波电容尺寸。
图 4 所示的交错式三相 LLC 拓扑适用于 6.6 kW - 12 kW的充电器应用。
图4 交错式三相LLC拓扑
■ 双有源桥
如图 5 所示的双有源桥适用于大功率充电器应用,例如为骑乘式割草机、叉车和电动摩托车供电。双有源桥适用于6.6 kW至11.0 kW的工业充电器应用。
图5 双有源桥拓扑
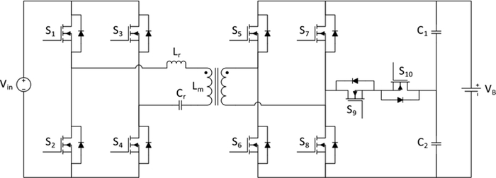
单级拓扑结构适用于输入电压为 120 - 347 V 单相AC输入的工业充电器应用。 图 6 所示,初级端带有双向AC开关的双有源桥适用于 4.0 kW至11.0 kW的工业充电器应用。
图6 单级双有源桥转换器
650 - 750 V SiC MOSFET 和 GaN HEMT 适用于双向开关应用。 NTBL032N065M3S 和 NTBL023N065M3S 650 V M3S EliteSiC MOSFET 推荐用于初级端双向开关。通过将2个裸芯集成到 TOLL 或 TOLT 封装中,以实现双向开关。 GaN 技术同样适用于双向开关应用。
如图 7 所示,另一种值得关注的单级拓扑结构是带有集成式全桥隔离 LLC DC-DC转换器的交错式图腾柱 PFC。