新浪科技

路灯白天灭,晚上自动亮,竟然是因为小小的光敏电阻

电子产品世界

关注

大家有没有想过为什么路灯白天不亮,天一黑就自动亮了呢?这其中涉及到一个元器件--光敏电阻,今天我就来讲一下其中的原理,先会简单地讲一下光敏电阻,最后会顺带讲一下光敏电阻的分类、选型参数、读数方法、检测好坏等内容。

本文引用地址:

光敏电阻的定义

光敏电阻本质上就是一个纯电阻元件,其制作材料是半导体,没有正负极性之分。既可接到直流电路中使用,也可接于交流电源电路中使用。光敏电阻的基本结构如下图所示,最下面是陶瓷基板,两侧使用两只金属电极接成引脚。光敏电阻的外部包裹着一层透明树脂防潮膜,在起到能透射光线作用的同时,还能起到加固的作用,同时起到防潮的目的。

光敏电阻的工作原理

光敏电阻器为一种无结(PN结)器件,光敏特性主要利用了光导电体导电特性。 当光敏电阻在受到光的照射时,如果光子能量大于本征半导体材料的禁带宽度,则价带中的电子吸收一个光子后就足以跃迁到导带,并产生一个自由电子和一个自由空穴,从而使其导电性能增加,电阻值下降。光照停止,自由电子与空穴逐渐复合,电阻又恢复原值。光敏电阻的电阻值会随着入射光的强弱而发生改变;

即当入射光较强时,光敏电阻的阻值会明显减小;当入射光变弱时,光敏电阻的电阻会显著增大。

光敏电阻的应用

由于光敏电阻具有体积小、灵敏度高、性能稳定、价格低等特点,在自动控制、家用电器中得到了广泛应用。光敏电阻主要被应用在各种可见光的光控电路及各种需要实现可见光光控的装置中。

1、光控开关电路

光控开关电路,可以用在一些楼道、路灯等公共场所。通过光敏电阻器,它会在天黑时自动开灯,天亮时自动熄灭。

光控开关电路

电路中,VS1是单向晶闸管,R1是光敏电阻器。

(1)当光线亮时,光敏电阻器R1阻值小,220V交流电压经VD1整流后,成为单向脉冲性直流电压,该电压在RP1和R1分压后很小,加到晶闸管VS1控制极的电压小,这时晶闸管VS1不能导通,所以HL灯回路无电流,灯不亮。

(2)当光线暗时,光敏电阻器R1阻值大,RP1和R1分压后电压大,加到晶闸管VS1控制极的电压大,这时晶闸管VS1进入导通状态,所以HL灯回路有电流流过,灯点亮。

(3)调节电阻器RP1的阻值,可以改变RP1与R1的分压输出电压大小,从而可以改变晶闸管VS1触发电压大小,这样可以调整光线变暗到什么程度时晶闸管VS1导通,即实现光线暗时点亮灯的调节。

如果RP1增大,就需要R1更大的阻值(光线更暗)才能使晶闸管VS1点亮,反之,RP1阻值调小就能在光线不是很暗时点亮灯。

2、光敏电阻器的控制电路

光敏电阻器的控制电路

电路中,R2是光敏电阻器,K是继电器,VT2是继电器驱动管,RP1是灵敏度调整可变电阻器。

(1)光线亮时电路

当光线亮时,光敏电阻器R2阻值比较小,这时RP1、R1、R2构成的分压电路输出电压比较小,即加到VT1基极的直流电压比较低,VT1处于截止状态,VT2也处于截止状态,继电器K中没有电流,继电器不会动作(开关断开)。

(2)光线暗时电路

当光线暗时,光敏电阻器R2阻值增加比较大,这时RP1、R1、R2构成的分压电路输出电压比较大,即加到VT1基极的直流电压比较高,高到足以使VT1处于导通状态;VT1发射极电压通过R4加到VT2基极,VT2也处于导通状态,继电器K中有电流通过,继电器动作,(开关闭合)。

(3)改变RP1的阻值可以调节灵敏度,即光线暗到何等程度才能使继电器动作。当RP1阻值减小时,VT1基极直流电压升高,也就是光线稍暗些,R2阻值稍增大些,就能使继电器K动作,所以灵敏度提高了,反之,则是灵敏度降低了。

3、灯光亮度自动调节电路

灯光亮度自动调节电路

光亮度自动调节电路,这一电路能根据外界光线的强弱来自动调节灯光的亮度。电路中,VS1是晶闸管,N是氖管,HL是日光灯,R3是光敏电阻器。

电路中,晶闸管VS1和二极管VD1~VD4组成全波相控电路,用氖管N作为VS1的触发管。

220V交流电压通过负载HL加到VD1~VD4桥式整流电路中,整流后的单向脉冲直流电压加到晶闸管VS1的阳极和阴极之间,VS1的导通与截止受控制极上的电压控制。整流后的电压还加到各种电阻和电容上。

直流电压通过R1和RP1对电容C1进行充电,C1上充到的电压通过氖管N加到晶闸管VS1的控制极上;当C1上电压上升到一定程度时,氖管N启辉,将电压加到晶闸管VS1的控制极上,使晶闸管VS1导通,灯HL点亮。

(C1的充电电路除R1、RP1外还有R2、R3、VD5,R2、R3分压后的电压使VD5导通,也对C1进行充电,所以R3的阻值大小就能决定C1上充电电压大小,也就能决定交流电一个周期内VS1平均导通时间的长短,从而可以自动控制灯的亮度。)

(1)当外界亮度高时,光敏电阻器R3阻值小,C1的充电电压低,晶闸管VS1平均导通时间短,HL灯光就暗。

(2)当外界亮度低时,光敏电阻器R3阻值大,C1的充电电压高,晶闸管VS1平均导通时间长,HL灯光就亮。

(3)由于R3的阻值是随外界光线强弱自动变化的,所以灯HL的亮度也是受外界光线强弱自动控制的。

(4)调节可变电阻器RP1的阻值可以改变对电容C1的充电时间常数,即改变VS1的导通角,调节HL灯光的亮度。

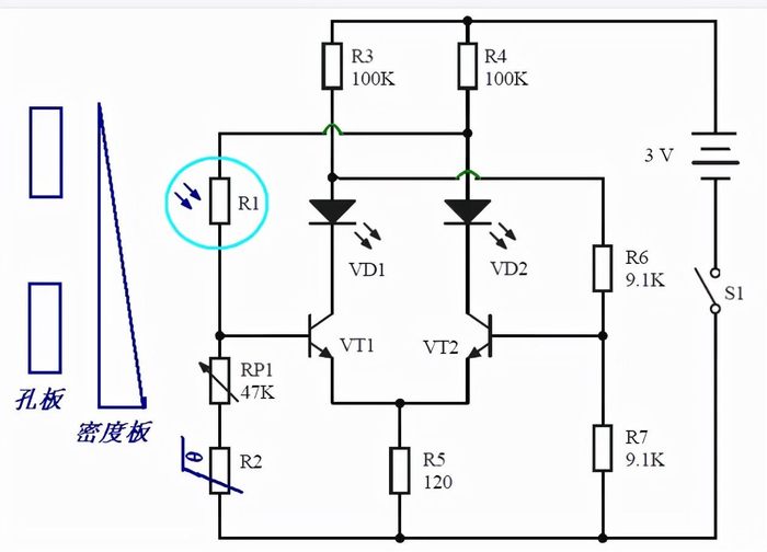
4、照相机电子测光电路

照相机电子测光电路

在电路中,光敏电阻器作为电子测光元件。R1是光敏电阻,R2是热敏电阻,VD1和VD2是发光二极管。

从电路中可以看出,VT1是VD1的驱动管,VT2是VD2的驱动管,VT1和VT2两端的电路对称,但是基极偏置有所不同。VT2基极由固定电阻R6、R7构成分压式偏置电路,而VT1基极则由R1、RP1和R2构成分压偏置电路。

当电路达到平衡时,即两只发光二极管发光均匀,表示适曝,这就要求两只发光二极管的驱动管基极电流相同。如果只有其中一只亮而另一只不亮,则表示欠曝或过曝,这时要进行移动密度板的调整。

光线从孔板照射在光敏电阻器上,移动密度板时可以改变光线照射到光敏电阻器R1上的强弱,从而可以改变R1的阻值大小,改变R1、RP1和R2分压电路输出电压,即改变了加到VT1基极的直流电压,进而改变了发光二极管VD1的发光强弱,达到正确曝光的目的。

电路中的热敏电阻R2(1K)起温度补偿作用,以补偿光敏电阻器R1的温度变化而引起的误差。

之后顺带介绍一下光敏电阻的分类、选型参数、读数方法、检测好坏的方法。

光敏电阻的分类

根据光敏电阻的光谱特性,可分为三种光敏电阻器:

紫外光敏电阻:对紫外线较灵敏,包括硫化镉、硒化镉光敏电阻器等,用于探测紫外线。

红外光敏电阻:主要有硫化、碲化铅、硒化铅。锑化铟等光敏电阻器,广泛用于导弹制导、天文探测、非接触测量、人体病变探测、红外光谱,红外通信等国防、科学研究和工农业生产中。

可见光敏电阻:包括硒、硫化镉、硒化镉、碲化镉、砷化镓、硅、锗、硫化锌光敏电阻器等。主要用于各种光电控制系统,如光电自动开关门户,航标灯、路灯和其他照明系统的自动亮灭,自动给水和自动停水装置,机械上的自动保护装置和“位置检测器”,极薄零件的厚度检测器,照相机自动曝光装置,光电计数器,烟雾报警器,光电跟踪系统等方面。

光敏电阻选型参数

1、光电流、亮电阻

光敏电阻器在一定的外加电压下,当有光照射时,流过的电流称为光电流,外加电压与光电流之比称为亮电阻,常用“100LX”表示。

2、暗电流、暗电阻

光敏电阻在一定的外加电压下,当没有光照射的时候,流过的电流称为暗电流。外加电压与暗电流之比称为暗电阻,常用“0LX”表示(用照度计测量光的强弱,其单位为拉克斯lx)。

3、灵敏度

灵敏度是指光敏电阻不受光照射时的电阻值(暗电阻)与受光照射时的电阻值(亮电阻)的相对变化值。

4、光谱响应

光谱响应又称光谱灵敏度,是指光敏电阻在不同波长的单色光照射下的灵敏度。若将不同波长下的灵敏度画成曲线,就可以得到光谱响应的曲线。

5、光照特性

光照特性指光敏电阻输出的电信号随光照度而变化的特性。从光敏电阻的光照特性曲线可以看出,随着光照强度的增加,光敏电阻的阻值开始迅速下降。若进一步增大光照强度,则电阻值变化减小,然后逐渐趋向平缓。在大多数情况下,该特性为非线性。

6、最大工作电压

最大工作电压限制了加在光敏电阻两端的电压。

7、最大功耗

最大功耗表示光敏电阻所能耗散的最大功率。

8、回应时间

光敏电阻的阻值在不同光照强度下的阻值变化需要反应时间,通常都在30mS左右,所以光敏电阻不适合高速变化的光信号。

光敏电阻的优缺点

光敏电阻有很多优点:

1、其光谱响应范围相当宽;

2、工作电流大,可达数毫安;

3、所测光强范围宽,既可测强光,也可测弱光;

4、体积小、质量轻,灵敏度高,光导电增益大于1;

5、偏置电压低,无极性之分,使用方便。

缺点:

1、在强光照射下光电转换线性较差;

2、光电驰豫过程较长,驰豫过程即光照后,半导体的光电导随光照时间逐渐上升,经一段时间到达定态值.光照停止后,光电导逐渐下降;

3、频率响应(器件检测变化很快的光信号的能力)很低,受温度影响较大,响应速度不快,在ms到s之间,延迟时间受入射光的光照度影响。

光敏电阻器标识的识别

光敏电阻器的参数是由字母和数字构成的,可根据型号中各字母或数字的意义识读光敏电阻器的参数信息。下图为光敏电阻器标识的识读方法。

光敏电阻器的电路符号:

MG:表示光敏电阻

0:特殊光敏电阻

1、2、3:紫外光,紫外线:用于紫外线探测仪器。

4、5、6:可见光,可见光:各种光电自动控制系统,电子照相机和光报警器。

7、8、9:红外光,红外线:用于天文、军事领域有关自动控制系统中。

光敏电阻标识识别

光敏电阻器怎么测好坏?

光敏电阻器的阻值会随外界光照强度的变化而变化。检测光敏电阻器时,可通过万用表测量待测光敏电阻器在不同光线下的阻值判断光敏电阻器是否损坏。下图为分别在不同光线强度下检测光敏电阻器的阻值,根据检测结果的变化情况判断光敏电阻器的好坏。

万用表测光敏电阻

光敏电阻器一般没有任何标识,实际检测时,可根据设计应用中所在电路的图纸资料了解标称阻值,如下图所示,或直接根据光照变化时阻值的变化情况判断性能好坏。在正常情况下,光敏电阻器应有一个固定阻值,所在环境光线变化时,阻值随之变化,否则多为光敏电阻器异常。

光敏电阻测试电路

加载中...