新浪科技

干货|555定时器原理+3种工作状态讲解,原理款图分析

电子产品世界

关注

今天来给大家简单介绍一下555定时器

本文引用地址:

555定时振荡器也就是通常所说的555定时器555定时器的用途非常广泛,可以生成各种类型的脉冲、创建时间延迟,也可以用于脉冲宽度调制(PWM),555定时器最常见的用途是为电路产生时钟信号。

大家都普遍认为555定时器这个名字是因为有3个5KkΩ电阻,但实际上555定时器的发明者Hans Camenzind在有一次采访中说:这名字是他的一位同事随意取的。这是不是和我们以为的不一样。

下面来简单介绍一下555定时器。

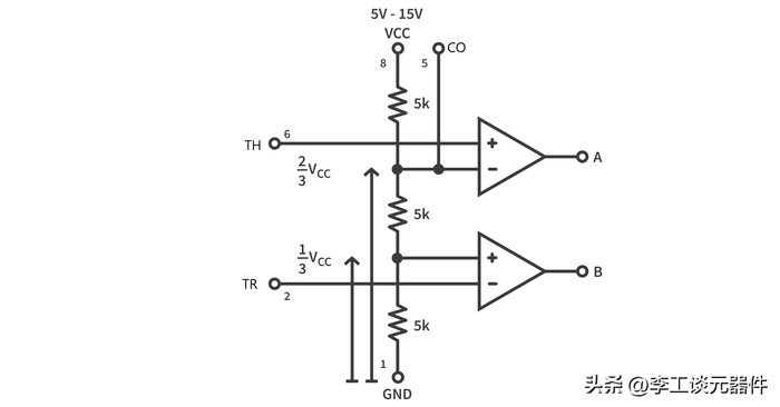
下面显示了555定时器的基本框图和引出线。555定时器通常采用8引脚DIP封装。555由2个比较器、分压电路、触发器、放电三极管和输出电路组成。

1、第一部分:分压电路

框图的第一部分的分压电路,分压器由3个 5k 电阻组成。由于这3个电阻具有相同的值,因此在这3个电阻之间分配相等的电压,电阻两端的电压作为比较器的参考电压。

2、第二部分:比较器

第二部分是比较器,比较器是运算放大器的一种。比较器主要是比较输入端的电压,根据反相输入或同相输入端的较高电压输出高电压或者低电压。

关于比较器电路的更多内容,欢迎阅读以下文章:

干货|比较器电路详细讲解,工作原理+灵敏度问题,带你轻松搞定

1)上面的比较器(阈值比较器)的输入是连接到非反相输入(+)的阈值引脚,2/3Ucc的参考电压连接到比较器的反相输入 (-)。另一个外部引脚“控制电压”连接到该比较器的反相输入(-),这样就可以覆盖2/3Ucc的参考电压,还可以改变输出信号的宽度。

2)对于下面的比较器(触发比较器)1/3 Ucc参考电压提供给非反相输入 (+),触发引脚连接到比较器的反相输入 (-)。

比较器的输出作为触发器的输入。SR触发器是一种存储元件,可以根据两个输入SEF和RESET或者S和R分别存储和输出逻辑“0”或者逻辑“1”。触发器的输出是 Q 和 Q BAR,其中 Q 和 Q BAR互为补集。

触发器的输出供给输出驱动电路进而提高电流水平,最后传递到IC的外部输出引脚。

1、分压器和比较器电路的第一部分

555定时器的第一部分

555定时器的行为由3个输入引脚控制:阈值、触发器和控制电压。

当阈值引脚上的电压增加到 2/3 U cc参考电压以上时,在输出“A”处得到逻辑“1”。否则,输出“A”为逻辑“0”。

阈值和触发比较器

当触发引脚上的电压小于1/3Ucc参考电压时,在输出“B”处得到逻辑“1”。否则,得到逻辑“0”。

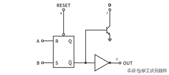
2、第二部分:SR触发器和输出驱动电路。

触发器有两个输入:标记位“A”的阈值比较器的输出连接到R,标记为“B”的触发器的输出连接到S。

SR触发器和输出驱动电路

下图为基本SR触发器的真值表。当SET或S输入为逻辑“1”时,设置触发器输出逻辑“1”,当RESET引脚为逻辑“1”时,触发器输出逻辑“1”。当S和均为逻辑“0”时,触发器存储先前的值或充当存储元件。当两者均为逻辑“1”时,进入触发器的无效操作状态。

SR触发器的真值表

下面对只有一个输入是逻辑“1”而另一个是逻辑“0”的情况进行分析。下图表示比较器A和B的输出如何影响触发器的输出。但是这里有一个点需要注意,从QBAR而不是 Q获取触发器的输出。

触发器

触发器的输出取决于输入。

该触发器的输出被传递到输出驱动电路,该电路提高电流水平以驱动高达200mA的负载,这样就可以将负载直接连接到IC的输出因家贫。

这里也有一个需要注意的关键点,输出驱动电路是一个反相电路,反转 Q BAR的逻辑。

所以最后我们得到与触发器的Q输出相同的逻辑,这就是为上面触发器的输出取自 Q BAR而不是 Q 。

触发的输出连接到放电晶体管的基极,该晶体管用于“放电”任何外部连接的电容。

55定时器有3种工作模式:单稳态、双稳态和非稳态。电容和电阻的各种组合连接到555定时器的输入引脚,这样就可以在3种模式之间切换。这样的话,如果使用555定时器创建不同的应用程序,只需要重新排列外部连接的组件。

1、单稳态

单稳态也称为“一次性”模式,触发时,定时仅产生一个输出脉冲并返回到稳定状态,用途包括时间延迟生成,触摸开关、脉冲宽度调制等等。

2、双稳态

在这种模式下,定时器充当触发器,因为有2种稳定模式,所以可以使用定时器存储1位数据,但是这不是存储数据的首选方法。

3、不稳定

在这种模式下,555充当电子振荡器。输出根据配置的周期从逻辑高电平连接切换到逻辑低电平。此模式用于脉冲生成、逻辑时钟生成、LED和闪光灯。

定时器的不同工作模式允许广泛的应用,之后会单独介绍每个定时器的内部工作原理。

加载中...