新浪科技

了解模拟电路设计(入门级)

电子产品世界

关注

模拟电路电路设计中一个重要的部分,它是指用来对模拟信号进行传输,变换,处理,放大,测量和显示等等工作的电路。而模拟信号是指连续变化的电信号(数字信号是离散的电信号)。

本文引用地址:

主要有放大电路,信号运算和处理电路,振荡电路,调制和解调电路以及电源等等。

那对于模拟电路的设计,它就是对这些常见的模拟电路的设计,看具体需要实现什么功能,从而做相应的设计。

不同通常模拟电路的设计的部分是比较复杂的,常常会令设计电路的工程师头疼反复调试,比如针对RF射频电路的设计,就是大多数电子产品模拟电路设计的一个重点。

所以对于模拟电路设计就要从基础模拟电路的设计开始,只有对基础模拟电路烂熟于心,才能在这些基础上,针对不同的性能要求,设计和搭建出新的电路单元,实现模拟电路设计。

常见的模拟电路设计

运算放大器设计

运算放大器是模拟电路设计中一个非常重要的部分,会在许多设计中被运用,并且也是模拟设计中的重点(由于早期应用于模拟计算机中用于实现数学运算,所以通用被叫运算放大器)。

在实际的电路应用中,运算放大器常常会结合反馈网络共同组成一些功能模块。很多模拟电路设计高手,就是从简单的放大器开始,一遍遍的分析,多次的设计完善,包括从增益(放大倍数),输入输出阻抗等关键参数考虑,并综合折中考虑电压摆幅,速度以及功耗,从而理解并掌握模拟设计的精髓。

滤波器设计

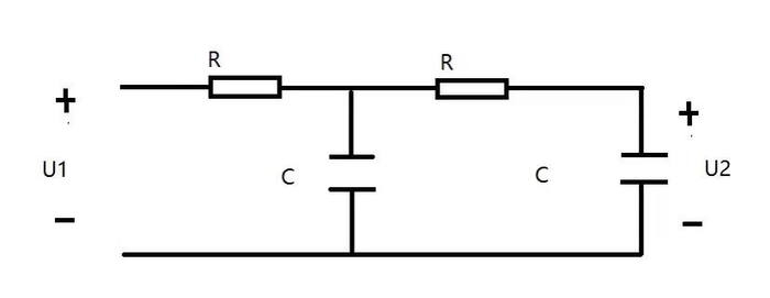
滤波器主要用于信号传递和处理,可以将某些特定选定的频率以外的信号进行滤除,从而令目标元件获得特定频段的信号。比如由RC元件和运算放大器组成的滤波器就称为RC有源滤波器,可以让一定频率范围的信号通过。

RC滤波器图片(实际应用中,可以设计为低通RC滤波器也可以被设计为高通RC滤波器,下图为低通RC滤波器)。

带隙基准设计

带隙基准一般是要形成一种与温度无关的基准源,可以通过将正温度系数电压和负温度系数电压叠加来实现。所以带隙基准电路可以提供精确的参考电压。对于带隙基准电路的设计也是模拟电路设计中的一个重点。

电源设计

不管是任何的电子设备,电子产品,都需要电源供给才能正常工作。在有的电源之后,需要将电源转换为一个个不同的电压,从而有效的让相关的电子器件工作,从而使得整个电子主板运转起来。这其中,电源管理芯片(PMU)就充当了将电源电压进行转化的角色。

高效,稳定,低功耗,智能是电源管理芯片的发展方向,设计要求。不过不管设计怎么复杂,它都是通过(AC/DC)交流/直流,(DC/DC)直流/直流来转换,常见的如LDO,BUCK,BOOST以及相互之间的组合等等。

模拟电路设计有8个核心参数:

所以怎么判断一个模拟电路设计好不好,就是看所设计的模拟电路是否满足符合8个核心参数,但有时某些参数是互斥的,所以“折衷”是模拟设计中的精髓,如何使所设计的模拟电路实现功能要求的同时,又能保持稳定性,功耗,高效等等。

加载中...