小电阻在ePort模块中的大作用
电子产品世界
在高速电路设计中,串阻对信号完整性起到了至关重要的作用。本文借ePort模块的应用电路,对串阻的作用以及应用原理做简要分析。
本文引用地址:
ePort应用电路中的串阻
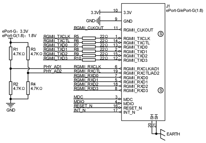
在使用ePort模块进行电路设计时,RMII/RGMII的TX组、RX组信号线和参考时钟线均需要串联匹配电阻(其中RX组信号线的串联电阻已集成到ePort模块中,设计时无需考虑),以实现网络的正常通讯。图1中的电阻R5~R8为使用ePort-M百兆模块时需串联的匹配电阻,图2中的电阻R5~R10为使用ePort-G/ePort-G(1.8V)千兆模块时需串联的匹配电阻。
图1 ePort-M典型应用电路
串阻的作用与使用方式
在一般电路中,信号输出端的阻抗小(一般为17~40Ω),PCB走线单端阻抗通常控制为50Ω,接收端的阻抗较大(近似开路),而信号在经过阻抗不连续的地方时会产生反射。反射信号在低频电路中影响不大,但其对高频电路的影响则不容忽视。
比如在以太网通讯电路中,由于信号频率较高,反射信号将与源端信号叠加,造成信号的过冲和振铃,从而可能导致接收端的识别错误,影响到正常通讯。图3为使用ePort-M模块RMII_TXD0信号直连MAC端输出信号时的波形,其中过冲30.6%,下冲26.1%。
图3 RMII_TXD0未串电阻
对此,通常做法是在信号输出端位置串联一个小电阻,使得信号源端与传输线的阻抗匹配,并由串阻吸收接收端的反射信号。且PCB布局时串阻应靠近信号输出端放置,不能放在信号接收端,否则串阻将起不到阻抗匹配的作用。如使用ePort模块时的PCB串阻布局推荐如图4所示。
图4 PCB串阻布局推荐
选用的串阻阻值应小于100Ω,通常为22Ω、33Ω。图5即为使用ePort-M模块RMII_TXD0信号与MAC端输出信号间串22Ω电阻时的波形,过冲12.5%,下冲11.3%,相比未串电阻时的波形有明显改善。
图5 RMII_TXD0串22Ω电阻
由于传输线与地平面之间存在寄生电容,会与匹配电阻构成RC滤波器,如果选用的电阻阻值过大时将造成信号失真的问题。图6为使用ePort-M模块RMII_TXD0信号与MAC端输出信号间串150Ω电阻时的波形,有较明显的失真。因此在使用ePort模块设计电路时,应严格按照应用电路的接法,将RMII/RGMII信号中TX组的串阻接上,串阻阻值选用22Ω。