软启动器工作原理和一拖三讲解!看完可熟练掌握软启动
电子产品世界
软启动基础知识:
本文引用地址:
软起动是一种集电机软起动、软停车、轻载节能和多种保护功能于一体的新颖电机控制装置,国外称为Soft Starter。软起动主要构成是串接于电源与被控电机之间的三相反并联闸管及其电子控制电路。本文详细的介绍了四款一拖三软启动器控制电路图。
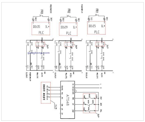
一拖三软启动器控制图 1
适用范围
一拖多台软起动控制柜是为用户节省设备投资、降低成本、有效利用控制柜的占地面积设计制造的。它以单台软起动器为控制主体,内配控制相应台数电动机的旁路接触器。首先通过软起动器控制第一台电机进行软起,等完成起动后用相应旁路接触器使第一台电机直通接到电网。
同理可通过软起动器控制第二、第三台电机进行软起。由于内置软起动器为自然风冷,而每次起动时都会产生一定热量。因此每台电机起动间隔时间应大于5分钟为宜,以保证在整个起动过程中不出现过热保护,提高产品的可靠性。
主要参数及技术性能
2.1电源电压:三相交流AC380V(±15%),50Hz/60Hz(±2%)
2.2起动电流:从0.5~5倍的起动电流限制
2.3斜坡下降时间:0s~60s
2.4软起基值电压:30%Ue~70%Ue
2.5突跳起动时间:0.1s
2.6环境要求:环境温度在-10℃40℃之间;40以上每升高1,电流降低2%;相对湿度不超过95%;无凝露、无易燃、易爆气体、无导电尘埃、通风良好。海拔超过1000米,应相应降低容量使用,1000米以上每增加100米电流降低0.5%
原理图
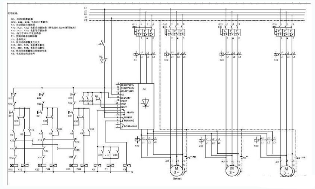
一拖三主电路图
一拖三软启动器控制图 2
软启动的实际应用
软起动是一种集电机软起动、软停车、轻载节能和多种保护功能于一体的新颖电机控制装置。软起动主要构成是串接于电源与被控电机之间的三相反并联闸管及其电子控制电路。运用不同的方法,控制三相反并联闸管的导通角,使被控电机的输入电压按不同的要求而变化,就可实现不同的功能。
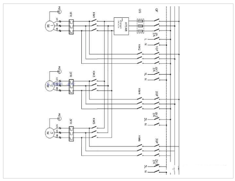
一拖三软启动器控制图 3
系统说明
该项目是某某水处理系统,该系统中有九台55KW电机,选用施耐德ATS48C11Q(55KW)软启动器。采用一拖三级联控制方式,利用西门子S7-300PLC进行集中控制,从而实现水泵的任意软启和软停。
在该系统中所有的选择、起停和故障信号均进入PLC输入端由内部程序进行处理和监控,所有接触器动作均由PLC的继电器输出进行控制,软启动器的运行信号(RUN),停止信号(STOP)和级联信号(LIX),也由PLC的继电器输出进行控制。要使该软启动器实现一拖三的级联控制,必须把ATS48的输出继电器R1设置为“r1i(隔离继电器)”把逻辑输入LI3设置为“LIC(级联控制)”,把CSC参数设置为“ON(级联功能激活)”控制原理图中(图1、图2)描述了ATS48一拖三任意软起软停的原理。
设计说明
电机1启动流程:
当选择开关打在自动位置时软启动器由上位机控制起停,现场按钮不起作用。打在手动位置时由现场按钮操作,上位机不起作用,但能监控所有状态。
当按下启动按钮时,经PLC延时后,输出一个500ms(该时间应大于100ms,小于1000ms)的脉冲信号给ATS48的RUN端,软启动器被允许启动,由于产生运行信号,ATS48内部继电器R1闭合,于是电机1的主接触器KM1闭合,软起动器按照设置的时间启动,启动结束后,软起动内部的继电器R2闭合,于是电机1的旁路接触器KM2闭合,此时KM1和KM2同时闭合,在较短时间的并列运行以后(由软起决定),R2在R1之后失电,KM1断开,电机继续由KM2供电,完成整个启动过程。同理可以任意起动电机2和电机3。
电机1停止流程:
当选择开关打在自动位置时软起动器由上位机控制起停,现场按钮不起作用。打在手动位置时由现场按钮操作,上位机不起作用,但能监控所有状态。
当按下停止按钮时,经PLC延时后,输出一个500ms(该时间应大于200ms,小于1000ms)的脉冲信号给ATS48的LI3端,软启动器级联控制被激活,软起内部继电器R1、R2闭合(R2为脉冲信号,R1保持闭合直到电机完全停下来),于是主接触器KM1闭合,软起动与正在运行的电机连接上;LI3脉冲信号的下降沿经PLC延时后,输出一个500ms(该时间应大于100ms,小于1000ms)的负脉冲信号给软起的STOP端,软起的内部继电器R2断开,于是旁路接触器KM2断开,软启动按已设置的停车时间使电机停机,停机完成后,软起内部继电器R1断开,于是主接触器KM1断开,完成整个停机过程。同理可以任意停止电机2和电机3。
图一:
图二: