新浪科技

高压绝缘检测方法与固态继电器方案

电子产品世界

关注

新能源汽车、充电桩、光伏储能等是直流高压的典型应用,在异常情况下,如线缆老化破损、接插件进水、结构受损等都有可能导致绝缘降低壳体带电的情况。高压系统正极与负极对地绝缘降低时,高压系统会通过壳体与地形成导电回路,造成接触点的热积累,严重时甚至会引发火灾。因此实时监测高压系统的绝缘性能对高压产品以及人身安全都有重要意义。

本文引用地址:

高压绝缘检测的意义

新能源汽车、充电桩、光伏储能等是直流高压的典型应用,在异常情况下,如线缆老化破损、接插件进水、结构受损等都有可能导致绝缘降低壳体带电的情况。高压系统正极与负极对地绝缘降低时,高压系统会通过壳体与地形成导电回路,造成接触点的热积累,严重时甚至会引发火灾。因此实时监测高压系统的绝缘性能对高压产品以及人身安全都有重要意义。

什么是绝缘电阻?

在一定的条件下,处于两个导体之间的绝缘材料的电阻。在电动汽车上,线束之间的良好的绝缘性能对车辆安全具有重要的影响。其中衡量电动汽车的绝缘性能的主要指标就是绝缘电阻

电动汽车相关标准要求

中国标准: 

GB/T 18384.1-2015 

电动汽车安全要求第1部分:车载可充电储能系统(REESS)

GB/T 18384.2-2015 

电动汽车安全要求第2部分:操作安全和故障防护

GB/T 18384.3-2015 

电动汽车安全要求第3部分:人员触电防护

GB/T 18384-2020  

电动汽车安全要求  (替代GB/T 18384.1、GB/T 18384.2、GB/T 18384.3)

QC/T 897-2011

国外标准:

UN GTR NO.20 (Global Technical Regulation No. 20)

触电造成的人体伤害分为电伤和电击。电伤是指人体外表局部直接或间接地受到电流的伤害,形式有灼(烧)伤、电烙印、皮肤金属化等。电击是指电流通过人体内部时,人体的内部器官(如心脏等)受到的伤害,它是最危险的触电伤害。

人体作为一个“导电体”,接触到带电导体时,如果流过的电流为40-50mA,且维持时间为1s,就会对人体产生电击伤害。人体电阻模型复杂,我国制定接地设计相关标准和规程时,给出的人体阻值范围是1000-1500 Ohm。人体能承受的交流峰值不超过42.4V ,直流电压不超过60V。

触电分为直接触电和间接触电。直接触电是指人员直接接触电气设备的正常带电导体而造成的触电。直流充电桩采取的基本绝缘设计可防止这一点。间接触电是指因电气设备的内部绝缘故障造成的、正常情况下不带电的金属外壳等外露可导电部分带有危险电压,一旦人员触及故障设备的外露导电部分时造成的触电。直流充电桩是I类设备,在交流侧可有效防止间接触电。

绝缘电阻的测量方法

包括直接法、比较法、自放电法。直接法就是直接测量施加在绝缘电阻两端的直流电压U和流过绝缘电阻的电流I,根据R=U/I计算得出。根据测量仪器的类型分为欧姆表、检流计、高阻计。比较法是指与已知标准电阻比较,常用有电桥法和电流比较法。电桥法是在直流充电桩中常用的方法。自放电法是让通过绝缘电阻的泄漏电流对标准电容充电,测出充电一定时间和标准电容两端的电压和电荷。自放电法和信号注入法类似。

平衡电桥检测法

如下图所示,其中Rp为正极对地阻抗,Rn为负极对地阻抗,R1与R2阻值相同为限流大电阻,R2与R3阻值相同为电压检测小电阻。

在系统正常时,Rp与Rn为无穷大,检测电压V1与V2电压相等,通过R1与R2分压可以算出正极电压,从而推算出总的母线电压Vdc_link。

在正极绝缘故障时,Rp阻值下降,Rp与(R1+R2)构成并联电阻,此时正极分压减少,即V1小于V2,根据基尔霍夫电流定律,通过V1与V2可以算出此时的绝缘阻抗Rp的值,关系式如下。

负极绝缘阻抗出现故障时的算法一样。

从上面可以看出,平衡电桥法适用于单极失效的情况,当正负极同时出现绝缘阻抗失效时就没办法分辨出此时的绝缘阻抗值,有可能会出现绝缘检测未能及时发现的现象。

不平衡电桥检测法

不平衡电桥法是由内部两串阻值相同的接地电阻,通过电子开关S1与S2不同开合,改变检测时所对应的接入电阻,从而计算出正负极对地阻抗。

当开关S1与S2同时闭合时,与平衡电桥法一样,可以算出母线电压Vdclink。

当开关S1闭合,S2断开时,(R1+R2)与Rp并联,然后与Rn串联构成回路,根据基尔霍夫电流定律。

当开关S1断开,S2闭合时,(R3+R4)与Rn并联,再与Rp构成串联回路,根据基尔霍夫电流定律。

因此通过上述3种开关的开合顺序,可以算出接地绝缘阻抗Rp与Rn的值。此方法需要母线电压稳定之后测得的数据才准确,同时对于开关的切换母线电压对地会有变化,需要一定时间间隔,因此检测速度稍慢一些,不平衡桥法是高压检测中比较常用的方法,这里再介绍一种绝缘检测方法。

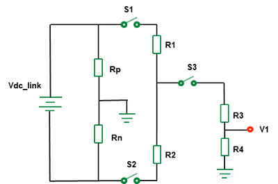
基于漏电流原理的检测

该检测方法共用一个电压采样点,对于母线电压Vdclink要单独设置采样点,可以利用系统现有的采样信号。

通过系统读取Vdclink参数。

闭合开关S1与S3,断开开关S2,此时Rp与(R1+R3+R4)并联,之后与Rn串联构成回路,根据基尔霍夫电流定律。

闭合开关S2与S3,断开开关S1,此时RN与(R2+R3+R4)并联,之后与RP串联构成回路,根据基尔霍夫电流定律。

因此通过上述3个开关的开合顺序调整,可以计算出接地绝缘阻抗Rp与Rn的值。

绝缘检测固态继电器SSR

固态继电器SSR作为半导体器件,具有尺寸小、不受磁场干扰、低驱动信号、无触点颤动、无机械老化、高可靠性等优点,广泛应用于安防市场,如被动红外检测、门锁、告警面板、门窗感应器等。以及智能电表监测,包含有功功率、无功功率、任务切换、报警输出、执行驱动、限制功耗等。同时也适用于高压绝缘检测、采样以及电压平衡等作为电子切换开关。

固态继电器部分产品系列,其中工作电压有400-800V,原边采用光耦驱动信号为2-5mA,副边采用反串联MOSFET,交直流负载都可使用,绝缘耐压3750-5000V实现良好的一二次测隔离。

加载中...