新浪科技

OBC充电器中的SiC FET封装小巧,功能强大

电子产品世界

关注

EV 车载充电器和表贴器件中的半导体电源开关在使用 SiC FET 时,可实现高达数万瓦特的功率。我们将了解一些性能指标。

本文引用地址:

引言

在功率水平为 22kW 及以上的所有级别电动汽车 (EV) 车载充电器半导体开关领域,碳化硅 MOSFET 占据明显的优势。UnitedSiCSiC FET 具有独特的 Si MOSFET 和 SiC JFET 级联结构,其效率高于 IGBT,且比超结 MOSFET 更具吸引力。不过,这不仅关乎转换系统的整体损耗。对于 EV 车主来说,成本、尺寸和重量也是很重要的因素。

设计人员可以选择在 EV 车载充电器中使用不同封装类型的半导体电源开关,包括使用 SiC FET 时,可实现高达数万瓦特功率的表贴器件。在本博客文章中,我们将探讨 SiC FET 的一些性能指标。

充电器中的SiCFET

在 EV 的典型功率水平下,即使效率超过 98%,车载充电器在高温环境下也需要耗散数百瓦特的电量。因此,我们需要进行散热,并通常采用液体冷却实现。如何将开关连接至该散热装置,优化热传递、提高良品率和降低装配成本,是一个主要的设计考虑因素。SiC FET 通常采用具有出色热性能(结点到冷却液的热阻约为1.0°C/W)的 TO-247-4L 封装,同时使用 UnitedSiC的晶圆减薄技术、银烧结芯片和陶瓷隔离器焊盘。然而,TO-247-4L 封装也存在缺点,它需要进行机械固定和通孔焊接。该封装还具有显著的封装电感和受限的爬电距离,其引脚之间还存在一定间隙。此外,该封装的 PCB 焊盘间距较小,除非导线采用复杂且成本较高的方式进行  “啮合”。

表 1:D2PAK-7L 和 TO-247-4L 进行比较。

表贴替代产品看似具有吸引力,但在 22kW 功率水平下如何?实际上,使用 UnitedSiCD2PAK-7L 器件是可行的,对性能几乎没有影响,具体取决于功率转换级。通过查看上述表 1 中封装类型之间的主要差异,我们可以了解到,除了芯片安装面积之外,D2PAK-7L 在其他方面均优于 TO-247-4L。对于焊接在绝缘金属基板上的 18 毫欧器件,D2PAK-7L 的芯片安装面积导致其结点到冷却液的整体热阻约为 1.3℃/W,相比于 TO-247-4L 封装,高 30% 左右。

在功耗给定且其他条件相同的情况下,热阻越高,结温就越高,但由于使用SMT 器件可以节省大量组装空间,可能还可以使用电阻更低的部件,这样就可以降低温度。但是,如果只使用一个 SMT 器件来满足热限制要求,Tj 就会变得非常高,所以将 SMT 器件并联是一个可行的解决方案。如果使用两个并联的 SMT 器件来取代一个 SMT 器件,那么对于两个并联 SMT 器件中每个器件的导通电阻,都是仅用一个 SMT 器件时的两倍。在这种情况下,两个并联器件中每个器件的电流都会减半,但导通电阻却会翻倍,所以功耗就是使用单个器件的一半。由于导通电阻减半,两个并联 SMT 器件的总功耗会略低于仅用一个 SMT 器件的功耗。从热学角度来看,每个器件的温度都会更低,因为当采用相同的热管理指标时(结点到环境或冷却液的热阻),每个并联器件的功耗仅为使用单个 SMT 器件时功耗的一半。理论上,每个并联 SMT 器件的温升(从环境或冷却液到结点)应为使用单个 SMT 器件时的一半。除此之外,D2PAK-7L 的封装电感更低,因此可实现更高的开关边缘速率,甚至更低的动态损耗。

使用 UnitedSiC 在线 FET-Jet Calculator™ 比较典型车载充电器在不同级的封装性能,则非常有益。“图腾柱 PFC” 级比较常见,例如在额定 6.6kW、400V 输出、75kHz、连续导通模式 (CCM) 散热/冷却液温度为 80℃ 的情况下,对一系列 TO-247-4L 和 D2PAK-7L SiC FET 的“快速开关”支路进行评估。经过评估,我们发现这两种封装的结温差在 3℃ 至 8℃ 之间,具体取决于导通电阻的等级。

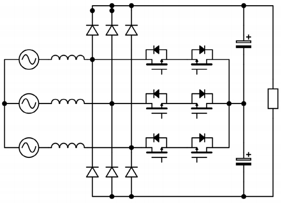
在功率更高且使用三相交流电源的情况下,“Vienna 整流器” 可在 40kHz 下与 800V 直流链路一起使用(图 1)。可以使用 750V SiC FET,如果再次比较 18 毫欧 TO-247-4L 和 D2PAK-7L 部件,我们发现,当 “半导体” 效率差异为 0.1% 时,两者的结温差只有 3℃。在这种应用中,高导通电阻部件不可避免地表现出更大的差异,且单个器件会出现不可行的温升,但如果在 22kW 功率条件下使用高价值产品,低电阻部件的成本相对于所获得的收益来说则并不是太大的开销。

D2PAK-7L 在直流/直流功率转换级可有效地取代 TO-247-4L

刚刚讨论的图腾柱 PFC 级和 Vienna 整流器级为 “硬” 开关,且频率保持在相对较低的范围,以便最大限度地减少动态损耗。OBC 中的直流/直流转换级可以是谐振或 “软” 开关转换器,比如频率更高的 CLLC 拓扑,可实现较小的磁性元件和较低的损耗,通常为 300kHz。例如,在 6.6kW 400V 直流链路和使用 18 毫欧 SiC FET 的情况下,根据 FET-Jet Calculator™ 的计算结果,TO-247-4L 和 D2PAK-7L 的单个器件损耗分别为 4.1W 和 4.2W,且由于 SMT 封装具有更低的电感,所以在使用更高频率时,理应选择该封装。

考虑系统总成本,且温升或系统效率差异极小或不存在差异时(尤其是考虑到并联的电气和机械便利性的情况下),从 TO-247-4L 封装变更为 SMT D2PAK-7L 封装是顺理成章的选择。作为 SMT 器件,SiC FET 具有出色的品质因素 (FoM) 和简单的栅极驱动,逐渐成为 EV 车载充电器应用的理想开关之选。

表贴替代产品看似具有吸引力,但在22kW 功率水平下如何?实际上,……

结论

SiC FET 的标准额定电压为 1700V,且效率比 IGBT 更高,因此比超结 MOSFET 更具吸引力,并在各级 EV 车载充电领域占据明显的优势。虽然 SiC FET 可在 TO-247-4L 封装内提供出色的热性能,但其缺点是需要进行机械固定和通孔焊接。所以,当考虑系统总成本,且对温升或效率影响极小或不存在影响时,选择使用 SMT 器件(如 UnitedSiC D2PAK-7L 封装)则是一种合理的自然发展现象。这些 SMT SiC FET 不仅可以为设计人员节省大量的电路装配费用,还可以提供一流的 FoM 和简单易用的栅极驱动解决方案,因此是 EV 车载充电器的理想开关之选。

加载中...