新浪科技

NFC天线防护应用先锋

电子产品世界

关注

Semtech是最早支持NFC防护的TVS二极管制造商之一。2014年,国内某旗舰机品牌第一次搭载NFC功能,Semtech的RClamp1851Y便凭借优异的静电防护特性和超小的0201封装,成为该NFC保护方案的独家选择。

本文引用地址:

今天,我们来介绍一下Semtech在NFC天线保护方案上的独到之处,以便大家了解我们为何能成为客户进行系统设计时的首选。

NFC简介

NFC(Near Field Communication),即“近场通信”,也叫“近距离无线通信”。这是一种短距离的高频无线通信技术,允许电子设备之间进行非接触式点对点数据传输。

NFC采用电磁耦合感应技术,电磁场频率是13.56MHz,该载波频段是全球无需许可证的波段。发起设备用13.56MHz信号激励天线,产生磁场。通过近场耦合,将能量传递给目标。目标对磁场进行调制,将数据返回给发起设备完成通信。

NFC天线的ESD防护要素

NFC技术主要应用于轻薄小巧的携带式产品上,如手机、平板、手环等。其天线通常置于电池中,通过很小的触点连接到NFC芯片。由于频繁地与人体接触,产品本身很容易受到静电放电(ESD)的冲击,一方面能量会经由NFC天线对整个NFC系统造成误动作影响,另一方面较为敏感的NFC IC可能会出现一些物理性损伤而导致产品损坏,不可恢复。因此,在NFC系统上必须要考虑必要的ESD防护。

通常我们考虑以下几点:

1. ESD防护器件的尺寸——由于应用NFC技术的这类电子产品多为轻巧,易携带,所以ESD器件应该尽可能小,最好采用0201封装,以最大程度地节省PCB空间。

2. ESD防护器件的电容值——由于应用在高频天线上,为保证信号的完整性,寄生电容不要超过1pF。

3. ESD防护器件的电压的选择——NFC天线防护常用的电压有18V/24V。

4. ESD器件的抗静电能力——要满足IEC61000-4-2 8KV的接触及15KV空气测试要求,并且有足够低的静电钳位电压,为后级电路提供最佳保护。

NFC天线的ESD防护方案

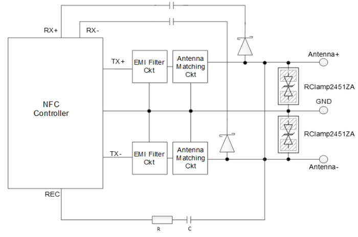
针对NFC天线,Semtech有两款明星解决方案——RClamp1851ZA和RClamp2451ZA,能为NFC天线提供最佳ESD防护。

Semtech针对NFC天线的ESD防护方案示例

RClamp1851ZA与RClamp2451ZA的参数对比

首先,我们来看看RClamp1851ZA,其前身正是本文开头提及的RClamp1851Y。它的特性详见下图。

1) RClamp1851ZA - 18V 0.35pF 0201

我们的另一款产品RClamp2451ZA同样不可小觑,其特性如下图所示。

2) RClamp2451ZA - 24V 0.35pF 0201

根据NFC芯片在天线端的电压摆幅不同,系统设计师可以灵活选择使用RClamp1851ZA或RClamp2451ZA。

NFC保护案例

以下是我们客户利用RClamp2451ZA实现NFC天线ESD防护的实际案例,供大家参考。

某手机客户在评估NFC天线的抗静电能力时,发现其无法通过8KV的接触放电测试,通过TLP工具分析该天线的抗静电能力,评估损坏点并且提供相应的ESD静电防护方案。

由TLP测试结果可知,在NFC天线电路上增加RClamp2451ZA,该系统的静电能力由3KV提高到15KV,完全符合8KV的防护需求,并且留有充足的裕量。

加载中...