碳化硅肖特基二极管在光伏逆变器的应用
电子产品世界
在全球推进清洁与可再生能源的伟大征程中,光伏发电行业一路蓬勃发展。根据国家能源局发布的全国电力工业统计数据显示,2022年全国太阳能发电装机容量同比增长率以28.1%居于发电行业首位,累计装机容量达3.9亿千瓦。
本文引用地址:
在光伏系统中,光伏逆变器是光伏发电系统的核心部件,可将光伏(PV)太阳能板产生的可变直流电压转换为市电频率交流电(AC),用以反馈回商用输电系统,或是供离网的电网使用。随着功率等级的不断提高,以及整机体积的增加,光伏逆变器对功率器件的规格和散热要求也越来越高。相比于传统硅材料,碳化硅性能更为优越,因此碳化硅功率器件在光伏逆变器的使用越来越广泛。其中,碳化硅肖特基二极管无反向恢复电流,被广泛应用于光伏逆变器中的MPPT电路中,可显著减小损耗,优化散热,降低成本。
本文将重点介绍碳化硅材料和碳化硅功率器件在光伏逆变器中的应用优势。
01 碳化硅材料特性及优势介绍
碳化硅作为宽禁带半导体的代表性材料之一,其材料本征特性与硅材料相比具有诸多优势。以现阶段最适合用于做功率半导体的4H型碳化硅材料为例,其禁带宽度是硅材料的3倍,热导率是硅材料的3倍,电子饱和漂移速率是硅的2倍,临界击穿场强更是硅的10倍。在硅基半导体器件性能已经进入瓶颈期时,碳化硅材料的优异特性让它成为了下一代功率半导体器件的理想原材料。
图1 4H型碳化硅与硅基材料特性对比
在硅基半导体器件性能已经进入瓶颈期时,碳化硅材料的优异特性让它成为了下一代功率半导体器件的理想原材料。以光伏行业为例,碳化硅功率器件能为光伏逆变器带来更高的转换效率、更低的能量损耗,从而有效缩小系统体积、增加功率密度、延长器件使用寿命、降低生产成本等。
02 碳化硅肖特基二极管在光伏逆变器中的应用优势
对比硅的快恢复二极管,碳化硅肖特基二极管在BOOST电路中的应用具有很大的优势,由于碳化硅肖特基二极管是肖特基结构,且是多数载流子导电器件,不存在少数载流子寿命和反向恢复问题,因此碳化硅肖特基二极管可以降低对应换流回路中的开关损耗,在更高的频率环境中工作,且在相同工作频率下具有更高的效率。
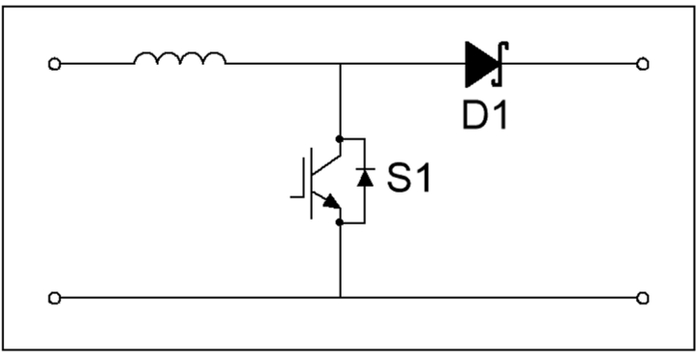
在光伏逆变器中,碳化硅肖特基二极管主要用于BOOST电路,如图2所示拓扑为Single Boost,是光伏逆变器中使用较为广泛的拓扑,拓扑中的D1在使用碳化硅肖特基二极管时,可以降低对应换流回路中开关管的开关损耗,降低温升,从而减小散热器的体积,可以提高频率,减小磁性元器件的体积,降低成本。
随着光伏逆变器功率越来越高,碳化硅肖特基二极管的应用优势得到了各大主流光伏逆变器厂商的一致认可,光伏行业成为目前碳化硅肖特基二极管使用量最大的市场之一。
图2 Single Boost拓扑
03 产品推荐
随着光伏逆变器功率的提高与光伏组件的迭代,光伏逆变器中选用的碳化硅器件的规格也在不断提升,对器件的浪涌能力、击穿电压、雪崩能量以及正向电流等参数要求都在变高。
基本半导体面向光伏及储能领域推出了碳化硅肖特基二极管、碳化硅MOSFET和碳化硅功率模块三类产品。其中碳化硅肖特基二极管已经在工商业光伏逆变器、组串式光伏逆变器、微型光伏逆变器领域广泛应用。以下是基本半导体自主研发的适用于1000V、1500V光伏逆变器系统的碳化硅肖特基二极管型号:
表1 基本半导体碳化硅肖特基二极管Boost方案器件选型
04 结语
碳化硅功率器件的诸多优势,使其在光伏储能、电动汽车、轨道交通、工业控制、智能电网等领域均有广泛应用。随着光伏行业的快速发展,碳化硅器件在光伏逆变器的应用不仅限于碳化硅肖特基二极管,在光伏逆变器的逆变部分,碳化硅MOSFET的应用也越来越多,基本半导体“SiCer小课堂”后续也将会推出相关文章介绍,敬请关注。