新浪科技

一辆腾势敢占两个充电桩:真不怕挨揍?

快科技官方

关注

下面这个一车插俩枪的图,可能不少人也刷过,这是前段时间腾势 D9 在 EV 车型上搞的双枪充电技术。

双枪,有点小骚啊。

之前国庆那会几辆新能源车车主为了抢桩直接干架了,你这倒好,一车占俩不是找打么。

不过占桩归占桩,它这确实不是随便插着玩的。腾势 D9 有两个直流快充口,每个单拎出来可都有 166 kW ,其实不算低,那为啥还要两头插呢?

来,看个数据。

根据统计,目前的公共充电桩中功率低于 150 kW 的占到了 71% ,也就是说在普通充电桩上根本够不到 D9 充电的上限。

如果去普通桩( 120 kW )上,把车充满得花上接近两个小时。

但如果你用双枪同时充电,在普通公共充电桩上就可以实现 166 kW 的充电功率,从 30%-80% 充电时间为 30 分钟。

不仅节约了时间,关键是不用挑桩。

上周我就整了一辆腾势 D9 实际试了一把,在快没电的状态,用单枪充需要大概 1 小时 50 分钟才能充满,而插上双枪, 50 分钟就满电了。

另外,充电快还会带来一个 “ 隐形 ” 福利。

开电车的肯定知道,你去公共桩充满电了最好赶紧把车开走,不然占桩费还有点小贵的。

我上次去的杭州一个商场里,占桩费要收你 1 元 / 分钟。

如果要两个小时充满,大家可能就会去附近逛逛,那难免不出现超时占桩的情况。

如果 50 分钟就能充满,你都不用离开车里,直接来两把农药就行,占桩也就不用担心了。

由此可见,双枪基本上是成倍的提升。

之前有媒体实测的数据显示,同样是在 120 kW 的公共充电桩上充电,腾势 D9 用双枪从 8% 充到 95% 只用了 43 分钟,比所谓的 800 V 高压平台车型还要快。

不过仔细想想,你用两根枪充,也该有这样的效果。

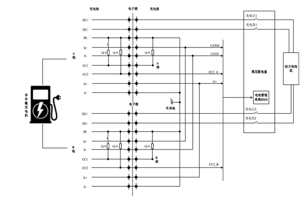
双枪充电的流程本质上和单枪没啥差别,就是把车右边的充电装置复制一套到左边去,然后在高压配电盒内上加一个电流合流的部件。

两边并联在一起,电压相同,电流提升,充电功率自然就增加了。

说白了,充电就像往游泳池里注水,用一根管子加水太慢的话,咱再增加一根管子,双管齐下这速度不就上来了么。

其实,这个想法并不是腾势 D9 的首创。

双枪充电一开始是用在大巴、卡车等这些商用车上的。早在 2017 年,比亚迪的 K8 电动客车就支持双枪充电了,而后在叉车、重卡等车型上双枪都是基本操作。

毕竟对商用车而言,充得快比跑得远更重要。

搞了这些年,可以说这套双枪充电也比较成熟了,所以这回比亚迪就把商用车的技术下放到 MPV 上。

至于放在乘用车上究竟有多难,咱不太好说( 虽然比亚迪说挺难的 ),但这套快充却是实打实要花点银子的,根据腾势销售事业部总经理赵长江的说法,D9 用的双枪比单枪整车成本要贵小一万。

实际上,这两年,各家车企为了提升充电效率也没少花银子,比如小鹏去年发布的 G9 ,是国内第一个搭载 800V 高压 SiC 平台的车型。

G9 的最大充电功率能达到 480 kW ,官方数据更是说10%-80% 充电时间不到 15 分钟。

参数是妥妥拉爆了,但这背后的成本也是在猛涨,电压的提升就需要更耐压的 SiC 半导体。根据中金公司的测算,一辆车升级到 SiC 成本会增加 3000 元。

然而,半导体仅仅是一个方面,整车电气架构涉及到的三电系统、 BMS 系统、继电器、线束等等都要来一波大升级的。

问题是,一样是花了一大笔钱,但类似的技术和双枪比起来,你会发现,还差一个专门的超充桩。

小鹏 G9 的 15 分钟极速充电必须去他自建的 S4 超快充站才能享受到,在普通桩上就拿不出这么极限的速度了。

而根据官方披露的数据,小鹏大本营广州目前共有 7 座 S4 超快充站,我在的杭州只有 3 座。

现在的充电站密度,你说要让 G9 用户都能感受到 800 V 所带来的提升,那肯定还远远不够。

充电站的铺设,本身也是一个耗时耗力的大工程。

要说小鹏 G9 和腾势 D9 ,这俩谁在快充上砸钱更多,不太好判断,但从消费者角度看,腾势在普通充电桩上就能实现最快的速度,给用户带来的感知确实会更明显。

这么看来,以后也不排除会有其他车企跟进双枪的玩法,不过,还是要友情提醒一下,双枪虽然爽,但用的时候人最好一直在车上,要不然这 “ 一车占俩桩 ” 的做法,是容易挨揍的。

责任编辑:上方文Q

加载中...