新浪科技

华为公布“超导量子芯片”专利

C114通信网

关注

C114讯 11月14日消息(南山)据国家知识产权局中国专利公布公告(申请公布号:CN115271077A)显示,华为技术有限公司“超导量子芯片”专利于11月1日公布。

此外据天眼查App显示,11月1日,华为技术有限公司“超导量子芯片”专利公布。

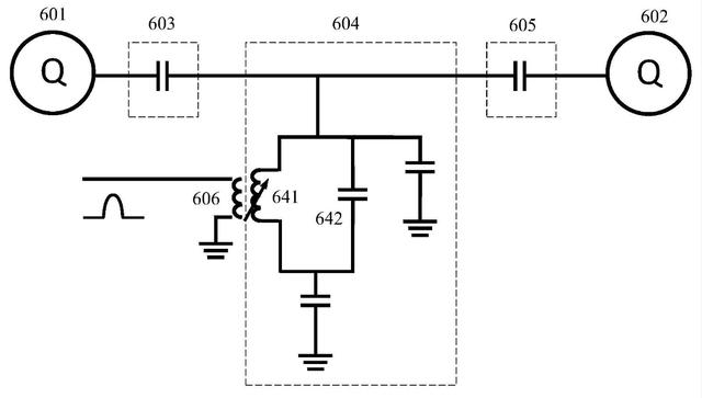
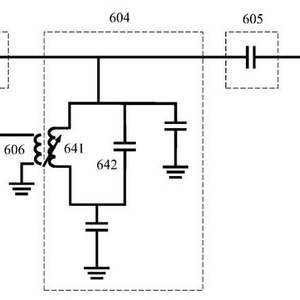
摘要显示,本发明公开的超导量子芯片包括耦合器和控制器;耦合器用于耦合第一超导比特电路和第二超导比特电路,耦合器的频率响应曲线包括至少一个相位反转点,相位反转点包括频率响应曲线的谐振点或极点;控制器用于调整耦合器的频率响应曲线,使得第一和第二超导比特电路的比特频率之间包含奇数个相位反转点;并进一步调整相位反转点的频率,使得第一和第二超导比特电路的交叉共振效应的等效相互作用为零。本发明实施例降低了量子比特之间的串扰。

此前在今年6月,华为公布了“一种量子芯片和量子计算机”专利。

资料显示,IPRdaily与incoPat创新指数研究中心近期联合发布“全球量子计算技术发明专利排行榜(TOP100)”,对截至2022年10月18日在全球公开的量子计算领域发明专利申请数量进行统计排名,华为以50件量子专利排名全球第50位,中国第25位。

加载中...