新浪财经 期货

农业机械报废更新政策解读

黑龙江省大豆协会

关注

近期,为加快老旧农业机械报废更新进度,推进农业机械装备更新换代,促进农机安全生产和节能减排,根据《关于加大工作力度持续实施好农业机械报废更新补贴政策的通知》(农办机〔2024〕4号)《黑龙江省推动大规模设备更新和消费品以旧换新实施方案》(黑政发〔2024〕9号)等有关文件要求,省农业农村厅、省财政厅联合印发了《黑龙江省老旧农业机械报废更新行动方案》。最新的农业机械报废更新补贴政策中,补贴机具有哪些?如何申领补贴?一系列农民朋友们关心的问题,我们为您解答!

1.农机报废更新方案实施范围?

答:在全省各县(市、区)范围内实施(北大荒农垦集团单独执行)。

2.农机报废更新的补贴对象?

答:从事农业生产的农民和农业生产经营组织,农业生产经营组织包括农村集体经济组织、农民专业合作经济组织、农业企业和其他从事农业生产经营的组织。

3.农机报废更新的补贴种类?

答:拖拉机、播种机、联合收割机、水稻插秧机、农用北斗辅助驾驶设备、机动喷雾(粉)机、机动脱粒机、饲料(草)粉碎机、铡草机。

4.农机报废条件有哪些?

答:(1)拖拉机和联合收割机应当主要部件齐全(发动机、变速箱、转向器、前后桥、机架/机身),具有铭牌或出厂编号、车架号、发动机号等农业机械身份信息。如铭牌丢失,无车架号、发动机号,由当地农业农村部门统一编码。已注册登记的,机主需要提供我省拖拉机和联合收割机行政许可机构核发的牌证;未注册登记的,应来源合法,机主就来源、归属等作出书面承诺。严重残缺、改装拼装、来历不明的农业机械,不予受理。

(2)报废农业机械的使用年限等技术条件参照《农业机械报废年限表》。

(3)对未达报废年限但安全隐患大、故障发生率高、损毁严重、维修成本高的农业机械,经机主书面申请可提前办理报废,并申请报废补贴。

(4)个人年度内享受报废补贴的农业机械数量不多于2台,农业生产经营组织年度内享受报废补贴的农业机械数量不多于5台。

5.农机报废更新补贴资金如何安排?

答:农机报废更新补贴由报废部分补贴与更新部分补贴两部分构成。黑龙江省老旧农业机械报废补贴资金,从各县(市、区)农机购置与应用补贴资金中统筹安排,按照国家下达我省的老旧农业机械报废补贴资金额度,采取因素法明确各县(市、区)资金额度。各县(市、区)可优先使用老旧农业机械报废补贴资金额度,如资金不足可统筹使用农机购置与应用补贴资金,报废补贴资金总额不超过下达农机购置与应用补贴资金总额10%。选择确定5个县(市、区)作为试点,加快报废更新工作进度,试点县份报废补贴资金总额不超过下达农机购置与应用补贴资金总额20%。在此基础上,各县(市、区)需要调整报废补贴资金额度的需农财两部门逐级申请,在年度农机购置与应用补贴资金没有缺口的情况下可以调整。

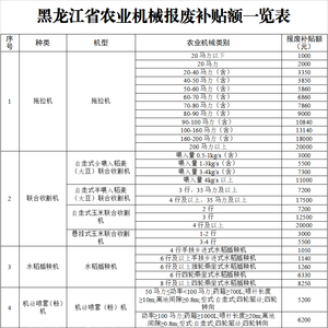
6.农机报废的补贴标准?

答:

7.报废农机回收拆解企业的范围?

答:具备资质的报废机动车回收拆解企业、依法具有环保资质并具有农业机械回收拆解经营能力的维修企业和符合条件的再生资源回收利用企业等。对于农用北斗辅助驾驶系统,按照农财两部文件要求,需对回收企业资格进行单独审查,确定回收企业。

8.各县(市、区)如何确定报废农机回收拆解企业?

答:拟从事报废老旧农业机械回收拆解的回收企业向当地县(市、区)农业农村部门提出申请,县(市、区)农业农村部门确定后,由市(地)农业农村部门统一报省农业农村厅备案,省农业农村厅向社会公布。没有符合条件回收企业的县(市、区)可与相邻县(市、区)协商或经市(地)农业农村部门协调确定回收企业。

9.如何确定报废农机的残值价格?

答:回收企业要结合申请报废农业机械实际情况和市场行情,与农户进行协商,按照公平交易原则,形成合理的农机残值价格。县级农业农村部门要加强对农机拆解企业回收工作的指导,确保农机残值价格保持在合理区间。

10.农机报废补贴申请有哪些流程?

答:(1)申请报废。机主将身份证件复印件,人机合影照片,申报资料,包括《农业机械报废确认表》、《报废农业机械来源归属承诺书》等,报送到当地农业农村部门申请报废(可由村级代办),农业农村部门登记机主及拟报废的农业机械信息,建立台账。

(2)农业机械审核。①机主将拟报废的农业机械交售给回收企业或村级代收。②回收企业核对机主和拟报废的农业机械信息,拍摄机主与整机合影照片,拍摄并拓印机架号,拍摄整机铭牌等照片,喷涂放大标识,对其真实性和唯一性负责。③农业农村部门接到申请后应尽快组织人员到报废现场开展现场核验工作。

(3)农业机械拆解。核验完毕的机具,回收企业要对农业机械主要部件的破坏性处理,拆解全程要录像监控,要提供人机合影、拆前、拆中、拆后4张照片,拆后的照片要有主要部件拆后的状况。农业农村部门要对农业机械拆解实行严格监管,定期到现场查验及调取查看监控录像。在确认农业机械按规定拆解完成后,核验人员在《农业机械报废确认表》上签字盖章,如拆解的是牌照管理机具,在系统中同时进行注销。

(4)兑付补贴。回收企业将《确认表》和相关资料返还到当地农业农村部门审核,相关资料审核通过后,在农机购置补贴系统信息公示栏进行公示,公示时间不少于5个工作日。鼓励在乡村或补贴申请点公示栏中同时公开公示信息。公示无异议后,农业农村部门将农业机械报废补贴相关材料提交财政部门审核,财政部门审核无异议后,按规定向符合要求的机主兑付补贴资金。

(5)登记建档。农业农村部门和回收企业应同时建立拆解档案,拆解档案应当包括铭牌或编号、拆解录像和其它能体现农业机械身份的原始资料、照片、拓印等,拆解档案保存期不少于3年。

加载中...