原油概况
新浪财经
一.原油的一般性质及其组成
原油是指从地下天然油藏直接开采得到的液态碳氢化合物或其天然形式的混合物,通常是流动或半流动的粘稠液体。世界各产油区所产原油的性质和外观都有不同程度的差别。从颜色上看,绝大多数是黑色,但也有暗黑、暗绿、暗褐,甚至呈赤褐、浅黄、无色等;以相对密度论,绝大多数原油介于0.8~0.98之间。原油大多具有浓烈的气味,这是因为其中含有有臭味的含硫化合物的缘故。原油的主要元素为碳、氢、硫、氮、氧及微量元素。其中,碳和氢约占96%~99%,其余元素总含量一般不超过1%~4%,上述元素都以有机化合物的形式存在。
组成原油的有机化合物为碳、氢元素构成的烃类化合物,主要是由烷烃、环烷烃和芳香烃以及在分子中兼有这三类烃结构的混合烃构成。原油中一般不含烯烃和炔烃,但在某些二次加工产物中含有烯烃。除了烃类,原油中还含有相当数量的非烃类化合物。这些非烃类化合物主要包括含硫、含氧、含氮化合物以及胶状、沥青状物质,含量可达10%~20%。原油是一种多组分的复杂混合物,其沸点范围很宽,从常温一直到500℃以上,每个组分都有各自的特性。但从油品使用要求来说,没有必要把原油分成单个组分。
通常来说,对原油进行研究或者加工利用,只需对其进行分馏即可。分馏就是按照组分沸点的差别将原油“切割”成若干“馏分”。馏分常冠以汽油、煤油、柴油、润滑油等石油产品的名称,但馏分并不就是石油产品。石油产品必须符合油品的质量标准,石油馏分只是中间产品或半成品,必须进行进一步的加工才能成为石油产品。原油及其产品主要性能指标原油及其产品的性能指标包括密度、粘度、凝固点、胶质和沥青质、硫含量、蜡含量、析蜡点、水含量、酸值、闪点、比热、爆炸极限等。对原油而言,物理性质是评定原油产品质量和控制原油炼制过程的重要指标。
密度
原油的密度即单位体积原油的质量,一般情况下,密度低的原油轻油收率较高。因油品的体积会随温度的升高而变大,密度则随之变小,所以油品密度应标明温度。我国国家标准(GB/T 1884)规定20℃时的密度为石油和液体石油产品的标准密度,以ρ20表示。油品的相对密度是其密度与规定温度下水的密度之比。油品在t℃时的相对密度通常用d4表示,我国及东欧各国常用的相对密度是d4℃ ;(即20℃油品密度与4℃水的密度值比)欧美各国常用的相对密度是d60℉(其中:60℉=15.6℃),即 60℉油品密度与60℉水的密度之比。欧美各国常采用比重指数表示油品密度,也称为60℉ API度,简称API度,并以此作为油品标准密度。与通常密度的概念相反,API度数值愈大表示密度愈小。
目前,国际上把 API度作为决定原油价格的主要标准之一,它的数值愈大,表示原油愈轻,价格相应愈高。
粘度
原油粘度的表示和测定方法很多,各国有所不同。我国主要采用运动粘度和恩氏粘度,英美等国大多采用赛氏粘度和雷氏粘度,德国和西欧各国多用恩氏粘度和运动粘度。国际标准化组织(ISO)规定统一采用运动粘度。在此仅对运动粘度做一简要介绍。
原油的运动粘度是其动力粘度与密度之比。
动力粘度的国际单位制(SI)单位为帕•秒(Pa•s),厘米克秒单位制(CGS,一种国际通用的单位制式,即Centimeter-Gram-Second system ofunits)单位为泊(P)和厘泊(cP),其换算关系为:
1Pa•s=10P=10^3cP
运动粘度的SI单位为m2/s或mm2/s,CGS制为斯(St),1/100斯称为厘斯(cSt),如180cSt燃料油就是运动粘度为180厘斯的燃料油。单位间的换算关系为:
1m^2/s=10^6mm^2/s=10^6cSt
粘度是衡量原油流动性能的指标,原油粘度随温度升高而减小。在易凝高原油或重质燃料油的输送过程中,为保持其良好的流动性,通常需进行加热。
低温性能
油品的低温性能是重要的质量标准之一,它直接影响油品的输送、储存和使用条件。油品低温性能有多种评定指标,如浊点、结晶点、冰点、凝点、倾点、冷滤点等。其中凝点和倾点是原油的重要低温指标。凝点是指在规定的热力条件和剪切条件下,油品冷却到液面不移动时的最高温度。倾点是指在规定的试验条件下,油品能够保持流动的最低温度。原油的凝点大约在-50℃~35℃之间,其数值的高低与原油中的组分含量有关,轻质组分含量高,凝点低,重质组分含量高,尤其是石蜡含量高,凝点就高。
燃烧性能
油品绝大多数都是易燃易爆的物质,其闪点、燃点和自燃点等指标越低,容易燃烧,这些指标是表征油品火灾危险性的重要指标,对于确保原油及其产品在储存、运输等环节的安全具有重要意义
硫含量
原油及其产品几乎都含有不同浓度水平的含硫化合物。含硫化合物对原油加工及其产品应用的危害是多方面的,如腐蚀金属设备及管道、造成催化剂中毒、影响产品质量等。因此,限制油品中的硫含量具有重要意义,在原油进行深加工前通常对其进行脱硫处理,从而降低各种产品中的硫含量。
溶解性
原油不溶于水,但可与水形成乳状液;可溶于有机溶剂,如苯、香精、 醚、三氯甲烷、四氯化碳等,也能局部溶解于酒精之中。
二.原油分类
原油通常可以从工业、化学、物理或地质等不同角度进行分类,一般倾向于工业(商品)分类和化学分类。
工业(商品)分类
工业(商品)分类的根据很多,如分别按密度、含硫量、含氮量、含蜡量和含胶质量分类等。国际石油市场上常用的计价标准是按比重指数API度分类和含硫量分类的。
按照国际上通行的分类标准,超轻原油API≥50,轻质原油35≤API<50,中质原油26≤API<35,重质原油10≤API<26。不同国家和公司对密度的划分标准可能会有所差异,现实中并不完全机械地遵循这些标准,往往还会考虑定价基准等其他因素。我国大庆、胜利、辽河、大港等原油属于中质原油;孤岛原油、乌尔禾稠油属于重质原油;辽河油田曙光一区原油和孤岛个别油井采出的原油属于特重质原油。
化学分类
原油的化学分类以原油的化学组成为基础,通常采用原油某几个与化学组成有直接关系的物理性质作为分类依据。
1、特性因数分类
原油特性因数K是根据相对密度和沸点组合成的复合常数,能反映原油的化学组成性质,可对原油进行分类。
2、关键馏分特性分类
关键馏分特性分类法以原油的两个关键馏分的相对密度为分类标准。其中两个关键馏分是把原油在特定设备中,按规定条件进行蒸馏,分别在250~275℃和395~425℃取得。
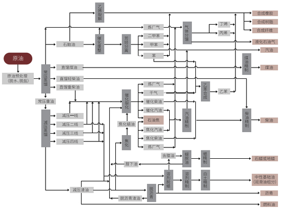
三.原油加工
通常将原油加工分为一次加工和二次加工。
一次加工过程是根据不同组分的沸点不同将原油用蒸馏的方法分离成轻重不同馏分的过程,常称为原油蒸馏,它包括原油预处理、常压蒸馏和减压蒸馏。一次加工产品可以分为:(1)轻质馏分油,指沸点在约370℃以下的馏出油,如汽油馏分、煤油馏分、柴油馏分等;(2)重质馏分油,指沸点在370~540℃左右的重质馏出油,如重柴油、各种润滑油馏分、裂化原料等;(3)渣油(常压重油,减压渣油)。
二次加工过程是对一次加工过程产物的再加工。主要是指将重质馏分油和渣油经过各种裂化生产轻质油的过程,包括催化裂化、加氢裂化、石油焦化等。另外,还包括催化重整和石油产品精制
四.石油产品及其主要用途
石油产品是以石油或石油某一部分作原料直接生产出来的各种商品的总称,一般不包括以石油为原料合成的石油化工产品,主要分为六大类:燃料、润滑剂、石油沥青、石油蜡、石油焦、溶剂和化工原料。燃料主要包括汽油、柴油和航空煤油等发动机燃料以及灯用煤油、燃料油等。我国的石油燃料约占石油产品的80%,其中的六成左右为各种发动机燃料。润滑剂品种达百种以上,但仅占石油产品总量的5%左右。溶剂和化工原料包括生产乙烯的裂解原料、石油芳烃及各种溶剂油,约占石油产品总量的10%左右。石油沥青、石油蜡和石油焦约占石油产品总量的5%~6%。
五.国内外石油市场概况
在20世纪的前70年里,尽管存在着两次世界大战以及一些世界性的冲突,但是石油价格还是相当稳定的,西方跨国石油公司通过“租让协议”控制中东地区绝大部分石油资源,进而控制石油价格。1960年石油输出国组织欧佩克(OPEC)的成立标志着当时西方世界石油价格的控制权开始逐渐向OPEC转移。20世纪70年代在沙特阿拉伯和伊朗先后爆发了石油危机,石油价格开始随着OPEC对石油供应的控制而大幅上涨。20世纪80年代,非OPEC石油生产国的石油产量逐渐超过了OPEC产量,全球石油出现供应过剩的局面,随之油价暴跌的“反向石油危机”标志着OPEC单方面决定石油价格的格局逐步瓦解,世界石油市场进入了以市场供需为基础的多元定价阶段。随着国际油价的波动加剧,市场产生了规避价格风险的强烈需求。在这样的背景下,国际石油期货市场发展起来,20世纪90年代以来,石油期货市场发展迅速。
六.国际石油市场概况
世界石油资源分布
世界石油资源的分布总体来看极端不平衡:从东西半球看,约3/4集中于东半球,西半球占1/4;从南北半球看,主要集中于北半球;从纬度分布看,主要集中在北纬20°~40°和50°~70°两个纬度带内。波斯湾及墨西哥湾两大油区和北非油田均处于北纬20°~40°内,该带集中了51.3%的世界石油储量;50°~70°纬度带内有著名的北海油田、俄罗斯西伯利亚油区、伏尔加—乌拉尔油区等。
随着石油勘探新技术的运用以及石油需求的增加,世界各个国家和地区石油探明储量呈现逐年增长的趋势。
从历年来看,由《BP世界能源统计年鉴2017》的数据可知,2006年的探明储量为1.4万亿桶,2016年的探明储量为1.7万亿桶,10年间年均增长2.3%,增幅显著。
从地区来看,已探明石油储量中,地区分化比较严重,其中中东地区储量为0.81万亿桶,占全球总储量的47.7%;整个欧洲和欧亚大陆的储量为0.16万亿桶,占全球总储量的9.5%;中南美洲和非洲的储量分别为0.33万亿桶和0.13万亿桶,各占19.2%和7.5%;北美0.23万亿桶,占13.3%;亚太地区只有0.048万亿桶,占比为2.8%。增长速度最快的是中南美洲地区,近10年年均增长达19.7%。
从国家来看,截至2016年底,委内瑞拉已探明总储量达到3009亿桶,占世界储量的17.6%,其拥有世界上最大的重油蕴藏区——奥里诺科重油带。其次是沙特阿拉伯和加拿大,占比分别为15.6%和10.0%,其中加拿大阿尔伯特省北部的油砂储藏属于非常规原油矿藏,但占整个加拿大原油矿藏的96.4%以上。已探明总储量世界排名前五的国家还包括伊朗和伊拉克。根据《BP世界能源统计年鉴2017》,我国已探明储量为257亿桶,占全球储量的1.5%。近年来,随着非常规油气资源开采技术的进步,特别是以美国页岩油气、致密岩性油气资源为代表的非常规能源的勘探开发正在改变全球能源供应格局。
七.世界石油生产与消费
世界石油产量及其分布
世界石油生产和消费量总体呈现逐年增长的趋势,根据《BP世界能源统计年鉴2017》,2016年世界石油日产量为9215万桶/日,较2015年的9170万桶/日增长0.5%;较2006年的8249万桶/日增长了11.2%;较1996年的6985万桶/日增长了31.3%。从1997年到2016年的20年间,世界石油总产量年均增长1.4%。其中2009年的日产量为8122万桶/日,较2008年的8289万桶/日下降约2.0%,是全球经济危机造成需求减少的结果。
从区域来看,世界石油产量主要集中在中东、北美、欧洲及欧亚大陆,2016年这些地区的石油日产量分别为3179万桶/日、1927万桶/日、1722万桶/日,分别占世界总量的34.5%、20.9%、19.2%。
从各个国家2016年的石油产量来看,美国、沙特阿拉伯、俄罗斯、伊朗、伊拉克、加拿大和阿联酋,其石油日产量合计为5353万桶/日,约占世界总产量的58.1%。
世界石油消费现状
从消费量来看,2016年世界石油消费量最多的五个国家分别为美国、中国、印度、日本、沙特阿拉伯,日消费石油共计4444万桶/日,约占世界消费量的46.0%。其中,美国是世界第一大石油消费国,2016年日消费石油1963万桶/日,约占世界消费量的20.3%;石油消费增长最快的是中国,目前已跃居世界第二大石油消费国,日消费量由2006年的743万桶/日增长到2016年的1238万桶/日,10年年均增长6.1%。
从图中可以看出,所列年份世界石油消费量均大于产量,这是由于在世界石油供需平衡中库存量的调节起到了很大作用。2016年,全球石油消费量日增长155.5万桶/日,增速为1.6%,低于2015年190万桶/日。经合组织国家是消费相对强劲增长的主要原因,其消费增长43万桶/日,远高于近十年为0.9%的平均增幅。美国和欧洲的消费增长都远高于其近年均值:美国日均增长43万桶/日,增长2.2%;欧洲日均增长16万桶/日,增长0.9%。日本石油消费日均减少10万桶/日,降幅为-2.5%。非经合组织国家中,石油净进口国家出现显著增长:中国日均增长40万桶/日,增长3.3%,再次成为最大需求增量来源国,印度日均增长33万桶/日,增长7.8%,超越日本成为世界第三大石油消费国。但这被来自石油生产国的缓慢增长所抵消,非经合组织国家的总石油增长率为2.6%,低于近年的历史均值。全球石油产量增速连续两年超过全球石油消费增速,达45万桶/日,增长0.5%。伊拉克和沙特阿拉伯产量均升至历史最高值,日均增长分别为45万桶/日、123万桶/日,使得欧佩克国家石油产量日均增长123万桶/日,至3936万桶/日,超过了2015年创下的纪录。非欧佩克国家的产量增速比2015年创下的纪录有所放缓,下降了78万桶/日。其中俄罗斯的增幅最大,达到25万桶/日。
八.国际主要原油期货交易所
目前国际上有12家交易所推出了原油期货。 芝加哥商品交易所集团旗下纽约商业交易所(NYMEX)和洲际交易所(ICE)为影响力最大的世界两大原油期货交易中心,其对应的WTI、布伦特两种原油期货也分别扮演着美国和欧洲基准原油合约的角色。另外,迪拜商品交易所(DME)上市的阿曼(Oman)原油期货也是重要的原油期货基准合约。
其他上市原油合约还有:印度大宗商品交易所(MCX)的WTI、布伦特原油;印度国家商品及衍生品交易所的布伦特原油;日本的东京工业品交易所(TOCOM)的中东原油; 莫斯科交易所(MOE)的布伦特原油;圣彼得堡国际商品交易所(SPIMEX)的乌拉尔(Urals)原油;新加坡商品期货交易所(SMX)的WTI原油;泰国期货交易所(TFEX)上市的布伦特原油;阿根廷的罗萨里奥期货交易所(ROFX)的WTI原油;南非的翰内斯堡证券交易所(JSE)上市的原油期货等。
九.国际原油价格
2016年,国际油价总体“前低后升”。上半年呈触底反弹走势,下半年国际油价总体呈震荡走势。年初油价反弹主要因产油国“冻产”的提出而拉开序幕,冻产协议流产后尼日利亚、加拿大等国意外供应中断的情况多发为油价上涨提供动力。下半年市场供应过剩忧虑依旧重压油价。11月底,欧佩克达成八年来首份限产协议,12月上旬,欧佩克与非欧佩克达成2001年以来首份联合减产协议,受此支撑,国际油价于12月中旬创下2015年7月底以来最高。布伦特和WTI原油期货全年均价分别为45.13美元/桶和43.47美元/桶,同比分别下降15.8%和10.9%,年底油价比年初低点上涨一倍,二者价差进一步收窄。
十.我国石油市场概况
我国石油资源分布
我国石油资源集中分布在渤海湾、松辽、塔里木、鄂尔多斯、准噶尔、珠江口、柴达木和东海陆架八大盆地,可采资源量为172亿吨,占全国的81.13%。从资源深度分布看,我国石油可采资源有80%集中分布在浅层(<2000米)和中深层(2000米~3500米),而深层(3500米~4500米)和超深层(>4500米)分布较少。从地理环境分布看,我国石油可采资源有76%分布在平原、浅海、戈壁和沙漠。从资源品位看,我国石油可采资源中优质资源占63%,低渗透资源占28%,重油占9%。
在我国,中石油、中石化及中海油旗下都有数个大油气田。其中隶属中石油的有:大庆油田、长庆油田、延长油田、新疆油田、辽河油田、吉林油田、塔里木油田等;隶属中石化的有:胜利油田、中原油田、江汉油田等;隶属中海油的有:渤海油田等。
我国原油生产与消费
我国的原油生产主要集中在东北、西北、华北、山东和渤海湾等地区,消费则覆盖全国,中心主要集中在环渤海、长江三角洲及珠江三角洲等地区。
目前我国原油主要消费在工业部门,其次是交通运输业、农业、商业和生活消费等部门。其中,工业石油消费占全国石油消费总量的比重一直保持在50%以上;交通运输石油消费量仅次于工业,占25%左右。
根据《BP世界能源统计年鉴2017》,2004年至2016年,我国原油产量 从1.74亿吨上升至2.00亿吨,年均增长1.15%,为世界第八大产油国;原油消费量从3.23亿吨上 升至5.79亿吨,年均增长4.97%,目前为世界第二大石油消费国。
1993年我国成为石油产品净进口国,1996年成为原油净进口国。随着国内需求的不断增加,原油进口量也在逐年攀升。
据中国海关数据统计,2004年至2016年,我国原油进口量从1.23亿吨上升至3.81亿吨,年均增长9.87%,目前,我国已成为仅次于美国的全球第二大原油进口国。2016年,位列前十的原油进口来源国为:俄罗斯、沙特、安哥拉、伊拉克、阿曼 、伊朗、委内瑞拉、巴西、科威特以及阿联酋。 其中,来自中东的原油进口增长了7.5%,达到1.83亿吨,占到了总进口量的 48.03%。
上世纪九十年代以前,原油出口曾是我国出口创汇的重要商品。随着我国经济发展对石油需求的增长,自九十年代中期以来原油出口逐步减少。根据《BP世界能源统计年鉴2017》,2016年我国累计出口原油 289万吨,同比增长60.6% 。
十.我国炼油情况
我国炼油能力
据安迅思调查数据显示,截至2016年底,我国国内217家炼厂(包含地方炼厂)合计一次原油加工能力达到7.85亿吨/年,同比增加2.55%。目前我国的总炼油能力仅次于美国,占到全球炼油能力的16%。若不计地方炼厂(指无稳定原油油源和稳定开工率的炼厂),我国主营炼厂的一次加工能力为5.58亿吨/年(11.16百万桶/天), 总炼能同比有所下降,占到全球炼油能力的11.5%。此外,合计135家地方炼厂一次加工能力在2016年底达到2.27亿吨/年,同比继续增长10.96%,占到我国总炼能的28.9%。
我国主要炼厂
截至2016年年底,我国主营炼厂中超过700万吨/年的炼厂合计一次加工能力达到4.2亿吨/年,占我国主营炼厂总能力的75%;超过500万吨/年规模的炼厂合计一次加工能力达到5亿吨,占我国主营炼厂总能力的89%。