新浪财经 产经

红苹果家具回应被列为“十大不推荐产品”:所有家具检验结果均符合国家标准

5D调查

关注

3月16日晚,红苹果家具官方微博发布声明,针对珠江经济台发布的“十大不推荐产品”榜单中涉及红苹果家具产品一事进行回应。

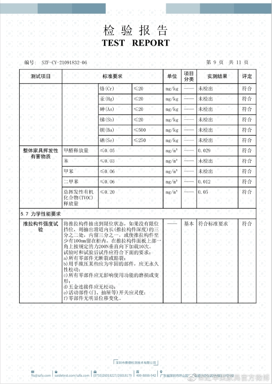
该声明称,针对珠江经济台发布的“十大不推荐产品〞 榜单中涉及红苹果产品一事,红苹果家具高度重视,并在第一时间进行全面排查与澄清。该报道所称检测未通过公司取样,具体信息来源无从考证。报道所描述用词模棱两可“稍高、慢〞无任何参考依据,只字不提标准,由此得出结论的客观性、真实性、科学性和公正性存疑。

声明称,红苹果产品多年来被认定为“中国绿色家具优品”在原材料管控环节尤为严格,所用的家具板材均高于国标,上市所有产品均通过国抽、监督抽查,测评等;所有家具检验结果均符合国家标准。

媒体公布315“十大不推荐产品”:乌江榨菜、毛戈平等品牌上榜

此前,据珠江经济台报道,红苹果定制家具甲醛释放稍高,交货周期慢。主办方整理过去一年里发布的各类测评报告,根据CCR评价体系,将高于国家标准或欧盟标准,综合排名靠后的产品筛选列入2021年度“十大不推荐产品”。

加载中...