新浪财经

智融科技推出高耐压 PD3.1同步双向升降压控制器SW7226及多款成熟方案

充电头网

关注

在便携式电子设备、储能系统以及电动工具领域,高效、稳定的电源管理解决方案对于设备的性能和寿命至关重要。随着 USB PD3.1 规范的普及,市场对具备宽电压适配能力、双向充放电功能以及高效能量转换特性的电源管理芯片的需求日益增长。

智融科技全新推出的 SW7226,正是一款专为这一需求打造的高性能同步双向升降压控制器,这款芯片符合 PD3.1 规范,支持 40V 的输入电压,集成I2C接口控制并内置12位ADC,可为移动电源、储能设备、电动工具等应用提供强大的技术支持。

本次充电头网也带来了这款芯片的详细介绍与相关方案介绍。

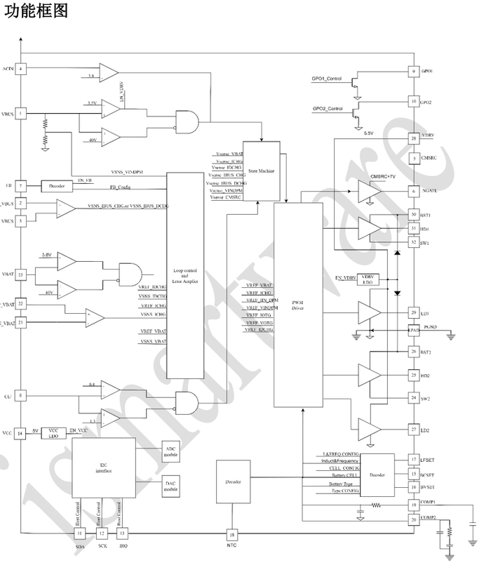
智融科技 SW7226 介绍

SW7226 是一款符合 USB PD3.1 规范的高效同步双向充放电 Buck-Boost 控制器,专为移动电源、储能设备、电动工具、电动玩具及其他电池供电设备设计。该芯片支持高达 40V 的输入电压,能够为 2 至 8 节三元锂电池及 2 至 10 节磷酸铁锂电池充电,并提供 3V 至 37V 的宽输出电压范围,具备极强的适配性。

SW7226 采用 Buck-Boost 架构,可实现 Boost(升压)、Buck(降压)及 Buck-Boost(升降压)模式的无缝切换,同时支持 200kHz 至 500kHz 的可调工作频率,适配 4.7µH 和 10µH 电感,并可使用 5mΩ 的检测电阻以提升能效和精准度。其充电模式涵盖涓流充电、恒流充电、恒压充电、充电截止及复充等完整过程,并支持通过 I2C 接口精确控制充电目标电压(最小 10mV 步进)和充电电流(输入端 50mA 步进,电池端 100mA 步进),同时集成自适应充电电流调节功能,以优化充电效率和电池寿命。

在放电模式下,SW7226 可提供 3V 至 37V 的宽输出电压范围,支持 I2C 控制电压和电流,并采用 FB 反馈调节输出电压,以满足 PD3.1 规范的要求。此外,该芯片还内置 12 位 ADC,支持实时电压、电流监测,确保系统高效稳定运行。

SW7226 还具备强大的通路管理能力,包括适配器接入检测、背靠背 NMOS 通路驱动,并支持在完全无电情况下的死电池启动功能,即便端口被隔离也能完成芯片唤醒并启动充电。此外,芯片集成多重保护机制,包括输入/电池过压保护、输出过压/过流/短路保护、NTC 过温保护及热关断保护,确保设备的安全性和可靠性。

该芯片采用 QFN-32 封装,具备高集成度和紧凑的尺寸,为各类便携式和储能类应用提供了高效稳定的电源管理解决方案。

智融科技 SW7226 方案示例介绍

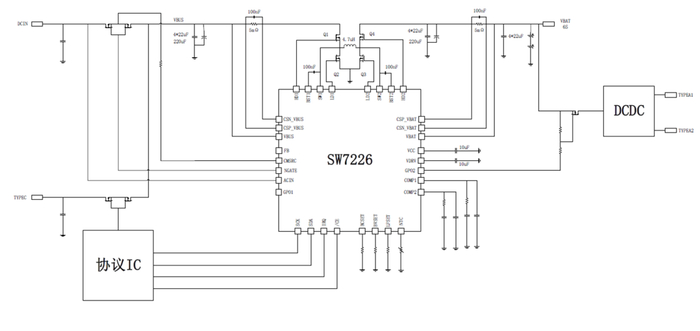
智融科技 180W SW7226 方案

智融科技同步推出了基于SW7226主控芯片的全新方案。

辐射干扰测试数据

以上为智融科技 180W SW7226 方案的辐射干扰测试数据,在EN 55032 Class B标准,28V/5A的输出工况下,三个典型频点的实测数据均符合限值要求,余量裕度达4.87dB及以上,测试覆盖30-1000MHz全频段,所有频点辐射能量均未超出标准限值,符合消费类电子设备辐射干扰的管控要求。

该方案额定功率为180W,支持36V/5A的输出电压与电流,可应用于移动电源、储能等领域。产品外形尺寸为79.8 x 49.79 x 15.57mm,重量仅为22.6g。从图片中可以看出,该方案采用了类对称设计,PCB板面布局精美,集成多种功能模块,便于开发者在单一平台上完成原型设计、功能验证和软硬件调试。

智融科技 140W PD3.1  28V/5A  SW7226 + SW2505 方案

智融科技还带来了搭载SW7226主控芯片和SW2505协议芯片的140W PD3.1  28V/5A 全新方案。

SW2505 是一款集成全协议支持的低功耗控制器芯片,支持DPDM双向快充协议,允许充电器与设备之间进行双向通信,支持多种快充协议以及私有协议定制功能,并通过了USB PD3.1 EPR以及UFCS双认证,支持DRP模式,内嵌MCU,拥有16路GPIO,C口支持在线升级,支持在线仿真调试,支持光耦/FB控制/I2C支持主从模式。支持死电池激活以及低功耗检测模式,可智能协调最佳充电参数,满足不同设备的需求,提供高效充电和数据传输。

SW7226+SW2505方案额定功率为140W,可应用于移动电源、储能等领域。

产品外形尺寸为95.73 x 52.46 x 14.34mm,重量为28.2gg。从图片中可以看出,该方案PCB板面布局精美,内置数显模块,配备多种排针与接口,连接和扩展功能一目了然,能够为开发者提供完整的硬件基础和调试环境。

效率测试数据

以上为 SW7226 + SW2505 方案在140W恒定输出功率下不同输入电压/电流组合的效率测试数据,从数据上可以看出,系统效率随输入电压升高呈现线性提升趋势,峰值效率至高可达98.46%,验证了该方案在宽电压输入范围内通过动态调制实现高效能量转换的能力。

6CELL电池输出效率表

以上为该方案基于6CELL电池输入的多组输出工况效率特性表,从效率曲线可以看出,该方案在高压输出时整体效率最高,即在15.2V输入,28V/5A 140W输出时效率可达到 98.5%左右;而在低压输出时效率相对较低,并随着电池电压的升高而进一步降低,这表明该方案在高压输出时具有更优的转换效率。

辐射干扰测试数据

该方案的辐射干扰测试数据显示,在EN 55032 Class B标准下,28V/5A的输出工况下,三个典型频点的实测数据均符合限值要求,余量裕度达8.37dB及以上,测试覆盖30-1000MHz全频段,所有频点辐射能量均未超出标准限值,符合消费类电子设备辐射干扰的管控要求。

充电头网总结

作为一款符合 USB PD3.1 规范的高性能双向 Buck-Boost 充放电控制器,SW7226 在高效充放电、精准电压电流调节以及智能安全保护等方面展现了强大的技术优势。其强大的通路管理能力、适用于多种电池体系的广泛兼容性,以及集成多重保护机制的安全设计,使其能够在便携式电源管理领域占据重要地位。

在推出全新芯片的同时,智融科技也为这款芯片同步推出的成熟的方案,展示出智融科技在技术落地和产品化方案构建上的成熟体系,充分体现了从创新研发到系统集成的完整闭环,为客户提供一站式的解决方案,将芯片快速应用于实际产品中。

展会预告

珠海智融科技股份有限公司参加充电头网主办的2025(春季)亚洲充电展,展位号位于A区A37、A38,3月28日欢迎莅临展会现场交流、洽谈。

加载中...