新浪财经

四张王牌!许继电气直流配电明星产品一览

市场资讯 2024.12.23 14:54

科技之钥,开启未来无限可能

创新之力,驱动世界前行步伐

作为直流配电系统的先行者

许继电气聚焦直流配电技术研究前沿

专注直流配电装备研发

成功研制出直流配电系统关键核心设备系列产品

先后支撑863专项、国家重点研发计划

国家电网和南方电网等多项直流配电示范工程建设

01

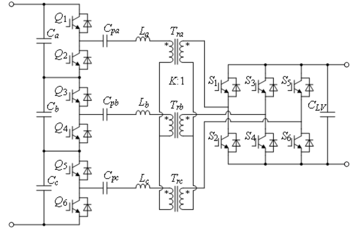
直流变压器

许继电气直流变压器设备基于大功率电力电子器件技术与先进控制技术,采用磁性器件,实现电气隔离,通过电磁能量的耦合以及DC-AC-DC的功率变换实现电压变换与能量传递。

适用于±35 千伏/5兆瓦及以下中低压直流配电网系统、交直流微网等多场景下不同直流电压间的能量传输、电压变换和电气隔离,可实现储能、光伏、充电桩等多种直流电源和负载的友好接入。

已成功应用于低碳园区多层次闭环交直流混合配电网工程、浙江温州平阳新兴产业园区直流配用电工程等示范项目。

 技术优势

采用三相串联桥式电路,提高单模块电压,减少模块数,减小设备体积,显著降低高电压输入情况下的开关器件电压应力;

集中式三相变压器与传统三相桥式结构,有效提升低压输出大电流能力;

采用SiC器件,损耗低,效率高,最高运行效率98.9%;

高开关频率设计,减小磁性元件体积,提高功率密度;

具备中压和低压直流阻断保护功能;

双向电压源、电流源运行,模式可灵活切换;

可多台并联运行,实现下垂控制。

02

中压直流断路器

许继电气中压直流断路器采用受控谐振式电子开关回路,实现快速机械开关过零熄弧,满足3毫秒内完成20千伏/30千安及以下双向直流短路电流分断。

适用于中低压直流配电网系统、交直流微网等场景,实现直流线路分断、快速故障保护。

已成功应用于湖北广水能量路由器、浙江温州平阳新兴产业园区直流配用电工程、分布式光伏多端口接入直流配电工程等重点项目,支撑我国可再生能源发展战略。

 技术优势

半导体部件仅流过谐振电流,不分断电流;

主支路采用快速机械开关通流方案,无需水冷散热设计,损耗小,可靠性高;

转移支路半导体组件采用紧凑化设计方案,组部件集成化程度高;

单隔离单接地机构,优化机械与电气联锁装置,具有“五防”功能;

钣金铠装式结构,实现一二次高低压分离,体积小,重量轻。

03

中压柔性换流器

许继电气中压柔性换流器集成换流阀、控制系统、交直流一次设备及测量系统,采用屏柜式或集装箱式结构,根据应用场景,选择合适的拓扑类型。产品覆盖±10千伏/20兆瓦、±20千伏/60兆瓦、±35千伏/100兆瓦及以下容量。

适用于交直流微电网、交直流配电网、跨区域能源互联等场景下交直流电压变换。

已成功应用于珠海“互联网+”智慧能源示范工程、广水100%新能源新型电力系统等科技示范工程。

 技术优势

可采用无联接变、三相一体桥臂电抗器设计,减少设备占地面积;

模块宽范围电压输入取电电源,可耐受大电压波动;

开关频率优化,降低换流阀损耗,大幅提高系统效率和器件寿命;

功率单元动态冗余,具备高速旁路开关,合闸时间小于3.5毫秒;

模式识别+自主均压,实现换流阀暂稳态能量快速均衡控制;

子模块采用可插拔结构,提高厂内安装、现场维护效率。

04

能量路由器

许继电气能量路由器由多个能量转换端口构成,用于不同电压等级和交直流形式的源网荷储可控接入,具备电力潮流灵活调配、绿色能源高效并网、关键负荷可靠供电、电动汽车有序充电等多样性功能特点,可靠性高、控制灵活、扩展性好。

主要用于交直流微电网、交直流配电网、区域能源互联等场景,实现能源的高效利用和供需平衡,以及多种能源形式的协同优化。

已成功应用于青岛中德生态园多能互补综合能源示范项目、延庆冬奥专区交直流混合配电网示范工程等重点工程。

 技术优势

采用共直流母线方案、各个端口可独立运行,可实现不同端口故障快速识别和故障隔离;

电网侧具备无功补偿、虚拟同步机功能;

采取分区保护原则,各端保护集成在各站控层,软件保护与硬件保护结合,形成能量路由器无死区保护;

电压协调微秒级控制,通过电流快速闭环控制实现电压稳定;

系统运行方式切换和功率分配毫秒级控制。

许继电气将始终胸怀“国之大者”

积极服务国家“双碳”战略

紧跟新型电力系统建设步伐

持续加大研发投入、加快科技项目攻关

为我国能源绿色低碳转型和高质量发展贡献积极力量

(转自:许继电气)

加载中...