重磅!特斯拉用CATL宁德方形LFP电池拆解
对于MODEL 3采用的电池组,根据公开信息而言,电池组的总能量为55 kWh,由两个25串1并和两个28串1并的电池模块组成,以106串1 并的方式配置成电池包。电池容量为161.5Ah。由此可以推断特斯拉采用的是宁德时代161Ah的方形电芯。当然宁德时代也可能专门为特斯拉开发一款电芯。不过下面我们仍将围绕宁德161Ah电芯进行拆解分析,毕竟一个公司的工艺方法会保持一致。
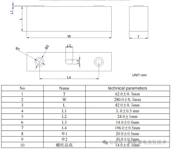
宁德时代LFP6228082-161Ah电池规格书
标称容量:161 Ah
额定电压:3.2 V
内阻:≤0.4mΩ
重量:约 3.1Kg
外形尺寸如图1所示
图2 拆解过程中拍摄图像示例
电池结构
经过拆解,可以看出该款电信芯采用卷绕技术而成,非采用目前比较火的叠片技术。缠绕圈数为40圈。其中铜箔的厚度为(5±1)μm,铝箔的厚度为(12±1)μm,两个卷芯平行并联连接,同侧出极耳。正极极耳片厚度厚度为(975±5)µm,负极极耳片厚度为(775±5)µm。再讲极耳焊接在正负极引出极柱上。两个卷芯包裹绝缘膜后入壳(图3e),最后顶盖和壳体焊接(图3f),注液之后,封口焊接(图5e)。
那为什么该款电信会采用两个平行卷芯的结构进行设计呢。大家都知道对于卷绕来说,层数越多,产品越厚,电芯卷的R角越大,这就会造成电芯有效空间未得到充分利用,故而对于大型的方块电芯,一般都是采用双卷芯结构进行设计
改款电芯采用的还是传统的方形电芯设计,极柱于泄压阀位于电芯的顶端,而不是宁德时代供给小米的泄压阀位于电芯下部,失控时火焰超地喷射的机构。电芯引出极耳与极柱使用激光束焊接工艺以圆形焊接轨迹连接(图5a和5b),熔深为(1690±50)µm,接触面为(2610±10)µm。焊接仍采用回形焊接的形式,正负极段子的焊接熔深也根据材料的不同,采用了不同的工艺参数。负极端子的焊接深度为(1000±50)μm(见图5c),正极端子的焊接深度为(1750 ±50)μm(见图5d)。
电芯的泄压阀采用的是传统铝膜,厚度为(185±5)µm厚,使用激光将铝膜焊接顶到盖上(图5e)。在最薄的点处厚度为(40±5)μm。
图5 顶盖截面形貌:(a)正极极柱中心顶盖截面,(b)负极极柱中心顶盖截面,(c)正极极耳与顶盖焊接,(d)负极极耳与顶盖焊接,(e)泄压阀密封焊缝
该款电池采用的是磷酸铁锂正极,标准电压为3.2V,额定容量为161.5Ah,根据前面得到的重量数据,重量能量密度为163Wh/kg,同时该款电芯内部体积1.4L体积能量密度366Wh/L。
电极设计
根据拆解结果,该款电芯的正极极片长22m,负极长22.6m,比正极长0.6m,负极涂层全部包覆住正极,隔膜由于加工原因,隔膜总长23.7m,比负极更长,可以完全包裹电芯正负极。宽度方向上,正极67mm,负极70mm,负极两侧比正极多1.5mm,隔膜宽75mm,隔膜两侧比负极多出2.5mm。这样的设计总的而言就是为了让正极的锂金属可以完全嵌入到负极石墨中,防止在进行快充时,由于锂单质未能及时嵌入到石墨中,刺破隔膜从而发生热失控。
就箔材的厚度尔雅,其中铜箔采用了5µm,铝箔采用厚度为12µm,并且铝集流体在电极边缘涂有27µm的陶瓷层。图6详细显示单面涂层极片的厚度和面密度在长度方向上的分布。正极单面涂层的平均厚度为94 μm(不含铝箔),负极单面涂层的平均厚度为71 μm(不含铜箔)。正极的平均负载量测定为22.6 mg/cm2 ,负极的平均负载量测定为10.7 mg/cm2 。检测过程中的轻微变化或归因于不均匀分布的电解质盐残留物。根据所测量的电极参数,估算正极的涂层密度为2.4g/cm3,负极的涂层密度为1.5g/cm3。根据电极的材料组成计算出电极孔隙率约为32%。
假设电极涂层中,活性材料含量为约95%(该值取决于材料体系,配方设计和各个电极组分的密度等,可能出错),假设正极材料克容量为160 mAh/g,负极材料克容量为360 mAh/g(实际发挥容量也没有这么高),根据面密度计算得到正、负极单面涂层的面容量分别为3.44、3.66 mAh/cm2。
但是,如果正面容量为3.44 mAh/cm2,一个卷芯的正极极片双面涂层的面积为22(m)*67(mm)*2=29480(cm2),则一个卷芯容量为3.44(mAh/cm2) *29480(cm2)= 101.3(Ah),那么内置两个卷芯的电池设计容量应该为202 Ah。
根据电池容量161.5 Ah计算正极面容量,则有:161.5(Ah)÷2÷29480(cm2)= 2.74(mAh/cm2)。
图6 单面涂层的厚度(不含箔材)和面密度(不含箔材)
材料表征
负极由尺寸约为10µm的天然片状石墨颗粒组成(见图5a和b),最有可能是天然石墨。EDX检测到90.8%的碳和7.2%的氧化物,而所有其他元素都低于1%,包括来自电解质的氟残留物。没有检测到硅的痕迹。负极表面未检测到明显的降解迹象,例如锂镀层或颗粒裂纹。
正极是球形的纳米尺寸的颗粒,其直径双峰分布,其中较小的颗粒直径约为300 nm,较大的颗粒直径约为1µm。EDX分析表明,由铁(11.4%)、磷(13.5%)和氧(59.26%)的原子重量比,确定阴极活性材料为LFP。结果显示,高比例的碳添加剂(8.6%)覆盖整个电极表面,可能是LFP颗粒的碳涂层或者碳导电剂。碳涂层和LFP颗粒尺寸减小是解决LFP低电子电导率的方法。此外,研究表明,具有高表面积和小粒度的LFP材料具有更好的容量保持率,并且不太容易发生颗粒破裂。在正极上也没有发现颗粒裂纹或其他明显的降解迹象。
正极涂层的边缘,可见5 mm宽的白色陶瓷层(图7 h)。EDX显示,该层由颗粒尺寸约为20 nm的长方体状颗粒组成,成分是以2:3的比例的铝和氧,由此可知即为Al2O3颗粒。
图7 负极表面在(a)低和(B)高放大倍率下的SEM图像,以及正极表面在(c)低和(d)高放大倍率下的SEM图像。正极集流体涂层(e)显示出以2:3的比例的铝(f)和氧(g)。(h)显示正极的涂层边缘的Al2O3涂层
电解质的ICP-OES测试结果如下表所示,结果表明,电解液锂盐为LiPF6。溶剂及其质量比如图8d所示。
电化学性能
动拆解的极片中裁切样品,使用丙酮去除一侧涂层,形成单面涂层的极片,组装纽扣电池,C/10倍率测得电极放电面容量为(2.69±0.04)mAh/cm2,根据电极面积计算电池的容量为161.5 Ah,与电池实际测试结果一致。
图8 组装纽扣电池,采用两种不同电解液(拆解电池残留的Tesla和对比电解液LP572)的电池0.1 C至3 C电化学性能:(a)放电,(b)充电,(c)两种电解液电导率,(d)Tesla电解液的溶剂质量比
3电极电池的阳极、阴极和全电池的阻抗谱如图9a和b所示,负极阻抗的大小大于正极阻抗的大小。因此,全电池阻抗谱由负极主导。阳极、阴极和全电池的伪开路电压(pOCV)曲线分别列入图9 c,尽管施加了C/50的非常低的电流,但是充电和放电曲线不重叠(图9d)。阴极的特征电位平台约3.4V,确认阴极化学成分为LFP。阳极分别在约210 mV、120 mV和85 mV处显示三个特征电位平台,这些电位分布是纯石墨的特征,表明阳极不含硅。
图9 在50%SOC和25°C下记录的3电极电池的半电池和全电池阻抗谱以及电势曲线
总之,本文拆解分析了特斯拉Model 3中的161.5 Ah方形扁卷绕硬壳LFP电池,将电池分解到材料水平,跟踪了工艺步骤和制造特性。测得电池163 Wh/kg的比能量和366 Wh/L的体积能量密度。电芯内部呈现低空隙体积6.4%以及铜和铝的集流体厚度分别为5µm和12µm。果冻卷芯以蝶形设计连接到顶盖上,为焊接过程提供了方便。电池盖的横截面和显微镜分析显示应用了多种激光焊接工艺,提供了高机械稳定性和气密性。电极的涂层显示出高度的均匀性,厚度波动小于2μm。扫描电子显微镜图像揭示了纯石墨阳极和LFP阴极内的双峰颗粒分布,其中正极的边缘覆盖有Al2O3陶瓷层。电化学分析表明,与普通LP572电解质相比,电池固有电解质的性能更好。
参考文献:Sandro Stock, Jan Hagemeister, Sophie Grabmann, Johannes Kriegler, Josef Keilhofer, Manuel Ank, Jonas L.S. Dickmanns, Markus Schreiber, Fabian Konwitschny, Nikolaos Wassiliadis, Markus Lienkamp, Rüdiger Daub, Cell teardown and characterization of an automotive prismatic LFP battery, Electrochimica Acta, Volume 471, 2023, 143341
大会时间:2024年12月11-13日
大会地点:广州番禺美丽豪酒店
主办单位:电池工业网、中工产业研究院
承办单位:北京中工产研能源科技有限公司
支持单位:电池材料分会
联
系
我
们
联系人:许玲手机:135-222-52485(同微信)
邮箱:3224037352@qq.com
(转自:锂电行业动态)