多地辟谣电费涨价!国内居民电价都是如何制定的?
界面新闻
界面新闻记者 | 戴晶晶
“我们没有接到任何居民电价调整的通知,如果有调整一定会进行提前公示。”
5月13日,国家电网95598服务热线向界面新闻澄清,上海并无任何居民电价政策的变化。近日,社交媒体平台流传多地居民电价将上调,其中一则提及,6月1日起上海电费将涨价,取消谷峰计价,改成分段计价。
当日,湖北省、江苏省等地的国家电网客服中心工作人员也均向界面新闻表示,居民电价没有调整;江苏地区的客服直接指出,此类消息为谣言。
最新政策规定,中国用户用电价格逐步归并为居民生活、农业生产及工商业用电(除执行居民生活和农业生产用电价格以外的用电)三类。
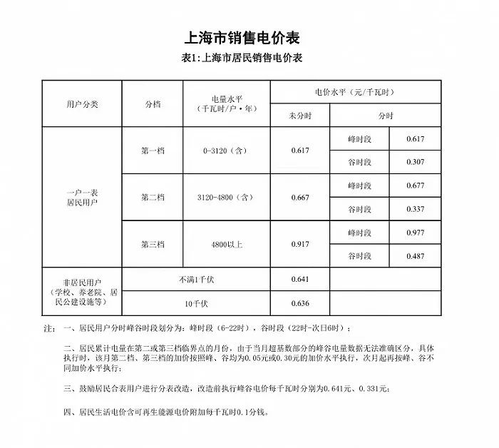
目前,全国各省实行不同标准的居民电价,涉及“阶梯电价”和“分时电价”等概念,并不存在“分段计价”的说法。
阶梯电价是指把用电量设置为若干个阶梯,分段或分档次定价计算费用;分时电价是将每天24小时划分不同时段,对各个时段制定不同的电价水平,以鼓励用户合理安排用电时间,提高电力资源的利用效率。
简单来说,阶梯电价侧重用电总量;分时电价侧重用电时间,用电高峰时期电价更高,鼓励用户在低谷时期用电。
湖北省居民电价仅执行阶梯电价,三档的电度电价分别为0.558元/千瓦时、0.608元/千瓦时和0.858元/千瓦时。上海市等地的居民电价则在阶梯电价的基础上叠加了分时计价。
去年,重庆推出居民分时电价机制,“一户一表”城乡居民用户和居民充电设施用户自愿选择是否执行,居民分时电价分为峰段、平段、谷段。
图片来源:国家电网客服中心
图片来源:国家电网上海市电力公司官网
随着夏季来临,也有地区的居民电价迎来变化,但为每年的常规季节调整。
广东城乡居民每月用电量分为三档电价实行分档递增,并划分为夏季标准和非夏季标准,每年5-10月执行夏季标准,其余月份执行非夏季标准。
广东省发改委在2012年《关于我省居民生活用电试行阶梯电价有关问题的通知》中提及,这种划分主要是因为考虑到该省夏季天气较为炎热,空调用电量较大的情况。
自每年5月起,广东居民阶梯电量第一档标准由非夏季的200度调整为260度,第二档标准由非夏季的400度调整为600度,第三档从非夏季401度以上调整为601度以上。
在“夏季模式下”,第一档计费标准中电价不作调整,第二档电价每度加收0.05元,第三档电价每度加收0.3元。
近期,有地区分时电价政策确实有所调整,但均为工商业电价,与居民电价无关。
2021年10月,国家发改委发布《关于进一步深化燃煤发电上网电价市场化改革的通知》,要求各地要有序推动工商业用户全部进入电力市场,按照市场价格购电,取消工商业目录销售电价。
当前,工商业用户用电价格由上网电价、上网环节线损费用、输配电价、系统运行费用、政府性基金及附加等组成。
今年3月,湖北省发改委下发《关于完善工商业分时电价机制有关事项的通知》,要求自2024年5月1日起,执行新的工商业分时电价机制。
该政策将原9:00-15:00作为高峰时段的6个小时,调整为平段和低谷时段;午间光伏大发的12:00-14:00设置为谷段,其他日间4个小时设置为平段。此外,夏季7、8月20:00-22:00为尖峰,其余季节前移至18:00-20:00,以促进新能源消纳。
无独有偶,自今年5月1日起,江西省也将调整工商业用户分时电价机制,调整峰谷时段划分、暂缓实施尖峰电价、试行重大节假日深谷电价等措施。
江西发改委称,这既有利于降低企业用电成本,也有利于重大节假日期间新能源消纳。
5月13日,电力板块持续走强。5月13日,电力板块走强。截至当日收盘,甘肃能源(000791.SZ)、西昌电力(600505.SH)、明星电力(600101.SH)、乐山电力(600644.SH)涨停,赣能股份(000899.SZ)、华银电力(600744.SH)等股涨幅在6%以上。