新浪财经

大涨3.86%,一文起底大宗商品之王:你真的懂原油期货吗?

夺冠高手

关注

01

原油发展简史

人类对天然石油使用最早可以追溯到公元前3000年美索不达米亚文明,用作照明、铺路、药物等,主要通过地表采集及手工挖取等方式获取。

近现代人类真正开始对石油进行充分利用的历史算起来只有不到200年的时间。而这200年的时间里,石油也见证了人类科技的飞速发展、二次世界战争的残酷以及战后国际政治金融形态的博弈。

02

原油定价权变迁

百余年来,原油定价权跟随政治与供需格局变迁。

1840年-1860年欧美开始蒸汽机驱动机械钻井,没错,用煤炭烧蒸汽来挖石油,现在听起来挺魔幻的一件事。

到1870年洛克菲勒创办标准石油公司,到1880年控制了美国90%的炼油能力,1911年美国最高联邦法院勒令标准石油公司解体,1911年美孚石油,被拆分为现在的埃克森美孚、雪佛龙、莫比尔、康诺克等。

1893年福特发明汽油动力汽车,1909年推出廉价T型汽车,由此原油需求大增。

1914-1918,1939-1945,两次世界大涨,石油大量替代煤类燃料成为全球最重要的战略能源。1920年英法签订圣莫雷协议划分中东势力范围,1928年英法荷美签订新的红线协议替代圣莫雷协议。本质上,这一阶段,中东石油实际控制在欧美手中,相当于自己可以给自己最需要的物资定价,所以我们看到即便经历了两次世界大战,石油也大范围替代煤炭成为重要的战略物资,但是这一阶段原油价格却异常的平稳。

1960年OPEC成立,1965年石油需求首次超过煤炭,OPEC通过控制产量等手段逐步加强对石油价格的主导。1973-1980年两次石油危机,都有OPEC的身影。1971年,布雷顿森林体系瓦解,美元解绑黄金,1974年,美国与沙特签订协议,美元绑定石油。这一阶段,OPEC也开始利用自身的产能优势,开始有意识的与美国争夺石油定价权,不过美国为了确保自身的利益,尤其是石油美元的全球结算体系,不惜在中东地区挑起频繁的冲突甚至直接下场参战。

1983年纽约推出WTI原油期货,1987年伦敦推出Brent原油期货,象征着石油的定价也逐步金融化。石油价格开始与美元、风险资产等形成密切联系。典型的如2005年opec放弃20年目标油价管理制度,2008年油价突破100美元,全球金融危机爆发。

进入21世纪,中国2001年加入世界贸易组织,石油需求量迅速提升,2017年中国成为全球最大的原油进口国,2018年中国推出上海原油期货,作为最大的原油买家,也意图在原油定价中有更大的话语权。

石油定价权:洛克菲勒寡头垄断——欧美以租代管——美国石油公司——欧佩克+美国——全球金融定价(原油期货)。

03

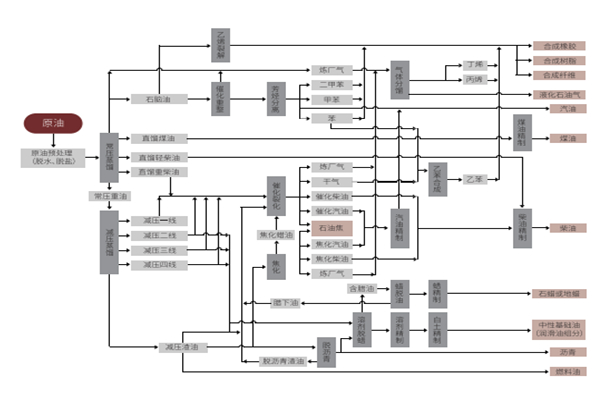
石油产品及其主要用途——衣食住行,商品之王

石油产品是以石油或石油某一部分作原料直接生产出来的各种商品的总称,一般不包括以石油为原料合成的石油化工产品,主要分为六大类:燃料、润滑剂、石油沥青、石油蜡、石油焦、溶剂和化工原料。

燃料主要包括汽油、柴油和航空煤油等发动机燃料以及灯用煤油、燃料油等。我国的石油燃料约占石油产品的80%,其中的六成左右为各种发动机燃料。润滑剂品种达百种以上,但仅占石油产品总量的5%左右。溶剂和化工原料包括生产乙烯的裂解原料、石油芳烃及各种溶剂油,约占石油产品总量的10%左右。石油沥青、石油蜡和石油焦约占石油产品总量的5%~6%。

04

原油供需格局

原油供应:取决于地理条件,老天爷赏饭吃!

美国、沙特阿拉伯、俄罗斯等3个国家在2021年占据了世界石油产量的43%。这三个国家的石油产量加起来超过了前10个国家中其他7个国家的总和。

在过去的几十年里,美国石油产量一直在经历波峰起伏。从1970年1130万桶/天的峰值下降到2008年的680万桶/天的历史低点。然而,经过2010年10月的逆转,该国已经超过沙特阿拉伯成为最大的产油国。然而,截至2021年,美国仍是原油净进口国,同时出口成品油。

沙特阿拉伯和俄罗斯在2021年的产量分别约为1100万桶/天,是全球最大的两个石油出口国。在这两个国家,国有石油公司(沙特阿美和俄罗斯天然气工业股份公司)是最有价值的石油和天然气生产公司。

在欧洲(不包括俄罗斯),只有挪威排在前15位,占全球产量的2.3%。由于地区产量不足,欧盟依赖俄罗斯的石油和天然气,导致地区能源危机加剧。

05

原油需求:取决于经济状况

从历史经验来看,全球原油消费增长速速与全球经济增长速度保持基本一致。

长期以来,全球石油消费量总体上呈现不断增长的态势,可以说,石油消费增长支撑了全球经济发展的需要,两者之间关联度非常大。

从历史上来看,全球石油消费格局演变呈现两大趋势:一是消费重心由西向东转移,也就是由欧美转向亚太;二是在亚太地区,石油消费重心由日本逐渐转向中国,而且印度石油消费增长势头猛进。

在1965-1992年期间,北美和欧洲长期占据全球石油消费重心地位,不过总体上在全球石油消费量中的占比呈现缓慢下降趋势,而亚太地区石油消费呈现不断上升趋势。

20世纪70年代中期以前,日本经济增速较快,是亚太石油消费全球占比不断提升的主要贡献者,而伴随着中国实施改革开放政策,在20世纪80年代以后,中国经济进入高速发展期,逐渐取代日本成为亚太石油消费占比快速提升的主要贡献者。

06

原油贸易流向:供需分布不均衡决定原油国际贸易流向

从上述石油供应和消费格局来看,石油是一个天然的生产能力和消费能力严重不匹配的能源品种,供需格局失衡必然导致贸易需求。

从分区域来看看,主要石油出口地区是中东、独联体和非洲,主要石油进口地区是欧洲和亚太地区。

基于石油供需失衡、自然地理条件和运输成本等因素,以苏伊士运河(中东和非洲之间、连接地中海和红海)为界,可以大致将全球石油贸易格局划分为两个区域:一是苏伊士运河以西区域,形成大西洋石油贸易平衡格局;二是苏伊士运河以东区域,形成东西流向石油贸易平衡格局。

对于大西洋石油贸易平衡格局来说,主要表现在两个方面:一是大西洋西岸的北美和中南美洲的石油生产与石油消费之间的自我贸易平衡,石油贸易主要在本区域内进行;二是大西洋东岸的欧洲石油消费与独联体、美洲、西北非和中东石油生产之间的平衡。

对于东西流向石油贸易平衡格局来说,主要表现是以亚太地区为石油进口区域,与中东石油产地形成主要石油贸易关系,并与美洲、独联体和西北非等石油产地形成辅助石油贸易关系。

在过去几十年,全球石油贸易格局演变的最大特征是石油贸易重心东移,关键因素在于全球石油消费重心由西向东转移。

07

我国石油资源分布

我国石油资源集中分布在渤海湾、松辽、塔里木、鄂尔多斯、准噶尔、珠江口、柴达木和东海陆架八大盆地,可采资源量为172亿吨,占全国的81.13%。

从资源深度分布看,我国石油可采资源有80%集中分布在浅层(<2000米)和中深层(2000米~3500米),而深层(3500米~4500米)和超深层(>4500米)分布较少。从地理环境分布看,我国石油可采资源有76%分布在平原、浅海、戈壁和沙漠。从资源品位看,我国石油可采资源中优质资源占63%,低渗透资源占28%,重油占9%。

在我国,中石油、中石化及中海油旗下都有数个大油气田。其中隶属中石油的有:大庆油田、长庆油田、延长油田、新疆油田、辽河油田、吉林油田、塔里木油田等;隶属中石化的有:胜利油田、中原油田、江汉油田等;隶属中海油的有:渤海油田等。

08

我国原油生产与消费

我国的原油生产主要集中在东北、西北、华北、山东和渤海湾等地区,消费则覆盖全国,中心主要集中在环渤海、长江三角洲及珠江三角洲等地区。

目前我国原油主要消费在工业部门,其次是交通运输业、农业、商业和生活消费等部门。其中,工业石油消费占全国石油消费总量的比重一直保持在50%以上;交通运输石油消费量仅次于工业,占25%左右。

根据《BP世界能源统计年鉴2022》,2014年至2021年,我国石油产量从2.15亿吨下降至1.99亿吨,年均减少0.9%,为世界第六大产油国;石油消费量从5.18亿吨上升至7.19亿吨,年均增长4.85%,目前为世界第二大石油消费国。

09

我国原油进出口情况

1993年我国成为石油产品净进口国,1996年成为原油净进口国。随着国内需求的不断增加,原油进口量也在逐年攀升。

据中国海关数据统计,2015年至2022年,我国原油进口量从3.35亿吨上升至5.08亿吨,但同比下降0.92%。我国目前是全球第一大原油进口国。

2021年,位列前十的原油进口来源国为:沙特阿拉伯、俄罗斯、伊拉克、阿联酋、阿曼、马来西亚、科威特、安哥拉、巴西和哥伦比亚。中东地区仍然是我国进口原油的主力地区,占比达进口总量的50.84%。

上世纪九十年代以前,原油出口曾是我国出口创汇的重要商品。随着我国经济发展对石油需求的增长,自九十年代中期以来原油出口逐步减少。目前少量的原油出口主要是履行与有关国家签订的长期贸易协定。根据《BP世界能源统计年鉴2022》,2021年我国累计出口原油160万吨,同比增加100% 。

10

原油供需研究框架

原油供给:

原油供给主要来自欧佩克国家和非欧佩克国家,相关数据可以通过多个机构提供的数据整理获得,最重要的是国际能源署和美国能源部公布的供需数据。石油输出国的12个成员国大约占全球石油供给的40%。欧佩克(OPEC)的任务就是调节“原油市场的供需平衡”,进而影响原油价格。而非OPEC国家的产量始终处于最大化的状态,较难估算。

原油供应中,剩余产能和炼制瓶颈是另一个需要考虑的因素。OPEC的剩余产能是可以立即投入生产的原油产能,起到了一种“安全防护地带”的作用。OPEC的剩余产能极大地影响着投资者的情绪,特别是在剩余产能明显偏低的情况之下。

原油需求:

经济增长是影响原油需求的主要因素,要对原油消费的增长作出规划,就要对消费国的国民生产总值作出预测。不同国家和地区的原油消费与GDP的增长比率不尽相同,发展中国家在经济增长中,单位经济活动的耗油水平较高。

原油库存:

库存数据代表特定时期的变化,而非绝对的库存水平。这种变化就是预测的消费量与预测的产量(包括非OPEC国家和OPEC国家产量)的差额。在统计石油库存时,美国的商业库存是比较准确的,美国能源部下属的能源情报署(EIA)每周及时公布。

地缘政治:

突发事件会迫使原油价格明显偏离正常区域,或者在该范围内进行调整。世界最主要的石油储藏大多地处政治敏感地区,其中包括伊朗、尼日利亚和委内瑞拉。一旦这些地区局势不安定并导致原油供应中断,那么原油价格将会立即飙升。

11

原油价格走势探讨

最近内外盘原油走势表现出两个特征:7、8月份油价冲高回落,月底再度反弹;国内油价表现强于国际油价。

冲高:8月3日沙特和俄罗斯宣布各自将延长供应削减至少到 9 月份。沙特将继续自愿削减每日100万桶的原油产量,使该国原油日产量保持在 900 万桶的两年低点,而俄罗斯正在将8月份每日50万桶出口量削减至9月份的每日减少30万桶。沙特和俄罗斯供应削减政策刺激了油价8月份继续冲高。

中国海关数据显示,7月份我国原油进口量为4124.3万吨,环比6月份出现较大幅度下降。8月份,美国原油产量持续增加。8月中下旬,国内低迷的社融数据,市场对全球经济疲软的担忧再起,全球闲置产能增加也打压石油市场气氛。美国驾车高峰季节已经接近尾声,并将于9月1日结束。截至8月18日的一周,美国汽油需求和馏分油需求已经开始减少。一系列利空因素影响下,油价8月份遇阻回落。

原油价格走高的最直接驱动是美国石油协会显示的1150万桶的原油库存下滑,OPEC+国家减少产量和出口,其他产油国的原油备受青睐,美国石油库存自7月以来整体下滑。此外,宏观上还有两个因素的推动:虽然在上周jackson hole会议上美联储表态偏鹰,但是本周的联储会议维持了利率不变。中国大型银行据悉计划最早周五再次下调存款利率,这对将有利于中国的经济复苏。

而国内油价表现强于国际油价的主要原因在于:人民币持续贬值以及国内交易所原油注册仓单库存偏低,国内原油价格比国际油价升水幅度在8月份进一步扩大。

减产支撑价格,需求决定高度。

宏观经济方面,美国劳动力市场和消费者信心数据双双弱于预期,升息押注降温提振美国股债,美元下跌,商品走高;中国大型银行据悉计划最早周五再次下调存款利率,这将有利于中国的经济复苏。

原油价格当日走高的最直接驱动是美国石油协会显示的1150万桶的原油库存下滑,OPEC+国家减少产量和出口,其他产油国的原油备受青睐,美国石油库存自7月以来整体下滑。

美国飓风Idalia登陆地为弗洛里达州,对原油和成品油的生产影响有限,飓风可能短暂提振当地需求,飓风登陆后力量也会快速衰竭。沙特近期就将公布10月是否延续减产,我们认为延续的概率较大,原油将以震荡上扬为主。

来源|美尔雅期货

加载中...