新浪财经

中邮·有色|深度报告|华峰铝业:需求多点开花,强者恒强尽享行业高景气

市场资讯 2023.07.24 08:27

转自:中邮证券研究所

主要观点

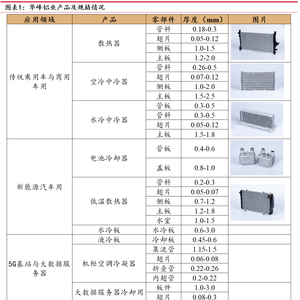
华峰铝业是国内高端热传输铝板带箔材料龙头。华峰铝业自成立以来,专注于高端热传输铝板带箔材料的生产与研究,主要产品包括热传输领域内的铝合金板带箔材料,广泛应用于汽车、工程机械、电站和家用商用空调热交换系统。业务覆盖为奔驰、宝马、特斯拉等配套的日本电装、德国马勒等世界知名汽配供应商,以及三花、银轮和纳百川等新能源热交换厂商。

现有产能35万吨,预计2025年达到50万吨。目前在上海设立年产14-15万吨规模生产基地,在重庆设立年产20万吨规模生产基地,公司现在合计拥有34-35万吨/年的产能。同时公司拟将筹建的重庆二期“年产15万吨新能源汽车用高端铝板带箔项目”,预计2024年底投产,届时公司将拥有约50万吨的铝合金板带箔产能。

连续多年高速增长,公司业绩表现优秀。2022年公司实现营收85.45亿元,同比增长32.5%;实现归母净利润6.66亿元,同比增长33.1%。主要得益于新能源产业的高速发展,公司产品量价齐升。2023Q1实现营收19.97亿元,同比增长0.6%,环比下降10.0%;实现归母净利润1.70亿元,同比增长65.0%,环比增长14.1%。

新能源汽车推动铝热传输稳步增长,储能、数据中心开辟新需求。目前传统燃油车中铝热传输材料单车用量在8kg,新能源汽车中将达到15kg,预计2025年全球汽车中铝热传输材料需求量将达到86万吨,年复合增长率为5%。同时液冷性能优于风冷,随着储能、数据中心的快速,铝热传输材料有望迎来替代风冷的渗透率提升+下游应用的快速发展的双重利好。

华峰铝业盈利能力全球第一,有望强者恒强。全球铝热传输企业中,格朗吉斯和华峰铝业平分秋色,各占25%的市场份额,并列第一。相比于同行业的格朗吉斯、银邦股份,华峰铝业的毛利率、净利率都要显著高于二者。鉴于新能源汽车领域的铝板带箔产品普遍对于板型和质量要求较高、品类需求多样,同时又具有较高的客户认证壁垒和严格的质量管理体系认证,华峰铝业优秀的竞争优势,有望实现强者恒强。同时公司积极布局电池壳、电池箔等,紧盯新能源前沿产品

1.1 专注铝热传输材料十五年,实力雄厚

华峰铝业是国内高端热传输铝板带箔材料龙头。华峰铝业自成立以来,专注于高端热传输铝板带箔材料的生产与研究,主要产品包括热传输领域内各系列、各牌号及各种规格状态的铝合金板带箔材料,广泛应用于汽车、工程机械、电站和家用商用空调热交换系统,以及用于制作新能源汽车动力电池相关多类组成部件(电池壳、正极箔、铝塑膜、水冷板等)。

在热交换领域,公司相当比例的客户是为奔驰、宝马、特斯拉等高端车型配套的世界知名汽配供应商,包括日本电装株式会社(DENSO)、德国MAHLE Group(马勒集团)、韩国Hanon Systems Corp.(翰昂集团)等全球知名汽配集团以及三花、银轮和纳百川等新能源领域热交换主流厂商。

十五年的发展,华峰铝业拥有35万吨产能。上海华峰铝业股份有限公司成立于2008年,经过了多年的发展,目前在上海设立年产14-15万吨规模生产基地,在重庆设立年产20万吨规模生产基地(不包括公司拟将筹建的二期“年产15万吨新能源汽车用高端铝板带箔项目”),公司现在合计用用34-35万吨/年的产能。

华峰铝业的母公司为华峰集团,实力雄厚。截止到2023年一季度,华峰集团持有华峰铝业55.14%的股权,公司的实际控制人为尤小平。此外华峰集团旗下还持股华峰超纤华峰化学两家上市公司,集团实力雄厚。

1.2 多年高速增长,公司核心优势明显

连续多年高速增长,公司业绩表现优秀。2022年公司实现营收85.45亿元,同比增长32.5%;实现归母净利润6.66亿元,同比增长33.1%。2023Q1实现营收19.97亿元,同比增长0.6%,环比下降10.0%;实现归母净利润1.70亿元,同比增长65.0%,环比增长14.1%。

重庆项目产能释放,铝热传输材料+电池料产量稳步增长。2022年公司非复合料产量为10.8万吨,同比增长20.72%,销量为10.6万吨,同比增长20.22%;复合料产量为19.0万吨,同比增长16.54%,销量为18.7万吨,同比增长16.73%。电池料产量为3.9万吨,同比增长91.69%,销量为34.3万吨,同比增长99.05%。

两大基地相互配合,形成互补优势。上海基地工艺成熟、技术人才集中,以国际高端配套客户、高技术附加值产品、实验性新产品为引领,形成具有现代化示范效力的标杆工厂;重庆基地具有后发设备优势,新工厂、新设备、规模大、产能大、成本优,重点辐射中国中西部市场,以全系列、全覆盖产品,规模化生产,发挥产能优势和成本优势。两大产业基地侧重不同,各自发挥差异优势,有效互补形成合力。

2023Q1毛利率、净利率有所提升。2022年毛利率同比2021年下降,主要原因是2022年铝价主要呈下降趋势,由于铝锭从采购入库至完成加工销售出库存在时间差;同时2022年公司在手订单较多,受限于前道工序产能,半成品采购增加,也导致毛利率下降。随着铝价的企稳,以及重庆工厂采用大卷宽幅设计,有效降低生产过程中切边废料和头尾损失所占比例,提高产品成品率,公司毛利、净利有望进一步提升。

此外上海、重庆公司分别取得再生资源回收经营资格,使用再生铝有望进一步降低成本。

不断的研发创新,生产更多深加工、附加值较高的铝轧制材,提升盈利能力和竞争优势。华峰铝业先后承担多项技术攻关项目,包括“新型稀土铝合金热传输材料研究”项目、“新型无钎剂多层铝合金钎焊材料中试及试制项目”等,以及自主开发多项在钎焊、强度、耐腐蚀、抗塌陷性能、导热性等各指标上超越现有传统合金的高品质新品材料,其中主要包括传统汽车用高强水箱用非复合铸轧翅片、多层水空中冷器管板料,以及新能源汽车用电池壳材料、高强耐蚀电池水冷板材料、电池冷却器多层管板料和高热导率电驱电控冷却器材料,水平均处于行业前列。

新能源汽车需求稳步提升,储能、服务器开辟第二市场

2.1 2025年燃油车+电动车需求量86万吨,平均增速5%

汽车电动化持续演进,推动汽车热管理的升级。2020 年中国政府提出2030前碳达峰、2060前碳中和的“双碳”政策目标,国务院办公厅也发布了《新能源汽车产业发展规划( 2021—2035) 》的规划纲要,汽车行业也在积极制定应对策略,努力向绿色制造、高质量发展的产业转型和升级。汽车热管理产业随着新能源汽车的发展也成为汽车行业持续和重点关注的焦点,技术上在向“智能化、高效化、电动化、舒适化、环保化、安全化”进行演进。

新能源汽车的发展给整车热管理产业带来了发展的机遇。新能源汽车热管理是一种不同于传统汽车的汽车热管理系统,对于纯电动汽车而言,用户的里程焦虑和电池热失控起火爆炸一直是行业的焦点问题,热管理系统效率和电池热管理性能的高低,直接影响车辆续航里程和电池安全性。

新能源汽车热管理系统在原来传动动力空调的基础上增加了电池热管理模块、电机电控热管理、能量流智能控制及智能运维保障三个领域,包括电动压缩机、电子水泵、电池冷却器、电子膨胀阀、膨胀水壶、温度传感器、高压 PTC 水加热器、回路阀件、电池冷板等零部件及水回路集成及控制。

特斯拉的第四代汽车热管理系统就是将电池的热管理和座舱的热管理集合起来,将整车的热源利用起来,并且在外界温度高于冷却液温度时还可以将外界的热量吸收进车内进行利用。通过车载电脑控制八通阀旋转使电池系统、动力系统,产生了多种工作模式。可根据环境温度与电池温度自动规划热泵系统的加热程度,启用不同的加热模式。

根据冷却方式的特点,锂离子电池冷却技术可分为主动式冷却和被动式冷却。其中,主动冷却技术主要包括强制对流空气冷却、冷却液冷却和制冷剂直接冷却,其需要额外的能量驱动风扇或泵。

液冷方式优于空冷,在新能源汽车中被广泛应用。电动装载机普遍采用大容量磷酸铁锂方包电池,空气冷却方式很难胜任,而相变材料冷却尚处于研究阶段,商业化应用不多。液体冷却以其散热均温性能好被广泛采用,其通过带有内流通道的铝合金水冷板与电芯表面紧密贴合进行换热。常见的动力电池水冷板有口琴管式水冷板、板翅式水冷板、冲压式水冷板、吹胀式水冷板等。

水冷板是液冷的核心元件,材料需要用到复合钎焊铝箔。随着我国汽车工业的蓬勃发展和汽车铝化率的不断提高,汽车用铝板带箔的市场需求量持续增加。水冷板是一种通过液冷换热的元件,其原理是在金属板材内加工形成流道,元件安装于板的表面,中间涂装导热介质,冷却液从板的进口流入、出口流出,带走元件所发出的热量,从而起到降温效果。

汽车散热器是汽车内的换热元件,包括水箱、冷凝器、蒸发器和暖风机等,复合钎焊铝板带是生产汽车热交换器的核心材料。汽车散热器和空调冷凝器均由液体管道和散热带组成,通过机械胀管或钎焊法将其装配而成。复合钎焊铝箔中间为 AL-Mn 芯材,两表面包覆 AL-Si 钎料。

复合钎焊铝板技术要求高,制造难度大。散热器用复合钎焊铝板带由三层铝基合金组成,中间层通常为 Al-Mn 系合金组成的芯层,上下外层为Al-Si、Al-Si-Mg 或 Al-Si-Zn合金组成的包覆层。在三层铝合金材料焊合后,经高温、高压热轧后,再经轧制等工序后制程成品。它不仅要求具有优良的表面质量,精确的尺寸和平整的板形,而且要求其组织均匀、成型性能良好,尤其对包覆层的均匀性和焊接性要求极为严格,是铝合金板带箔材中技术含量最高的产品之一。

2025年全球汽车的热管理系统的合计用铝量将达到85.5万吨。根据格朗吉斯数据,2021年传统燃油车的热管理系统的单车用铝量约为8kg,而纯电动车的热管理系统的单车用铝量在14.5kg,预计2028年将会提升至17.4kg。我们预计2025年全球燃油车销量为8400万辆,其中新能源汽车销量为2150万辆,对应全球汽车的热管理系统的合计用铝量将达到85.5万吨,较2022年增长13.6万吨。

2.2 储能、数据中心高速增长,液冷正在取代传统风冷

国内电力需求大,催生储能发展。我国正处于工业高速发展的时期,各行业都离不开电力的支持,工业生产和居民生活的用电需求量快速升高,从而造成电力消耗的昼夜峰谷差日益增大,负荷曲线峰谷越来越大。集装箱储能系统为解决电力消耗的峰谷差异所导致的电力系统供需不平衡问题提供了新路径,其在电力系统发电、传输、分配以及使用过程中,发挥充电和供电的重要枢纽作用,对电力系统的建设和运行产生了积极影响。

储能行业历史大机遇,市场空间广阔。目前国内储能产业已经从商业化初期开始逐渐过渡到规模化发展,储能行业进入了快速发展期。根据CNESA等数据,我们预计2024年中美欧三地区储能新增装机为118.7GWh,较2022年39.7GWh增长约199%,2024年中国储能新增装机为46.3GWh,较2022年14.7GWh增长约215%。

随着集装箱储能系统向着规模化、集约化发展,其安全性要求也不断提高。但在过去的几年中,集装箱储能系统发生火灾事件屡见不鲜。分析发现,起火的一个重要原因是电池保护系统存在缺陷,尤其当电池运行存在故障时,会导致电池热管理系统失效。

AI快速发展,带动服务中心爆发增长。算力作为人工智能时代最关键的生产要素之一,其需求在大模型的推动下呈现指数级的增长。2021年全球数据中心市场规模超679亿美元,预计2022 年将达746 亿美元,年增速在10%左右。

数据中心算力提升,驱动散热需求。随着数据中心规模扩大,算力和功率密度节节攀升,支撑IT设备运行的能耗也相应飞速提高。与数据运算、存储、交换高能耗相伴的是设备巨大的产热量,IT 设备将99%以上的电能转换为热能,而其中70%的热能需数据中心通过散热冷却系统移除,进一步增加了数据中心的用电消耗。而算力需求提升也带动了服务器功率大幅走高,传统风冷散热系统的散热效率已难以满足高功耗服务器,尤其是AI服务器的散热需求,对数据中心的发展以及绿色低碳转型造成掣肘。

液冷散热性能优于风冷,未来有望持续取代。2021年11月,国家发改委印发的《贯彻落实碳达峰碳中和目标要求推动数据中心和5G等新型基础设施绿色高质量发展实施方案》明确,“到2025年,新建大型、超大型数据中心PUE(电能利用效率)降到1.3以下,国家枢纽节点降至1.25以下。”2022年1月份,国家发改委同意启动建设全国一体化算力网络国家枢纽节点的系列复函中明确要求,国家算力东、西部枢纽节点数据中心PUE分别控制在1.25、1.2以下。

目前冷板式液冷技术可以使数据中心降能降耗,满足国家规定的 PUE 范围,而采用风冷技术的数据中心 PUE 仍多数在 1.4 以上,冷板式液冷技术是目前降低数据中心 PUE 最好的解决办法之一。

渗透率持续提升,2025年国内液冷市场规模超1200亿元。中国的整个服务器行业每年出厂规模在百万台级,在过去3年液冷服务器占比可能不到5%。未来三年液冷服务器渗透率将可达20%至30%,未来5年至10年甚至会超过 50%。根据赛迪顾问预测,高功率单机柜将迅速普及,预计 2025年全球数据中心单机柜平均功率有望达到 25kW,国内液冷市场规模超1200亿元,液冷市场空间将进一步打开。

华峰铝业盈利能力第一,2025年规模达到50万吨

2025年全球汽车对铝热材料的需求86万吨,年复合增长率5%。根据中国有色金属加工工业协会《关于发布 2022 年中国铜铝加工材产量的通报》,2022 年我国铝板带箔材产量 1882万吨,其中铝板带材 1380万吨,较 2021年增幅达3.37%,铝箔材502万吨,较2021年增幅达10.33%,均呈现出稳定、良好发展势头。

2022年根据格朗吉斯数据,在钎焊热交换器用轧制铝材行业,其产量约为29.7万吨,占全球份额的25%,预计全球钎焊热交换器用轧制铝材的产量为117.6万吨。

2021年全球汽车对钎焊热交换器用轧制铝材需求量约为70万吨,预计到了2025年将达到86万吨,年复合增长率5%。

2022年格朗吉斯总产能57万吨,其中汽车铝热材料产量19万吨。2022年格朗吉斯铝材产量为47.9万吨,同比下降了约-2%,其中应用在汽车的销量为19.0万吨,占比40%,应用在暖通空调的销量为10.5万吨,包装领域的销量为8.7万吨,占比18%。

华峰铝业的毛利率和净利率为行业第一,盈利能力十分优秀。我国铝轧制材细分领域的竞争表现出3个特点:

(1)国内铝板带箔生产企业较多,整体规模偏小,技术创新能力和新产品研发能力均不足,低端产品的行业门槛较低,竞争相对激烈。

(2)高附加值产品加工费水平较高,整体产能不足,竞争并不激烈。而铝轧制材美观、质轻、易加工等优势突出,替代其他材料的趋势明显,预计未来高端铝板带箔产品的需求将加大。

(3)由于铝板带箔应用领域广泛,在铝板带箔生产企业中逐渐出现各细分领域的龙头企业,呈现差异化竞争局面。各细分领域龙头企业将凭借资金和规模优势、技术与人才优势、客户资源优势等在竞争中脱颖而出,率先实现全球市场布局。

对比2022年格朗吉斯、华峰铝业、银邦股份的毛利率、净利率,2022年华峰铝业毛利率为14%,格朗吉斯为5%,银邦股份为10%,2022年华峰铝业净利率为8%,格朗吉斯为3%,银邦股份为2%。华峰铝业毛利率、净利率都要高于同行业水平。

全球铝热传输材料扩产约50万吨。目前热传输用铝材扩产项目有两个:

(1)华峰铝业正在规划“年产15 万吨新能源汽车用高端铝板带箔项目”,建设期3年,其中水冷板和复合钎焊铝板带规划约7万吨,电池料和电池用铝带材规划约8万吨。

(2)银邦股份:在淮北高新区投资建设年产 35 万吨新能源车用再生低碳铝热传输材料项目。

华峰铝业目前产能35万吨,未来将达到50万吨。目前华峰铝业已在上海拥有年产14-15万吨规模的生产基地,并在重庆投建了年产20万吨规模的生产基地。“年产15 万吨新能源汽车用高端铝板带箔项目”投建达产后,公司铝板带箔产能将合计达到49-50万吨。凭借规模优势,公司可有效降低产品的单位制造成本,同时也提高了公司对下游客户的快速供货能力。

电池料和电池用铝带材扩产约8万吨,前景也非常不错。根据统计2021年我国车用动力电池出货量220GWh,同比增长163.4%。根据中汽数据《2021节能与新能源汽车发展报告》,预计2022年我国汽车动力电池产能有望达到358GWh。若1GWh锂电池所需要的铝箔按400吨测算,2022年车用动力电池用铝箔约14万吨。根据市场预测,动力领域锂电池铝箔需求量有望在2025 年达到 49 万吨,年复合增速超过40%。

4.1 业务拆分

随着重庆“年产15 万吨新能源汽车用高端铝板带箔项目”的投产,预计2023-2025年公司铝热传输材料和新能源汽车用电池料的产量为35.5/39.5/48万吨。

2019年和2020年,因冲压件业务刚刚起步,实际销量不及预期,造成产销率较低;2021年和2022,随着冲压件业务持续拓展,产销率显著提高。预计2023-2025预计传统冲压件的产量为4000/6000/8000万件。

4.2 盈利预测

预计2023-2025年华峰铝业归母净利润为8.24/10.01/11.59亿元,同比增长23.71%/21.52%/15.84%,对应EPS为0.82/1.00/1.16元,对应PE为17.48/14.39/12.42倍。考虑到公司为国内铝热传输材料龙头,盈利水平一流,维持“买入”评级。

项目进展不及预期,新能源汽车需求不及预期,宏观经济增速放缓,储能、数据中心市场导入不及预期。

证券究报告《中邮证券-华峰铝业(601702):需求多点开花,强者恒强尽享行业高景气》

对外发布时间:2023年7月23日

报告发布机构:中邮证券有限责任公司

分析师:李帅华 SAC编号:S1340522060001

分析师:王靖涵  SAC编号:S1340122080037

法律声明:

本订阅号所载内容所指的证券或金融工具的价格、价值及收入可涨可跌,以往的表现不应作为日后表现的显示及担保。本订阅号所载内容并非投资决策服务,仅供订阅人参考之用,不是也不应被视为出售、购买或认购证券或其它金融工具的要约或要约邀请。订阅人不应单纯依靠本订阅号所载内容而取代自身的独立判断,应根据自身能力自主审慎决策,并自行承担投资风险。本订阅号所载内容不表明其对产品或者服务的风险和收益做出实质性判断或者保证,中邮证券不对使用本订阅号所载内容产生的任何直接或间接损失或与此有关的其他损失承担任何责任。

加载中...