新浪财经

水牛奶,是加水的牛奶吗?

中国质量新闻网

关注

中国质量新闻网讯 最近,水牛奶变得越来越流行。很多人很好奇,水牛奶到底是什么?是掺了水的牛奶吗?它跟普通的牛奶比差别在哪里?

水牛奶是什么? 

水牛产的奶

水牛奶就是水牛的奶。水牛主要生长于长江以南(以广西为主),对生长环境十分挑剔,数量稀少,因此水牛奶产量远远不如牛奶,两者的营养成分也有所差异。

水牛奶有什么特别? 

营养成分如何? 

根据研究,水牛奶的乳脂肪、乳蛋白、矿物质、维生素、乳糖等主要营养成分均高于牛奶。在较高脂肪、蛋白和乳糖的作用下,水牛奶的口感更加香浓丝滑,也更甜些。

水牛奶的蛋白质含量高于牛奶

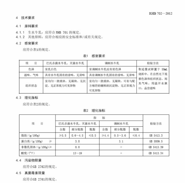
在国家标准GB 19645-2010《食品安全国家标准 巴氏杀菌乳》中,对巴氏杀菌牛乳的蛋白质含量要求是达到2.9%以上,市面上一些优质奶的蛋白质含量一般是3.2%,有些甚至可以达到3.6%。

中国乳制品工业协会发布的行业规范RHB702-2012《巴氏杀菌水牛乳、灭菌水牛乳和调制水牛乳》中,对水牛奶的蛋白质含量要求是3.8%以上,市售的一些水牛奶的蛋白质含量甚至超过4%。

水牛奶的脂肪含量高于牛奶

在国家标准GB 19645-2010《食品安全国家标准 巴氏杀菌乳》中,全脂牛乳的蛋白质含量要求3.1g/100g以上,而RHB702-2012《巴氏杀菌水牛乳、灭菌水牛乳和调制水牛乳》对全脂水牛乳的脂肪要求是5.5g/100g以上。因此,自制姜撞奶、双皮奶时会更推荐使用全脂水牛奶。

但是细心的消费者会发现,市售的大部分水牛奶的脂肪含量都在4.0%左右,跟牛奶没有明显差异。从营养学角度来讲,不推荐消费者每天食用高脂肪的食品,所以市售的大部分水牛奶其实都是“部分脱脂”,而脱脂后的水牛奶的脂肪含量与牛奶的相差无几。在脱脂的过程中,水牛奶也会损失部分的脂溶性维生素,这也是一些人认为脱脂后的水牛奶和牛奶营养差别不大的原因。

购买水牛奶 

选购注意事项

1.由于水牛奶的产量有限,导致其价格居高不下。高价催生了一些不法商家的造假行为:往水牛奶中掺水,真的变成了“水—牛奶”;或者掺普通牛奶,甚至直接用普通牛奶冒充水牛奶。消费者在选购的时候要仔细阅读产品配料表,理性选择。

2.水牛奶的较高的脂肪含量也意味着它的饱和脂肪酸含量也会高于牛奶,因此想要追求水牛奶香浓口感的消费者也需要注意营养健康,适量饮用。

(上海市质检院 朱伟)

加载中...