新浪财经

混合多端直流输电系统保护方法研究丨Engineering

媒体滚动 2022.04.22 12:06

本文选自中国工程院院刊《Engineering》2021年第8期

作者:郑玉平, 何佳伟, 李斌, 吴通华, 戴魏, 李晔

来源:Research on DC Protection Strategy in Multi-Terminal Hybrid HVDC System[J].Engineering,2021,7(8):1064-1075.

高压直流输电具有输送容量大、距离远、损耗小等突出优势,在输电领域已得到快速发展。传统高压直流输电系统存在换相失败等固有缺点,而混合直流输电系统可以有效抑制换相失败问题且造价成本低,日益受到关注。其中,混合多端直流输电可实现多落点受点及区域电网间的紧密互联,具有广阔的应用前景。

中国工程院院刊《Engineering》2021年第8期刊发河海大学郑玉平教授等研究人员的《混合多端直流输电系统保护方法研究》一文。文章针对混合多端直流系统应用,提出了一种基于暂态信号和主动注入思想的单端量保护新原理。该方法主要基于暂态信息和主动注入思想实现故障辨识。与应用于常规高压直流输电和柔性直流电网系统的单端量保护相比,所提方法无需依赖线路两端的边界元件,因此更加适用于混合多端直流系统。大量的仿真算例充分验证了所提方法的可行性和优越性。

一、引言

高压直流(high-voltage direct current, HVDC)输电具有输送容量大、距离远、损耗小等突出优势,因此在输电领域得到了快速发展。但是,传统高压直流(LCC-HVDC)输电系统存在换相失败的固有缺点。不同的是,电压源换流器应用全控型电力电子器件,从根本上避免了换相失败风险。但需要注意的是,全控型电力电子器件的应用导致其造价成本会显著提升。混合直流输电系统在整流侧仍然应用LCC换流器,在逆变侧则应用VSC换流器,有效抑制了LCC-HVDC的换相失败问题(换相失败主要发生在逆变侧),而且造价成本显著低于VSC-HVDC系统,因此具有突出的应用前景。

目前,混合直流系统主要包括四种类型,即极-极混合、混合多馈入、端-端混合以及混合多端。其中,极-极混合直流输电系统和混合多馈入系统利用引入的VSC换流器向交流系统提供无功支撑,因此能够有效降低换流器的换相失败风险。端-端混合直流在整流侧应用LCC换流器、在逆变侧应用VSC换流器,可从本质上消除换相失败风险(LCC-HVDC的换相失败主要发生在逆变侧)。进一步地,混合多端直流输电可实现多落点受点及区域电网间的紧密互联,具有广阔的应用前景。然而,混合多端直流输电系统的保护原理将面临全新的挑战。

混合多端直流系统的线路保护设计可参考LCC-HVDC系统及VSC-HVDC系统。单端量保护具有动作速度快的优点,因此可作为高压直流输电系统的线路主保护。在LCC-HVDC系统中,一般将单端行波保护作为线路主保护。例如,ABB公司利用电压行波的变化量和变化率构建行波保护主判据,实现区内外故障的可靠识别。西门子公司则利用电压变化量和电压变化率构建保护判据。上述保护判据均利用线路两端的滤波器对行波的阻滞作用实现区内外故障辨识。此外,虽然在VSC-HVDC系统中不安装直流滤波器,但是直流线路两端均会安装限流电抗器,同样能够有效阻滞行波传播。因此,基于边界特性思想的单端量保护原理同样能够适用于VSC-HVDC系统。例如,考虑到电抗器在高频段对信号有更强的阻碍作用,文献[8]提出了一种基于高频暂态信号的单端快速保护新原理,显著提升保护的过渡电阻耐受能力。

然而,需要注意的是,上述单端量保护原理均依赖于线路两端边界元件对行波的阻滞作用实现区内外故障辨识。在混合直流电网中,VSC端不再安装直流滤波器。同时考虑到混合直流系统主要应用自清除型VSC实现故障电流的清除与抑制,限流电抗器只需安装在换流器出口,而不需要安装在线路两端。这意味着线路两端的边界元件不复存在,应用于LCC-HVDC系统和VSC-HVDC系统的单端量保护将无法再适用于混合多端直流系统。电流差动保护无需依赖线路边界,但是其动作可靠性受到线路参数分布电容电流影响极大,而且需要依赖通信,无法作为直流线路主保护。为此,适用于混合多端直流输电系统的单端量保护原理仍有待进一步研究。

针对混合多端直流系统应用,本文提出了一种基于暂态信号和主动注入思想的单端量保护新原理。文章结构主要如下。在第2节中,针对混合多端直流系统的典型拓扑结构,讨论了传统单端量保护的适用性。在此基础上,第3节提出了一种适用于混合多端直流输电系统的单端量保护新原理。在第4节中,通过大量的仿真算例验证了所提方法的可行性和优越性。最后,在第5节中给出了相应的结论。

二、混合多端直流输电系统保护面临的风险与挑战

(一)混合多端直流输电系统典型拓扑结构

LCC-HVDC输电系统已得到了广泛的应用。但其采用晶闸管作为换流阀的开关元件,无法自主关断,导致LCC换流器需要依靠交流电网电压完成换相过程。当交流系统电压跌落时,换相过程会受到影响,严重时可能会导致换相失败。因此,换流器(特别是逆变侧)的换相失败问题成为LCC-HVDC推广应用的核心问题。

基于电压源换流器(VSC)的直流输电系统采用全控型电力电子器件[如绝缘栅双极型晶体管(IGBT)],因此不存在换相失败问题。混合直流输电系统的逆变侧使用VSC替换LCC,在整流侧仍保留LCC换流器,既可以有效降低换相失败风险,又能显著降低柔性直流输电技术的造价成本。

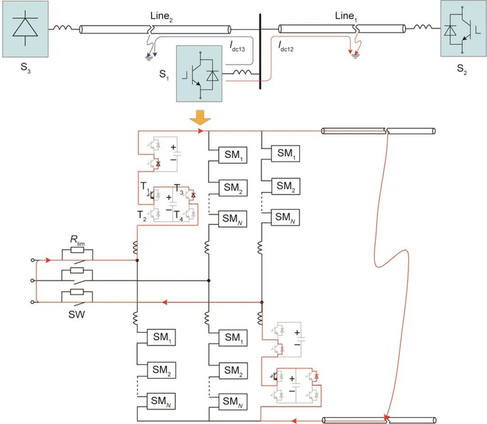
典型的三端混合直流输电系统如图1所示。其中,整流站S3仍使用LCC换流器,逆变站S1、S2则使用VSC(MMC)换流器,从而有效消除逆变侧的换相失败问题。

然而需要注意的是,LCC换流器可以通过调节触发角控制直流故障电流,但常规的VSC换流器,如两电平VSC和半桥MMC,并不具备故障穿越能力。因此,在图1所示的混合直流输电系统中,S1、S2换流站的MMC为半桥子模块和全桥子模块构成的混合式MMC。当直流线路发生故障,可通过主动闭锁全桥子模块,反向投入子模块电容,实现故障电流的快速清除。并利用直流开关(SW1~SW3,不具备熄弧能力)最终实现故障线路的隔离。

(二)混合多端直流输电系统保护存在的问题

在常规高压直流输电系统中,直流线路两端存在平波电抗器和直流滤波器,对故障行波具有显著的阻碍吸收作用,区外故障时的故障行波明显小于区内故障。因此,可利用电压行波的幅值或变化率区分区内外故障。在VSC-HVDC系统中,由于换流器波形质量远优于LCC换流器,无需额外加设直流滤波器。但在线路两端一般会装设限流电抗器抑制直流故障电流,同样会对故障行波产生阻碍作用,因此基于边界特性的保护原理同样适用。

但是,在混合多端直流输电系统,混合型MMC换流器自身具备直流故障电流抑制与清除能力,无需在线路两端装设限流电抗器。如图1中所示,限流电抗器仅需安装在换流器出口处,而非线路两端。在这种情况下,传统的直流线路单端量保护原理无法再有效识别区内外故障。例如,对于安装在S2站出口的保护监测点P2,线路1末端的f1故障与线路2末端的f4故障所产生的故障行波将非常相近,P2处的单端量保护无法再有效区分故障f1f4

显然,应用于LCC-HVDC系统及VSC-HVDC系统的单端量保护无法直接适用于混合多端直流输电系统。因此,有必要对混合多端直流输电系统的直流线路单端量保护展开深入研究。

三、适用于混合多端高压直流输电系统的新型直流保护方法

(一)新型直流保护方法

根据上述分析,由于线路两端没有边界元件(如直流滤波器和直流电抗器),LCC-HVDC和VSC-HVDC系统的单端量保护不能直接应用于混合多端HVDC系统。因此,本文提出了一种新型单端量保护方法,如图2所示。该方法能够在没有边界元件的情况下可靠区分故障线路(如图1中所示,主要指S1站的保护P1,其与多条直流线路相连)。具体步骤如下:

(1)测量直流电压和电流,Udc1_l(换流站S1电抗器线路侧的直流电压)、Udc1_s(换流站S1电抗器站侧的直流电压)、Idc12Idc13。如果|dUdc1_l /dt| > Δ1或|dIdc12/dt| > Δ2或|dIdc13 /dt| > Δ2,则启动保护。

(2)提取直流电压Udc1_lUdc1_s的高频分量,以获得Udc1_l_hf和Udc1_s_hf

如果max|Udc1_l_hf| /max|Udc1_s_hf| ≤ ksetkset是可靠性系数,略大于1),表示故障发生在换流站S1。立即闭锁换流器,然后在故障电流清除后打开开关SW3,结束保护算法。

如果max|Udc1_l_hf| /max|Udc1_s_hf| > kset,则表明故障发生在电抗器(安装在换流站出口处)的直流侧。闭锁换流站,但保护算法尚未结束,将执行以下步骤。

(3)延时Δt1,从换流站注入受控电流(电流注入方法将在下文中介绍),然后再延时Δt2

(4)利用直流电流特征区分故障线路。如果线路1上的直流电流大于门槛值,即Idc12 > Iset,则表明故障在线路1上。再次闭锁换流站,然后打开开关SW1。之后,重新启动换流站。结束保护。

如果线路1上的直流电流不大于门槛值,即Idc12Iset,但线路2上的直流电流大于门槛值,即Idc13 > Iset,表明故障在线路2上。在这种情况下,再次闭锁换流站,然后打开开关SW2。随后,重新启动换流站。结束保护算法。

如果Idc12Idc13都不大于门槛值Iset,则表明故障是非永久性的,并且已经消失,换流站可以直接重新启动。保护结束。

在上述步骤中,Δ1及Δ2是保护启动判据的门槛值。Δ1应大于系统正常运行期间可能出现的直流电压变化率,Δ2应大于系统正常运行期间可能出现的直流电流变化率。延迟时间Δ1的引入是为了保证非永久性故障情况下故障线路的绝缘恢复,在HVDC系统中该延时一般设为200~500 ms。在所提出的保护方法中提取的高频暂态电压是一个快速衰减信号,因此利用小波变换提取该信号。这是因为小波变换在高频范围内具有出色的时域分辨率。此外,在文献[8]和[10]中开展了基于暂态电压幅值比的直流故障方向判据理论基础研究和仿真测试验证,该判据可用于确定故障发生在电抗器线路侧或阀侧,本文中不再进行详细讨论。

此外,在换流站闭锁期间,直流电压和电流也会发生快速变化,所提的保护方法可能误动作。但是需要注意的是,在混合多端直流输电系统中,换流站的闭锁是通过不同换流站间的合作实现的,这意味着闭锁信号将在所有换流站间进行通信。因此,该信号也可发送至保护装置。当保护装置接收到换流站闭锁信号时,它将被闭锁一段时间,以防止保护误动。

(二)电流主动注入的控制策略

在上述保护方法中,核心思想是利用来自换流站的受控电流区分故障线路(线路1或线路2),并识别故障特性(确定故障是否消失)。为此,该小节重点介绍了实现受控电流主动注入的换流站控制策略(以换流站S1为例),如图3所示。

根据混合式MMC的工作原理,当检测到直流故障时,全桥子模块和半桥子模块中的所有IGBT都被闭锁,从而实现故障电流的快速清除。在延时∆t1以后,打开换流站交流侧与启动电阻并联的开关,从而将启动电阻重新投入到系统中。然后,导通每个全桥子模块和半桥子模块中的IGBT T1,如图3所示。

上述控制策略下,混合式MMC的运行特性与不控整流器的运行特性相同。因此,当直流故障点仍然存在时,交流侧电源将向直流侧供给电流。在此期间,换流器交流侧的启动电阻(Rlim,达数千欧姆)处于接入状态,因此注入直流侧的电流完全限制在可接受的范围内,不会对系统造成冲击危害。

显然,如果故障在线路1上,Idc12 > 0且Idc13 = 0(忽略线路电容暂态电流);而如果故障在线路2上,Idc12 = 0且Idc13 > 0;不同的是,如果故障点已经消失,则Idc12 = 0且Idc13 = 0。因此,故障线路和故障性质的识别判据可设计为:

应注意的是,由于输电线路存在分布电容,在电流注入的初始阶段,当故障发生在线路1上时,线路2上同样会出现电容暂态充电电流;同样,当故障发生在线路2上时,线路1上亦会出现充电电流。当故障点已经消失,线路1和线路2上均会出现电容暂态充电电流。因此,本文在该判据之前引入延迟时间∆t2,以确保线路电容的充电电流已经消失。

此外,在上述内容中,作为示例讨论了由全桥子模块和半桥子模块组成的混合式MMC。事实上,对于使用不同自清除子模块的其他类型的混合式MMC,如钳位双子模块(CDSM)和自闭锁子模块(SBSM),所提出的主动注入控制策略也都适用。例如,如图4(a)中所示,对于由HBSM和CDSM组成的混合式MMC,在主动注入期间导通每个CDSM中的IGBT T5。此时,混合式MMC同样运行于类不控整流状态,向直流侧注入受控电流,与图3所示的情况相同。图4(b)展示了应用SBSM的情况下主动注入期间的电流流动路径。类似地,在IGBT T5和T6投入的情况下,混合式MMC同样能够实现受控电流的主动注入。

图4 主动注入策略在不同自清除子模块情况下的适用性。(a)由CDSM和HBSM组成的混合式MMC;(b)由SBSM(也称为TLSM)和HBSM组成的混合式MMC。

(三)各端保护间的协调配合

如上所述,3.1节提出的保护方法应用在图1所示的三端混合直流系统的S1站出口,其他两端配置的保护P2和P3则可进行简化。

对于保护P2和P3,执行3.1节中的步骤(1)和步骤(2)即可。换言之,直流故障发生后,保护P2和保护P3也可快速启动。然后,基于电抗器两侧暂态电压比的故障方向判据开始判别故障发生在哪一侧,保护P2根据暂态电压幅值比max|Udc2_l_hf | /max|Udc2_s_hf |进行判断,保护P3则根据max|Udc3_l_hf | /max|Udc3_s_hf |进行判断。如果故障发生在换流站内,则闭锁相应的换流站,保护结束。相反,如果故障发生在电抗器的直流侧,则通过闭锁换流器来清除故障电流,直到线路电压恢复后再重新启动换流器。

对于保护P3来说,如果本端线路电压没有恢复(如Udc3_l ≤ 0.8UdcN),换流站S3将一直处于闭锁状态。然而,对保护P2而言,如果本端电压Udc2_l在延时∆t3内没有恢复,将执行进一步的操作。根据第3.1节中提出的保护方法,只有两种情况会导致S2端的线路电压(Udc2_l)在延迟时间∆t3内无法恢复:①直流故障发生在线路1上,开关SW1已断开;②故障发生在换流站S1内,开关SW3已断开。

为了区分上述两种情况,在换流站S2侧注入受控电流。如果测得的电流Idc21 > Iset,则表明故障发生在线路1上,换流站S2应重新闭锁。如果测得的电流Idc21 Iset,则表明故障不在线路1上(即属于情况2),应重新启动换流站。

通过上述协调配合,直流故障线路可以仅根据本地信息进行区分(永久性故障)和恢复(非永久性故障),因此保护不再需要通信。

(四)门槛值整定

在工程实际应用时,保护门槛值的计算不可或缺,为此本小节中将讨论所提保护方法中涉及的门槛值计算方法。

(1)启动判据的门槛值:在所设计的保护方法中,将直流电压和直流电流变化率作为保护启动判据。因此,Δ1应大于系统正常运行期间可能出现的|dUdc1_l /dt|最大值,并小于最微弱故障(远端高电阻故障)时的电压变化率。同理,Δ2应大于系统正常运行期间可能出现的|dIdc12 /dt|(或|dIdc13 /dt|)最大值,并小于最微弱故障下的电流变化率。在工程实际中,可根据仿真结果确定上述门槛值。

(2)故障方向判据的门槛值在所设计的保护方法中,基于max|Udc1_l_hf |/max|Udc1_s_hf |辨识故障方向,即故障发生在电抗器的哪一侧。根据文献[8]和[10]可知,当故障发生在电抗器的线路侧时,max|Udc1_l_hf |/max|Udc1_s_hf |大于1,而当故障发生在电抗器的换流站侧时,该值小于1。在具体应用时,引入可靠系数kset提高方向判据的可靠性(一般kset取值略大于1,例如1.2)。

(3)故障区段识别判据的门槛值:根据3.2节的分析,在主动注入期间,如果故障已经消失或不在该线路上,直流线路电流等于零;如果故障点在该线路上,直流线路电流将大于零。因此,门槛值Iset仅需略大于零,用于消除测量误差和通信误差的影响。

(4)延迟时间的门槛值(Δt1t3):在所设计的保护方法中,延迟时间∆t1用于故障线路的绝缘恢复,在高压直流输电系统中通常设为200~500 ms。

如前文中所述,延迟时间∆t2的引入是为了消除线路电容暂态充电电流对保护判据的不利影响。在主动注入期间,换流器运行于不控整流状态。如果故障点仍然存在,则交流侧馈入的直流电流将再次出现,如图5中的蓝色曲线所示。

然而,如果故障已消失或不在该线路上,则稳态直流电流为零。但主动注入初期将出现线路分布电容的暂态充电电流,如图5中的红色曲线所示。根据图5中的等效电路,该暂态充电电流可表示为

式中,σ=Rline /2Lline

RlineLlineCline分别表示线路的等效电阻、电感和电容;Udc为换流器的输出直流电压(在不控整流运行模式下)。如图5所示,在前半个振荡周期内(T/2),充电电流大于零,该特点与故障点仍然存在的情况相似,可能会对故障区段与性质的可靠识别造成影响。然而,在第一个半周期(T/2)之后,充电电流将是非常小的值或负值(在随后的半周期中)。因此,延迟时间∆t2只需大于T/2即可,即

对于保护P1,应使用较长线路的RlineLlineCline来确定∆t2。因为线路越长,LlineCline就越大,充电电流振荡周期也就越大。

此外,延迟时间∆t3应保证安装在S1端的直流保护装置(保护P1)已完成相应动作。因此,∆t3应大于∆t2+ts+twave_dif,其中,ts是开关操作的时间,twave_dif是保护P1和保护P2之间故障初始行波到达的时间差。此外,∆t3还应包括直流电压的恢复时间。

四、仿真算例研究

本小节在PSCAD/EMTDC平台上搭建了如图1所示的三端混合高压直流输电系统,具体参数如表1所示。在该模型中,S1站使用LCC换流器,S2站和S3站使用混合式MMC换流器(HBSM和FBSM的混合)。此外,直流架空线路使用频率相关模型。为验证所提保护方法的工作原理和优越性,观测了10 kHz采样下保护P1、P2、P3在不同故障情况下的动作情况。仿真算例中延时∆t1、∆t2、∆t3分别设为200 ms、10 ms和50 ms。在故障方向判据中的kset值设为1.2。门槛值Iset设为0.3 kA。另外需要注意的是,基于电压变化率和电流变化率的启动判据是直流保护中典型的启动判据,由于篇幅限制,在仿真中不再进行讨论。

表1 三端混合直流输电系统参数

(一)传统单端量保护在混合多端直流输电系统中的适用性

目前,高压直流输电系统的主保护一般采用行波保护、ROCOV保护或暂态电压保护。本节分别设置t = 6.3 s时在f1f4处发生金属性极对地故障。保护P2的动作情况如图6所示,验证传统直流线路单端量保护在混合多端直流输电系统中的适用性。

图6 混合多端直流输电系统f1f4故障后传统单端量保护的动作性能。(a)直流电压Udc2_1;(b)直流电流Idc21;(c)电压行波(TW);(d)ROCOV;(e)暂态电压。

图6(c)所示为f1f4处故障后,保护P2处测量到的反向电压行波仿真结果。如上文所述,行波保护主要是利用电压行波的幅值来区分区内外故障。而如图6(c)所示,对于保护P2f1故障后观测到的电压行波与f4故障后观测到的电压行波基本相同。这是因为Line1和Line2之间没有边界,故障点f1f4在空间上可视为同一个点。这说明在混合多端直流输电系统中,由于线路两端没有边界元件,单端行波保护无法可靠地区分区内故障和区外故障。同样地,如图6(d)和(e)所示,ROCOV保护和暂态电压保护也不适用于混合多端直流输电系统。

(二)新型保护方法的动作性能

在本小节中,分别设置f1f2处发生故障,验证所提保护方法在线路两端无边界情况下的动作性能。

(1)故障f1

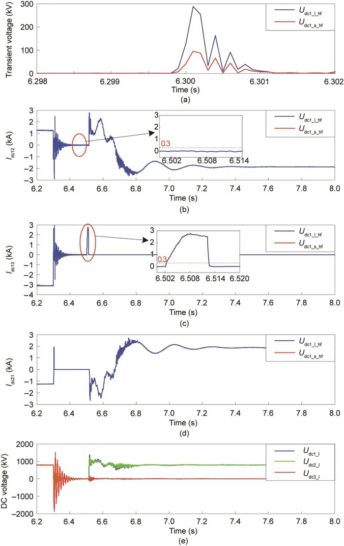
在本算例中,设置t = 6.3 s时f1处发生金属性故障,仿真结果如图7所示。如图7(a)所示,故障以后,max|Udc1_l_hf |/max|Udc1_s_hf |的值为2.99,大于门槛值1.2。因此,保护P1将故障识别为线路侧故障。在延时∆t1t = 6.502 s左右)后,换流器S1的主动注入控制策略投入运行。如图7(b)所示,主动注入并延时∆t2后,Line1上的直流电流Idc12大于门槛值Iset(0.3 kA)。因此Line1被识别为故障线路,打开开关SW1切除故障线路。随后重启S1站建立直流电压。因此,换流站S3端的线电压,即Udc3_l,也迅速上升到门槛值640 kV以上,如图7(e)所示。保护P3测得Udc3_l的恢复情况,S3站重启。而在S2端,线路电压(Udc2_l)一直无法恢复。且在主动注入过程中,直流电流Idc21上升到门槛值以上,如图7(d)所示。因此,保护P2判定故障发生在Line1,S2站重新闭锁不再重启,如图7(e)所示。

图7 所提保护方法在金属性故障f1后的动作性能。(a)暂态电压;(b)直流电流Idc12;(c)直流电流Idc13;(d)直流电流Idc21;(e)直流电压。

此外需要注意的是,在主动注入期间,注入电流保持在一个可控的水平内(低于额定直流电流)。这是因为换流器交流侧的启动电阻在此期间接入系统中,有效地限制了注入电流。

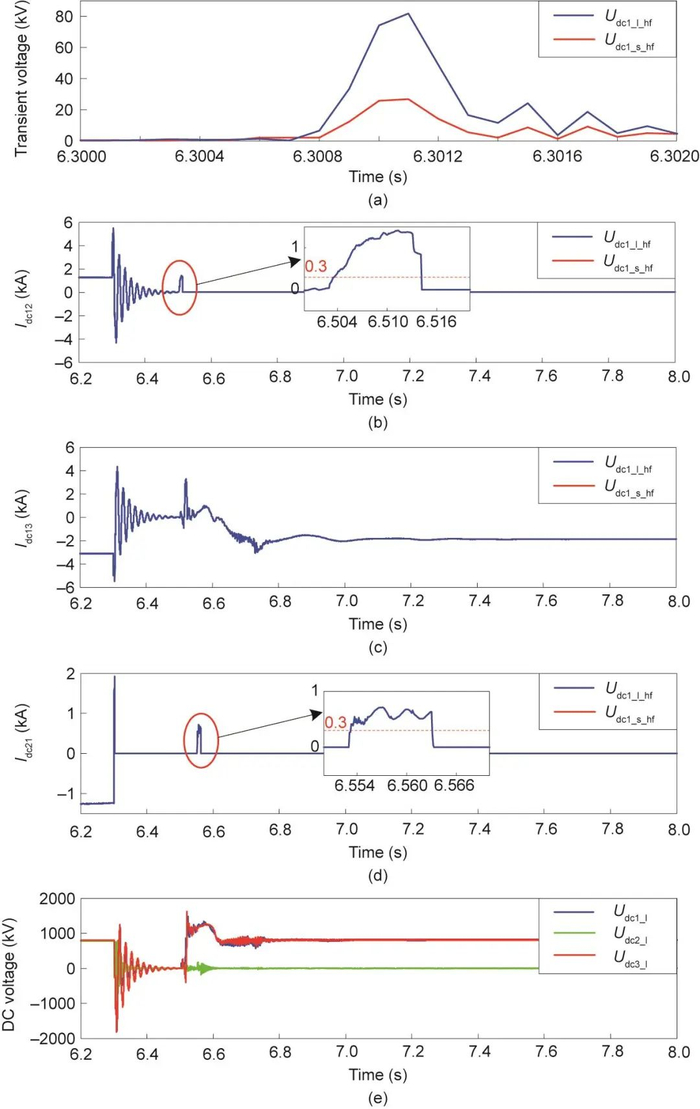
(2)故障f4

在本算例中,设置t = 6.3 s时f4处发生故障,仿真结果如图8所示。如图8(a)所示,故障被可靠地识别为直流侧故障。但不同的是,在主动注入后,Line1上的直流电流Idc12没有超过门槛值Iset,而Line2上的直流电流Idc13则超过了Iset。因此,Line2被识别为故障线路,打开开关SW2。随后重启换流站S1建立直流电压。因此,保护P2测得线路电压Udc2_l的恢复,如图8(e)所示,换流站S2也重新启动。另外,保护P3无法监测到线路电压Udc3_l的恢复,因此站S3不重启。

图8 所提保护方法在金属性故障f4后的动作性能。(a)暂态电压;(b)直流电流Idc12;(c)直流电流Idc13;(d)直流电流Idc21;(e)直流电压。

以上仿真算例充分验证所提保护方法在混合多端直流输电系统中能够可靠地识别故障线路,并保障健康网络的快速恢复。此外需要注意的是,由于在主动注入期间使用了启动电阻,注入电流被限制在可接受范围内,因此不会对系统造成冲击危害。

(三)所提保护方法的鲁棒性

本算例重点观测了所提保护方法在不同故障情况下的动作性能。如图9和图10所示,不管是线路中点f2处发生故障还是线路末端f3处发生故障(对于保护P1来说),所提保护方法均可以精确辨识出故障线路,并保障健全网络恢复到正常运行状态。这表明所提出的保护方法在不同故障情况下均能可靠动作。除此之外,如图10中所示的f3处故障为高阻故障(300 Ω过渡电阻),充分证明所提保护方法具有耐受高过渡电阻的能力。

图9 所提保护方法在f2处发生金属性故障后的动作性能。(a)暂态电压;(b)直流电流Idc12;(c)直流电流Idc13;(d)直流电流Idc21;(e)直流电压。

图10 所提保护方法在f3处发生300 Ω过渡电阻故障后的动作性能。(a)暂态电压;(b)直流电流Idc12;(c)直流电流Idc13;(d)直流电流Idc21;(e)直流电压。

五、结论

直流保护是混合多端直流输电系统推广应用的核心关键技术。但是,混合多端直流输电线路两端不存在线路边界,LCC-HVDC和VSC-HVDC系统中应用的单端量保护原理无法适用。为此,本文提出了一种适用于混合多端直流输电系统的新型单端量保护方法。该保护方法利用暂态电压识别故障方向(直流侧或换流器侧),然后通过受控电流主动注入识别故障线路。与LCC-HVDC和VSC-HVDC系统中应用的单端量保护相比,该保护方法可以在没有线路边界的情况下精准辨识故障线路。此外,该保护方法无需通信,因此与纵联保护(如电流差动保护)相比,可以降低投资成本。

注:本文内容呈现略有调整,若需可查看原文。

改编原文:

Yuping Zheng, Jiawei He, Bin Li, Tonghua Wu, Wei Dai, Ye Li.Research on DC Protection Strategy in Multi-Terminal Hybrid HVDC System[J].Engineering,2021,7(8):1064-1075.

加载中...