新浪财经

功率半导体行业深度报告:量价齐升,国产替代正当时

新浪财经

关注

来源:未来智库

(报告出品方:民生证券)

一、下游需求旺盛驱动功率半导体市场规模增长

(一)功率半导体用途广泛,市场空间广阔

功率半导体用途广泛。功率半导体为可起到功率转换、功率放大、功率开关、线路保 护和整流等作用,其下游应用十分广泛,几乎用于所有的电子制造行业,传统应用领域包 括消费电子、网络通信、电子设备等产业。随着社会经济的快速发展及技术工艺的不断进 步,新能源汽车及充电桩、智能装备制造、物联网、新能源发电、轨道交通等新兴应用领 域逐渐成为功率半导体的重要应用市场,带动功率半导体需求快速增长。

功率半导体按类型可分为二极管、晶闸管、晶体管。1)功率二极管结构简单,有单 向导电性,广泛用于消费电子中。2)晶闸管体积小、可靠性高,多用于高压直流输电、 轨道交通。4)晶体管可进一步分类为 BJT\MOSFET\IGBT。BJT 有低导通压降特性,有电 流放大和开关的作用,常用于家电和开关电路。MOSFET 有易于驱动、频率超高的特点, 主要应用于手机充电器、移动电源、车载导航等。IGBT 兼具 MOSFET 的高输入阻抗和双 极型三极管 BJT 的低导通压降两方面的优点,开关速度高,易于驱动,频率高,损耗低, 常用于 600V 以上的大功率装置,如电动汽车充电桩、逆变器等。

全球及中国功率半导体市场空间广阔。近年来,受益于社会经济、技术水平的进步以 及应用领域的拓宽,功率半导体的市场空间稳步增长。2020 年全球功率半导体市场空间 约为 430 亿美元,据 Omdia 预测到 2024 年将进一步增长至约 525 亿美元,未来 4 年 CAGR 约为 5%。另据 IHS 数据显示,2018 年中国功率半导体市场空间约为 138 亿美元,占全球 市场份额的 35%,预计 2021 年中国功率半导体市场空间将增至 159 亿美元,CAGR 约为 5%。

汽车电子、工业电子、消费电子是功率半导体的主要应用领域。从全球功率半导体的 下游应用领域占比来看,2019 年汽车电子占比最多,达 35.4%,工业电子、消费电子的占 比分别为 26.8%和 13.2%,是第二、第三大应用领域。从中国功率半导体的下游应用领域 来看,2019 年在汽车电子同样占比最多达 27.4%、其次是消费电子、工业和电力,占比分 别为 23.1%和 18.6%。

(二)新能源汽车产业发展提振功率半导体需求

政策、市场双导向,推动新能源汽车景气度上行。政策方面,多国二氧化碳限排政策、 新能源汽车补贴政策双管齐下,以应对全球气候变暖压力,汽车电动化路线愈加明显。在 欧盟,ACEA 汽车温室气体排放协议规定,到 2030 年以前,汽车二氧化碳排放量需低于 每公里 59 克。根据英飞凌测算,欧盟新能源汽车渗透率将在 2030 达到 40%。在中国, 《新能源汽车产业发展规划(2021—2035 年)》提出新能源汽车发展愿景,计划到 2025 年, 国内新能源汽车渗透率达到 20%。

汽车电动化大势所趋,功率半导体面临新的增长机遇。以电力系统作为动力源的新能 源汽车,对电子元器件功率管理,功率转换能力提出了更高的要求。在传统汽车中,功率 半导体主要应用于车辆启动,发电和安全领域,低压低功率电子元器件即可满足其工作需 求。而在新能源汽车中,电池输出的高电压需要进行频繁的电压变换,电流逆变。这些电 路大幅提高了汽车对 IGBT、MOSFET、双极晶体管、二极管的需求,从而提升了单车功 率半导体价值。

预计2025 年中国新能源汽车用功率半导体市场规模将达 104 亿元。乘联会预计 2025 年中国汽车销量将达 2400 万辆,若新能源汽车渗透率能够达到规划提出的 20%,则 2025 年新能源汽车销量预计将达到 480 万辆。根据英飞凌最新统计,全电池电动车(BEV)和 全插电混合电动车(PHEV)中功率半导体平均价值约为 330 美元。如果不考虑我国新能 源汽车中占比较小的轻混电动车、燃料电池电动车,预计中国新能源汽车功率半导体市场 空间将在 2025 年达到 104 亿元人民币。

电动车充电桩需求提升也将带动功率半导体需求增长。未来新能源汽车的普及也必 将推动充电桩需求的提升,且随着应用场景的优化,快充将成必然需求,带动充电桩功率 提升。而 IGBT 等功率半导体器件在是充电桩电源模块必不可少的部分。随着充电桩数量 和功率的提升,相应的功率半导体市场空间将进一步扩大。

IGBT 约占充电桩 20%的成本,预计 2025 年充电桩 IGBT 市场空间将达 35 亿元。 我国汽车充电设施的保有量随着新能源汽车市场的发展不断提升。2019 年中国新能源汽 车保有量 418.12 万辆,充电桩保有量 122 万座,车桩比约为 3.4:1。其中公共交流电充 电桩交 30 万座,公共直流电充电桩 22 万座,私人充电桩 70 万座。由于直流电充电桩功 率高,充电速度快,更能够满足消费者需求,在未来有更高的提升空间。

从目前看来,新能源汽车报废周期在 8-10 年之间,按前述测算,2025 年新能源汽车 保有量将达到 1847 万辆,随着新基建的推进,假设到 2025 年车桩比提升至 3:1,可推 算出 2025 年充电桩保有量约为 615 万个,由于新基建侧重公共充电桩的建设,到 2025年,公共车桩比例有望到达 50%。目前市场上公共直流电充电桩成本约为 4 万元,公共交 流电充电桩成本约 0.5 万元,私人交流电充电桩成本约 0.3 万元,IGBT 在充电桩中的成本 约为 20%,我们预计充电桩用功率半导体市场空间将在 2025 年达到 35 亿元。

(三)新能源发电装机量持续增长,带动功率半导体需求提升

功率半导体是光伏逆变器中的核心器件。光伏发电系统由太阳能电池阵列、蓄电池、 逆变器组件、控制器和交流/直流负载组成。因为太阳能电池产生的电能为直流电,要将发 出来的电回馈给电网,就需要将直流电通过光伏逆变器转换为电网要求的 220V、50HZ 的 交流电。光伏逆变器中,功率半导体模组,分立器件起到提高转换效率、降低系统散热片 的尺寸、提高相同电路板上的电流密度作用。

预计2025 年光伏逆变器用功率半导体市场空间约为 44 亿元。以光伏发电为例,新 增装机和逆变器更换都将带来功率半导体的需求增长,根据 Trend Force 预测,2025 年光 伏逆变器出货量将达 327GW。光伏发电设备的逆变器可选择组串式逆变器、集中式逆变 器和集散式逆变器,根据 CIPA 测算,2019 年上述三类逆变器的加权平均成本大约为 0.2 元/W,2025 年有望降至 0.15 元/W。假设光伏逆变器成本中,功率半导体的占比在 9%左 ,预计 2025 年光伏逆变器功率半导体市场空间约为 44 亿元。

(四)5G 时代四大场景,驱动功率半导体需求提升

场景一,受益于 5G 基站数量提升带动功率半导体需求增长。为传输更大量的信息, 5G 传输信号所用电磁波比 4G 有更高的频率,这导致电磁波穿透能力降低,信号衰减速 度加快。为保证通讯信号畅通,5G 基站的覆盖密度必须高于 4G 基站,因此基站数量将 保持上升趋势。截至目前,我国三大运营商 4G 基站数量合计 314 万座,若想达到 4G 一 样的信号覆盖范围,5G 基站的数量将会是 4G 的 2 到 3 倍。更多的基站建设为功率半导 体的需求带来了更大的空间。

场景二,毫米波、Massive MIMO 等技术应用提升单个基站功率半导体价值量。为 实现大带宽,低延时网络传输,5G 通信使用了毫米波、Massive MIMO 等技术。目前工 信部为三大运营商发放的 5G 牌照中,频谱均在 2GHz 以上,随着 5G 商用化程度提升, 未来 5G 信号频谱可能将进入毫米波时代,提高基站的发射功率将成为运营商不得不面临 的问题。MIMO 是指通过多个天线发送、接受信号。在固定信号频率和发射功率的条件下, 天线数量越多,系统信道容量越高,信号覆盖范围越广。据英飞凌统计,4G 基站中使用 的 4T4RMIMO 中,功率半导体价值约为 25 美元,5G 基站中使用的 Massive MIMO 中, 功率半导体价值将提升至 100 美元。

场景三:5G数据爆发式增长,云服务数据中心扩容带来功率半导体需求提升。5G 时 代,更高的传输速率伴随着更大的瞬时数据量,蜂窝网络传输承载能力的提升将对手机功 率半导体提出更高的要求。此外,物联网的发展将带来更多终端设备,要储存这些设备发 送的数据,云服务数据中心必将提高其存储容量、运算速度,这些建设将有效带动 AC/D C,DC/DC 等电源管理模块的需求。

场景四:雾计算为功率半导体带来增量市场。云计算是装配了大量服务器,存储器的 数据中心提供的服务,由于其不能支持高移动性终端设备、不支持地理位置信息等因素, 雾计算应运而生。采用分布式架构的雾计算更接近网络边缘,它将数据处理,应用程序集 中在例如路由器,机顶盒之类的网络边缘设备中,这些设备的增加将带动功率半导体的用 量提升。

(五)消费电子为功率半导体带来巨大增量

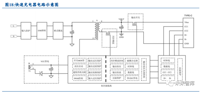
手机快充化提升功率半导体的需求。随着人们对手机充电效率要求的提高,快充模式 成为主要的发展方向。快充的主要原理是提高充电电压或充电电流以达到高功率充电的目 的,这一过程中需要 MOSFET 起到同步整流的作用,从而保证高电压充电的安全。GaN 基 MOSFET 是目前快充功率半导体的发展趋势,它可以使充电器减少发热,缩小充电器 体积。预计 2022 年全球有线充电器市场空间 1081 亿元,快充占比将达到 91.2%,市场 空间达 986 亿元。据奥海科技招股书中测算,快速充电器中半导体材料成本占比约为 12%, 预计 2022 年全球快充功率半导体市场空间约为 118.32 亿元。

家电变频化,核心器件功率半导体需求增加。家电变频是通过 IGBT,MOSFET,晶 闸管等功率半导体改变家电的供电频率,从而调节负载,起到降低功耗,减小损耗的作用。以空调为例,相比定频空调,变频空调避免了压缩机的频繁开启,可节约 15%-30%的电量。得益于节能、高效等属性,变频家电渗透率将在未来得到快速提升,从而带动功率半导体的需 求。据英飞凌测算,定频家电功率半导体价值量约为 0.7 欧元,而在变频家电内价值量约 为 9.5 欧元,相比提升超过 12 倍。

预计到 2022 年变频家电用功率半导体市场空间将增至 462 亿元。根据 IHS 统计, 2017 年全球家电销量约为 7.11 亿台,其中可变频家电销量为 2.44 亿台,占比为 34%。预 计到 2022 年可变频家电销量将达到 5.85 亿台,占比达到 65%。变频家电 17-22 年销量 CAGR 为 19.1%。我们根据以上数据进行测算,预计到 2022 年变频家电用功率半导体市 场空间增长至 432 亿元。(备注:按 1 欧元等于 7.78 元人民币汇率测算)。

二、晶圆代工产能紧张,有望带动功率半导体价格上涨

8 英寸晶圆需求大增,加剧产能紧张。目前大部分功率半导体器件已从原先的 6 英寸 晶圆生产线转移至 8 英寸生产线,同时分立器件,MEMS,模拟芯片等半导体产品也将大 部分生产线转移至 8 英寸厂。今年一季度以来“宅经济”推动电脑、平板类产品需求增长, 三季度以来,汽车、家电市场景气度持续回暖,叠加 5G、物联网、工业自动化等产业持 续推进,大幅拉动了功率半导体需求的增长,再加上芯片厂商因供应链安全需要提高安全 库存,使得晶圆厂产能持续处于满产状态,加剧了 2018 年以来 8 英寸晶圆厂的产能紧张。

代工厂商 8 英寸产能利用率接近满载。由于下游需求强劲,各大晶圆代工厂商 8 英寸 厂接近满载。世界先进,华虹宏力 2020Q3 产能利用率均超过 100%,联电,中芯国际产 能利用率也处在 95%的高位附近。工厂已经超负荷运转,供货期也相应延长,以功率器件 IGBT 为例,当前的供货期远高于 IGBT 正常 7-8 周的供货期。英飞凌、安森美、Microsemi 等 IGBT 供应商 2020Q1 的供货期已达 13-30 周。

8 英寸产能紧张短期内较难缓解。晶圆代工厂近年来的新建产能主要为 12 英寸产线, 新 8 英寸生产线建设步伐缓慢。2019 年全球 8 英寸晶圆厂仍旧少于 200 座。虽然根据 SEMI 预测,由于移动通讯、物联网等需求的增长,2022 年 8 英寸晶圆厂产能预计将增加 70 万片/月,占现有产能的 12%,使全球 8 英寸晶圆产能达到 650 万片/月。但根据以往经 验,新建晶圆厂从建设规划到投产往往需要 2 年左右的时间,短期内较难解决产能紧张的 困境。

功率半导体价格有望上涨。由于 8 英寸晶圆需求大增,代工厂产能利用率处在高位, 且受疫情影响,海外规模较大的晶圆厂和封测厂陆续宣布停产,意法半导体罢工造成全球 半导体缺货严重。而且 8 英寸新产能投产也需时间和产能爬坡期,预计当前 8 英寸晶圆产 能紧张短期内仍将持续,近期部分代工厂已宣布对部分 8 英寸晶圆客户提高价格。联电通 过法说会证实了目前部分晶圆代工厂 8 英寸晶圆涨价的信息,并考虑调高 2021 年第一季 度价格。世界先进目前也正在与客户商谈 8 英寸晶圆代工价格上涨的事宜。预计 8 英寸晶 圆代工的涨价情况将向下游传导,以 8 英寸晶圆为主要应用平台的功率半导体价格有望上 涨。

三、性能优势&成本下降,第三代半导体材料加速渗透

(一)第三代半导体材料具有更好的产品性能

第三代半导体材料更适于制作高温、高频、抗辐射及大功率器件。与硅基半导体材料 相比,以 GaN,SiC 为代表的第三代半导体材料具有更宽的禁带宽度、更高的击穿电场、 更高的热导率、更高的电子饱和速率及更高的抗辐射能力,更适合于制作高温、高频、抗 辐射及大功率器件。由于其能够大幅提升电子器件的高压、高频、高功率的特性,在汽车 电子,新能源,快充等领域中有着广泛应用。

(二)技术趋于成熟,带动成本下降

单个器件平均成本更低。与硅器件相比,SiC 器件单个管芯的价格是其 3 至 5 倍,但 由于 SiC 的尺寸更小,在同一片晶圆上可以生产的数量更多,平均每个器件的成本更低。通常可以通过增加晶圆尺寸或增加单片晶圆器件数量来降低生产成本。

生产效率提高,有望进一步降低成本。各大 SiC 厂商目前已主要使用 6 英寸晶圆进行 生产,但与广泛应用于传统材料功率器件的 8 英寸晶圆相比平均生产成本依旧较高。意法 半导体表示 SiC 晶圆生产的下一步同样是 8 英寸晶圆,生产效率将显著提升。英飞凌则已 经通过其“冷切技术”,实现在晶圆尺寸不变的情况下,芯片产量翻倍的目标,将有效降低 其生产成本。

(三)SiC, GaN 第三代功率半导体成长空间广阔

渗透率增长势头强劲。由于 SiC、GaN 材料的宽禁带宽度、高击穿电场、高热导率、 等更加优异的材料性能,在高压、高频、高功率领域有着明显优势。据 Yole 预测,预计 2023 年 SiC、GaN 在功率半导体器件中的使用占比将分别达到 3.75%与 1%,且呈加速渗 透趋势。未来随着工艺的成熟带来生产成本的降低,第三代半导体的渗透率有望进一步上 升。

预计 2022 年全球 SiC/GaN 功率半导体市场空间将超过 10/4.6 亿美元,CAGR 接近 40%/79%。受益于新能源汽车和新能源发电未来的快速增长,应用于汽车 DC-DC 转换器 \车载电池充电器\光伏逆变器等领域中的 SiC 功率器件也将迎来快速增长。Yole 预测到 2022 年 SiC 功率半导体市场空间将超过 10 亿美元,CAGR 接近 40%。由于快充与 5G 的 快速发展,应用于快充充电器/射频器件中的 GaN 功率器件凭借更高的转化效率、更低的 产品功耗等性能优势未来成长空间巨大。Yole 预测,到 2022 年 GaN 功率半导体市场空间 将超过 4.6 亿美元,CAGR 接近 79%。

四、技术进步、产能扩张,加速实现国产替代

(一)功率半导体国产化率较低,主要集中在高端领域

国内功率半导体市场空间巨大,但国产化率较低。2018 年中国功率半导体市场空间 达到 138 亿美元,占全球市场份额的 35%。但功率半导体国产化程度较低,据前瞻产业研 究院数据显示,2017 年我国功率半导体国产化率低于 50%,其中 IGBT 单管、MOSFET 的国产化率不到 40%。

全球功率半导体前 8 大厂商均为海外公司。2018 年全球功率半导体前 5 大厂商市占 率合计为 43.5%,竞争格局较为分散。第一名为德国英飞凌,占比 18.6%,美国安森美, 欧洲的意法半导体分列第二、第三名。全球前 8 大功率半导体厂商均为海外公司。

中低端产品国内厂商已实现大量出口,但高端产品领域份额依然较低。当前二极管等 低端功率半导体的国内企业市场份额较高,而市场份额较大的中高端产品较大程度上仍然依赖进口。由于二极管工艺相对简单,技术壁垒较低,国内厂商已基本完成国产替代。我 国自 2014 年起,每年二极管出口数量均超过进口数量。预计国内功率半导体厂商凭借成 熟的工艺和成本优势,未来仍将保持较大的市场份额。

高端产品领域市场集中度高,前十名几乎均为海外企业。MOSFET 和 IGBT 作为功率 半导体中相对高端的产品,由于其技术门槛较高,竞争格局集中,2018 年全球 CR5 市占 率合计均超过 60%。IGBT 市场份额前十厂商均为海外厂商,而 MOSFET 市场份额前十 厂商除第八名安世半导体(闻泰科技子公司)为国内公司外,其它均为海外厂商。

当前国内功率半导体厂商营收体量较低,未来收入增长空间巨大。2019 年英飞凌、 安森美在中国区的营收分别为 167.5、99.4 亿人民币。而国内功率半导体营收规模较大的 华润微、扬杰科技 2019 年的营收为 22.7 和 20.1 亿人民币,仅为英飞凌中国区营收的 13% 左右,其他国内功率半导体企业 2019 的营收仅为英飞凌中国区营收的 3%~5%。可见,当 前国内功率半导体厂商营收体量较低,但展望未来来看,收入增长空间巨大。

(二)功率半导体技术迭代较慢&政策支持助力国内厂商份额提升

较慢的迭代频率和较长的产品生命周期给国内功率半导体厂商有利的追赶契机。逻 辑芯片追求先进制程,技术升级周期较短一般为 1-2 年。快速的升级迭代使得国内厂商追 赶难度较大,而功率半导体的生命周期长达 5-10 年。以英飞凌为例,英飞凌已于 2018 年 底推出第 7 代 IGBT 产品,较第 4 代产品面积减少 25%,成本和功耗也进一步降低。但市 场主流仍是其第四代 IGBT 产品,该产品于 2007 年发布。据英飞凌数据显示,其 IGBT3 和 IGBT4 在进入市场后 10 年内收入持续增长,且预计增长趋势仍将维持。功率半导体较 慢的迭代速度和较长的产品生命周期给了国内厂商有利的追赶契机。

功率半导体技术难度相对较低,投资强度相对较小,是国产替代的最佳突破赛道。数 字芯片技术壁垒高,资金投入大,追求制程的先进性和更大的器件密度。台积电在 5nm 制 程平台投资 250 亿美元,三星新的 5nm 芯片生产线投资 81 亿美元,中芯国际的 14nm 及 以下 SN1 项目投资额 91 亿美元。而功率半导体对制程的要求较低,先进制程并非影响产 品性能的决定性因素。比如士兰微与厦门半导体集团共同投资 170 亿元建设 2 条 12 英寸 90-65nm 生产线,技术处于国际领先水平,而单条产线平均投资额不到 100 亿人民币。较 低的进入门槛,较少的制程依赖性,叠加产品较长的生命周期,使功率半导体成为国内厂 完成国产替代的最佳赛道。

国内厂商具有快速响应和成本优势。与国外竞争对手相比,国内厂商与下游客户的沟 通成本低,供货速度快,服务能力强,能够快速响应下游客户的定制化需求,具有快速响 应的优势。此外,国内功率半导体厂商还具有较低的运费,人工成本等优势。

政策、资金助力功率半导体行业发展。近年来,国家不断推出多项政策分别从产业发 展、研究开发、财税投资等方面支持包括功率半导体在内的半导体产业发展。国务院于 2020 年 8 月印发《新时期促进集成电路产业和软件产业高质量发展的若干政策》从财税、 投融资、研究开发等全面支持半导体行业的发展。政策的全面支持将成为功率半导体行业 快速发展的催化剂。此外国家在资金层面也给予支持,国家集成电路产业基金(简称大基 金)一期、二期也先后于 2014 年、2019 年成立,其中大基金一期募资金额 1387 亿元, 大基金二期注册资本 2041.5 亿元。据集微网统计,大基金一期投资领域包括:集成电路制造 67%,设计 17%,封测 10%,装备材料 6%。在大基金及其所撬动的社会资本的投资带动下,我 国集成电路产业取得了良好发展。

(三)技术进步产能扩张,国产替代未来可期

国内功率半导体厂商研发支出/人员不断扩大。近年来国内厂商加大研发投入,研发 支出快速增长,多家厂商 2020 年度前三季度的研发支出已接近 2019 年全年水平,研发人 员数量也呈快速增加趋势。

部分产品技术水平已达到国外主流水准。持续的研发投入带来了国内功率半导体厂 的技术进步。部分功率半导体产品已达到与国外主流竞品的同等技术水平。比如,华润 微已建立国内领先的 Trench-FS 工艺平台,具备 600V-6500V IGBT 工艺能力,在 MOSFET 方面可提供-100V 至 1500V 的全系列产品。斯达半导拥有基于第六代 Trench Field Stop 技 术的 1700V IGBT 芯片及配套的快恢复二极管芯片技术。新洁能 MOSFET 国内领先,可 提供 12-250V 沟槽型/500-900V 超结/30-300V 屏蔽栅 MOSFET 产品,性能接近英飞凌主 流产品。

国内厂商产能扩张助力份额提升。在技术进步的同时,国内功率半导体厂商也不断加 大投资建厂步伐,扩大产能以提升市场份额。如:斯达半导投资 2.5 和 2.2 亿元用于新能 源汽车用 IGBT 模块扩产项目和 IPM 模块项目,士兰微投资 15 亿元用于 8 英寸生产线, 新洁能投资 3.2 亿元用于半导体功率器件封装测试产线。

通过以上分析,我们认为国内厂商有望凭借技术进步、成本优势和快速响应能力实现 国产替代、份额提升。当前功率半导体国产化率较低主要集中在高端产品领域。但功率半 导体行业因为技术迭代较慢、产品生命周期较长、投资强度相对较小的特点,有望成为国 产替代的最佳赛道。当前国内功率半导体厂商凭借持续的研发投入,部分产品的性能已达 到国际主流水平,在国内政策积极支持的有利条件下,有望凭借技术进步、快速响应能力 和成本优势完成国产替代,实现市场份额的大幅提升。

……

(报告观点属于原作者,不代表我们的任何投资建议。如需使用相关信息,请参阅报告原文。)

获取精品报告请登录【未来智库官网】www.vzkoo.com。

加载中...