旋极星源与平头哥携手推出NB-IoT SOC平台解决方案
摩尔精英
近日,旋极科技集团(股票代码:300324)旗下子公司成都旋极星源信息技术有限公司(以下简称“旋极星源”)与阿里巴巴集团旗下平头哥半导体有限公司(以下简称“平头哥”)达成战略合作共识,并签署了战略合作协议。双方将携手推出基于旋极星源超低功耗NB-IoT RF IP、平头哥超低功耗CPU IP的整套低功耗物联网SOC平台解决方案,并共同推广此平台解决方案,帮助客户缩短研发周期迅速实现芯片量产,同时获得超低功耗和超低成本的优势。

旋极星源是北京旋极科技集团(股票代码:300324)旗下子公司,是国内目前领先的射频及混合信号集成电路设计和应用解决方案研发的公司。公司一直专注于低功耗物联网、卫星导航、雷达电子等领域,定位于180nm\/55nm及以下的高端射频混合信号芯片设计服务与射频IP Turn-Key服务,以为客户实现低成本、低功耗和高性能为设计宗旨,为客户提供从电路或版图到芯片及系统解决方案的全方位服务。

阿里巴巴集团旗下全资子公司平头哥半导体有限公司是国内领先的嵌入式CPU提供商,其研发的具有自主知识产权的国产32位嵌入式CPU核,具有低功耗、高性能、高代码密度,以及易使用的特点,性能指标达到国际先进水平,被广泛应用于物联网智能硬件,数字音视频、信息安全、网络和通信、工业控制、以及汽车电子等多个领域。截至目前,搭载平头哥CPU的SOC芯片累计出货量已超过6亿颗。
自2009年中国提出“感知中国”以来,市场迅速迎来了物联网发展的第一波。2011年至2015年,智慧城市和可穿戴设备等为主的应用是物联网发展的第二波。而2016年NB-IoT标准被运营商标准体系采纳,从而引发物联网的第三次浪潮,且一直在不断升温。由于前期物联网存在技术碎片化、网络碎片化、产业碎片化、应用碎片化的问题,一直没有形成规模发展。但是随着运营商的切入与引领,可以预见的是以运营商为主体大规模布设物联网将会带动传感器、处理器和网络技术成本迅速降低,从而推动物联网应用快速的普及。预计到2020年,包括移动设备、停车收费表、恒温器、心脏监视器、道路、汽车和很多其他类型的物体和设备在内的500亿的“物品”都将联网构成物联网,中国市场的连接数有望突破100亿。未来十年物联网技术对全球经济产生的影响多达数万亿美元。

目前物联网是基于通信网络的物联网技术体系,主要有NB-IoT和eMTC两种技术,分别面向不同的应用场景,具有互补性。NB-IoT侧重在低成本、广覆盖和长续航,而eMTC满足语音通话、中带宽速率、移动性的物联网应用需求。NB-IoT和eMTC面向了5G的海量连接场景,是未来走向5G物联网的基础。其中NB-IoT以其低功耗、低成本,大覆盖、大连接特性,既克服了传统物联网技术碎片化、局部应用、难以规模应用的缺点,又解决了传统移动3G\/4G技术用于物联网功耗大、成本高、系统容量限制的问题,得到越来越多的关注。截至目前,中国、韩国、欧洲等24张NB-IoT网络商用,中国市场占90%,芯片规模达数千万。网络方面,中国电信全网支持,中国移动全网采购,中国联通紧随其后;芯片方面,华为为主,高通、中兴、联发科等陆续进入市场;模组方面,中小企业为主,价格从近200元降至25元;平台方面,三大运营商、华为等着力打造NB-IoT平台,聚集产业链。当前,NB-IoT应用聚焦智慧城市,“地方政府引领,平台+应用”推进NB-IoT应用规模化起步。2018年已经出现多项百万级的应用,包括智能水表、智能燃气表、烟感、电动车监控等。

据IDC预计,物联网将在2021年成为11000亿美元的市场,2017-2021年平均复合年增率(CAGR)预估为14.4%。其中2018年全球对物联网的支出达到7725亿美元,比2017的收入增长14.6%。
旋极星源开发的NB-IoT RF IP,兼容3GPP R14 NB-IoT标准,支持R14全部标准频段,是国内唯一单片集成23dBm CMOS PA的超低功耗NB-IoT RF IP,同时旋极星源采用独特的设计架构和特有的低功耗技术,使其开发的NB-IoT RF IP达到了业界最小面积和最低功耗,而且已与多家行业客户展开合作。采用旋极星源NB-IoT RF解决方案后,客户芯片成本将降低40%以上,极大增强了市场竞争力。
NB-IoT RF IP spec
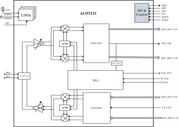
AGP2121
概述(PRODUCT DESCRIPTION)
AGP2121NB-IoT Transceiver IP 采用 55nm CMOS工艺,应用于NB-IoT射频信号收发,兼容3GPP R14 NB-IoT标准,支持R14标准频段(bands 1, 2, 3, 5, 8, 11, 12, 13, 17, 18, 19, 20, 21, 25, 26, 28, 66, 70)。AGP2121是国内第一款单片集成CMOS PA(23dBm)的超低功耗NB-IoT RF IP,IP采用低中频\/零中频接收机和IQ直接上变频调制发射机结构,实现超低功耗设计,支持2V~3.6V供电电压。AGP2121具有超高的集成度和超小的IP面积,大幅简化了NB芯片及模组设计难度,降低了成本,IP内部集成宽带sigma_delta小数分频锁相环、射频收发开关、镜像抑制低中频\/零中频接收机、12bit SAR ADC、12bit DAC、低通\/带通滤波器、发射IQ调制器、发射功率放大器、SPI接口和数字基带接口,支持输出功率-40dBm~+23dBm调节。
典型特征 (FEATURES)
3GPP R14 NB-IoT标准
2V ~3.6V供电电压
超低功耗
超小面积
接收噪声系数<5dB,接收灵敏度:-110 dBm
集成DCXO
支持频率范围:650MHz~2200MHz,10Hz分辨率步进
支持自动增益控制(AGC)
镜像频率抑制度:>40dBc
可配置低通\/带通中频滤波器
12bits SAR ADC
发射ACLR<36dBc
发射功率:-40dBm~+23dBm@1dBm step
发射EVM:<6%
结构框图 (BLOCK DIAGRAM\/PIN CONFIGURATION)
